电脑桌面
添加小米粒文库到电脑桌面
安装后可以在桌面快捷访问

2年模拟高考化学 第10讲 无机非金属材料的主角 碳和硅精品试题-人教版高三全册化学试题VIP免费

2年模拟高考化学 第10讲 无机非金属材料的主角 碳和硅精品试题-人教版高三全册化学试题_第1页
1/6
2年模拟高考化学 第10讲 无机非金属材料的主角 碳和硅精品试题-人教版高三全册化学试题_第2页
2/6
2年模拟高考化学 第10讲 无机非金属材料的主角 碳和硅精品试题-人教版高三全册化学试题_第3页
3/6
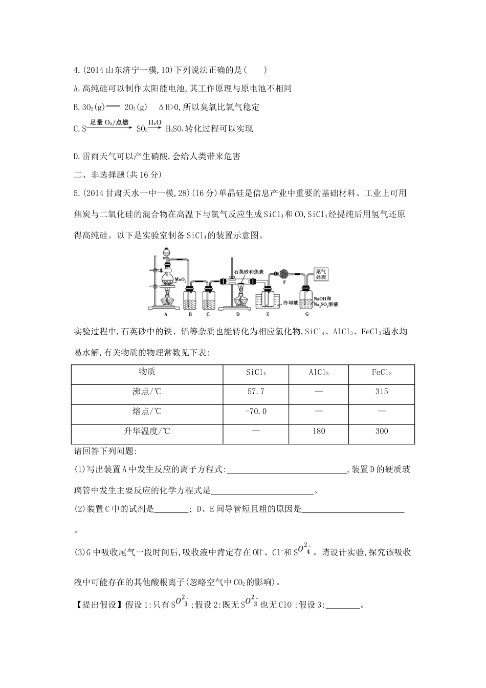
第10讲无机非金属材料的主角——碳和硅A组2014—2015年模拟·基础题组一、选择题1.(2015湖北联考,11)将足量CO2气体通入水玻璃中,然后蒸干,再在高温下充分灼烧,最后所得固体物质是()A.Na2SiO3B.Na2CO3、Na2SiO3C.Na2CO3、SiO2D.SiO22.(2015湖北四校联考,4)下列有关物质的性质、制取或应用等的说法中正确的是()A.用8%的盐酸蒸发浓缩获得30%的盐酸B.光纤和餐桌上的瓷盘都是硅酸盐制品C.可利用丁达尔效应来区别淀粉溶液和氯化钠溶液D.二氧化硫具有漂白性,与氯水混合使用漂白效果更好3.(2014湖南岳阳二模,8)下列说法正确的是()A.光导纤维的主要成分是硅B.常用氢氟酸(HF)来刻蚀玻璃C.制普通玻璃的主要原料是烧碱、石灰石、石英砂D.实验室用带玻璃塞的试剂瓶保存氢氧化钠溶液4.(2014吉林四平联考,10)下列关于碳和硅的叙述中,正确的是()A.氧化物都能与氢氧化钠溶液反应B.单质在加热时都能跟氧气反应C.氧化物都能溶于水生成相应的酸D.碳有同素异形体而硅没有同素异形体5.(2014山东诸城月考,14)下列关于硅的说法中,不正确的是()A.硅是非金属元素,晶体硅是灰黑色有金属光泽的固体B.硅的导电性介于金属和绝缘体之间,是良好的半导体材料C.硅的化学性质不活泼,常温下不与任何物质反应D.加热到一定温度时,硅能与氯气、氧气等非金属单质反应6.(2014福建三明联考,12)下列物质间的转化不能通过一步反应完成的是()A.SiO2SiB.CO2CC.SiO2H2SiO3D.SiNa2SiO3二、非选择题7.(2014山西晋中一模,17)A、B、C、D、E代表单质或化合物,它们之间的相互转换关系如下图所示。A为地壳中含量仅次于氧的非金属元素的单质。请填空:(1)B的化学式为,B和碳反应生成A和E的化学方程式是。(2)C的化学式为,D的化学式为。B组2014—2015年模拟·提升题组时间:20分钟分值:40分一、选择题(每小题6分,共24分)1.(2015湖南岳阳一中测试,13)某二价金属的碳酸盐和酸式碳酸盐的混合物跟足量的稀盐酸反应,消耗H+和生成CO2物质的量之比为6∶5,则该混合物中碳酸盐和酸式碳酸盐的物质的量之比是()A.1∶1B.1∶2C.1∶3D.1∶42.(2015陕西西安一中二模,18)下列关于材料的说法不正确的是()A.太阳能电池板中的硅在元素周期表中处于金属与非金属的交界位置B.二氧化硅可用于制作光导纤维C.石英玻璃耐强酸强碱,可用于制造化学仪器D.Si3N4是一种新型无机非金属材料,可用于制造发动机3.(2014浙江杭州一模,9)下列说法中不正确的是()A.开发氢能、太阳能、风能、生物质能等是实现“低碳生活”的有效途径B.钢铁是用量最大、用途最广泛的合金C.硅主要以单质、氧化物、硅酸盐的形式存在于自然界中D.利用催化设施,可以将汽车尾气中CO和NO转化为无害气体4.(2014山东济宁一模,10)下列说法正确的是()A.高纯硅可以制作太阳能电池,其工作原理与原电池不相同B.3O2(g)2O3(g)ΔH>0,所以臭氧比氧气稳定C.SSO3H2SO4转化过程可以实现D.雷雨天气可以产生硝酸,会给人类带来危害二、非选择题(共16分)5.(2014甘肃天水一中一模,28)(16分)单晶硅是信息产业中重要的基础材料。工业上可用焦炭与二氧化硅的混合物在高温下与氯气反应生成SiCl4和CO,SiCl4经提纯后用氢气还原得高纯硅。以下是实验室制备SiCl4的装置示意图。实验过程中,石英砂中的铁、铝等杂质也能转化为相应氯化物,SiCl4、AlCl3、FeCl3遇水均易水解,有关物质的物理常数见下表:物质SiCl4AlCl3FeCl3沸点/℃57.7—315熔点/℃-70.0——升华温度/℃—180300请回答下列问题:(1)写出装置A中发生反应的离子方程式:,装置D的硬质玻璃管中发生主要反应的化学方程式是。(2)装置C中的试剂是;D、E间导管短且粗的原因是。(3)G中吸收尾气一段时间后,吸收液中肯定存在OH-、Cl-和S。请设计实验,探究该吸收液中可能存在的其他酸根离子(忽略空气中CO2的影响)。【提出假设】假设1:只有S;假设2:既无S也无ClO-;假设3:。【设计方案,进行实验】可供选择的试剂有:3mol/LH2SO4溶液、1mol/LNaOH溶液、0.01mol/LKMnO4溶液、溴水、淀粉-KI溶液、品红溶液等。取少量吸收液于试管中,滴加3mol/LH2SO4溶液至溶液呈酸性,然后将所得溶液分置于a、b、c三支试管中,分别进行下列实验。请完成下表:序号操作可能出现的现象结论①向a试管中滴加几滴若溶液褪色则假设1...

1、当您付费下载文档后,您只拥有了使用权限,并不意味着购买了版权,文档只能用于自身使用,不得用于其他商业用途(如 [转卖]进行直接盈利或[编辑后售卖]进行间接盈利)。
2、本站所有内容均由合作方或网友上传,本站不对文档的完整性、权威性及其观点立场正确性做任何保证或承诺!文档内容仅供研究参考,付费前请自行鉴别。
3、如文档内容存在违规,或者侵犯商业秘密、侵犯著作权等,请点击“违规举报”。

碎片内容

2年模拟高考化学 第10讲 无机非金属材料的主角 碳和硅精品试题-人教版高三全册化学试题

远洋启航书店+ 关注
实名认证
内容提供者

从事历史教学,热爱教育,高度负责。

确认删除?
VIP
微信客服
  • 扫码咨询
会员Q群
  • 会员专属群点击这里加入QQ群
客服邮箱
回到顶部