电脑桌面
添加小米粒文库到电脑桌面
安装后可以在桌面快捷访问

2025年给排水图例VIP专享VIP免费

2025年给排水图例_第1页
1/4
2025年给排水图例_第2页
2/4
2025年给排水图例_第3页
3/4
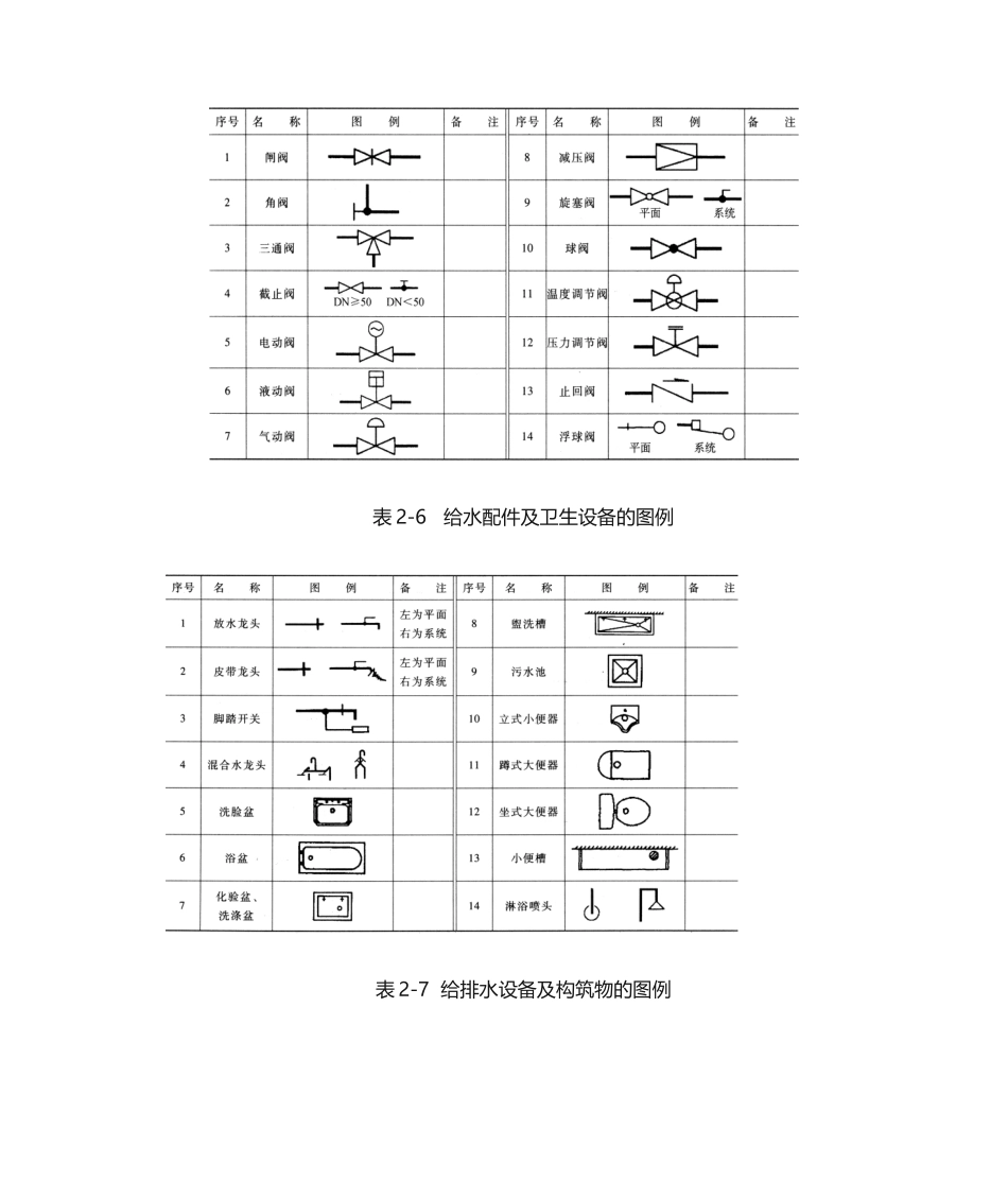
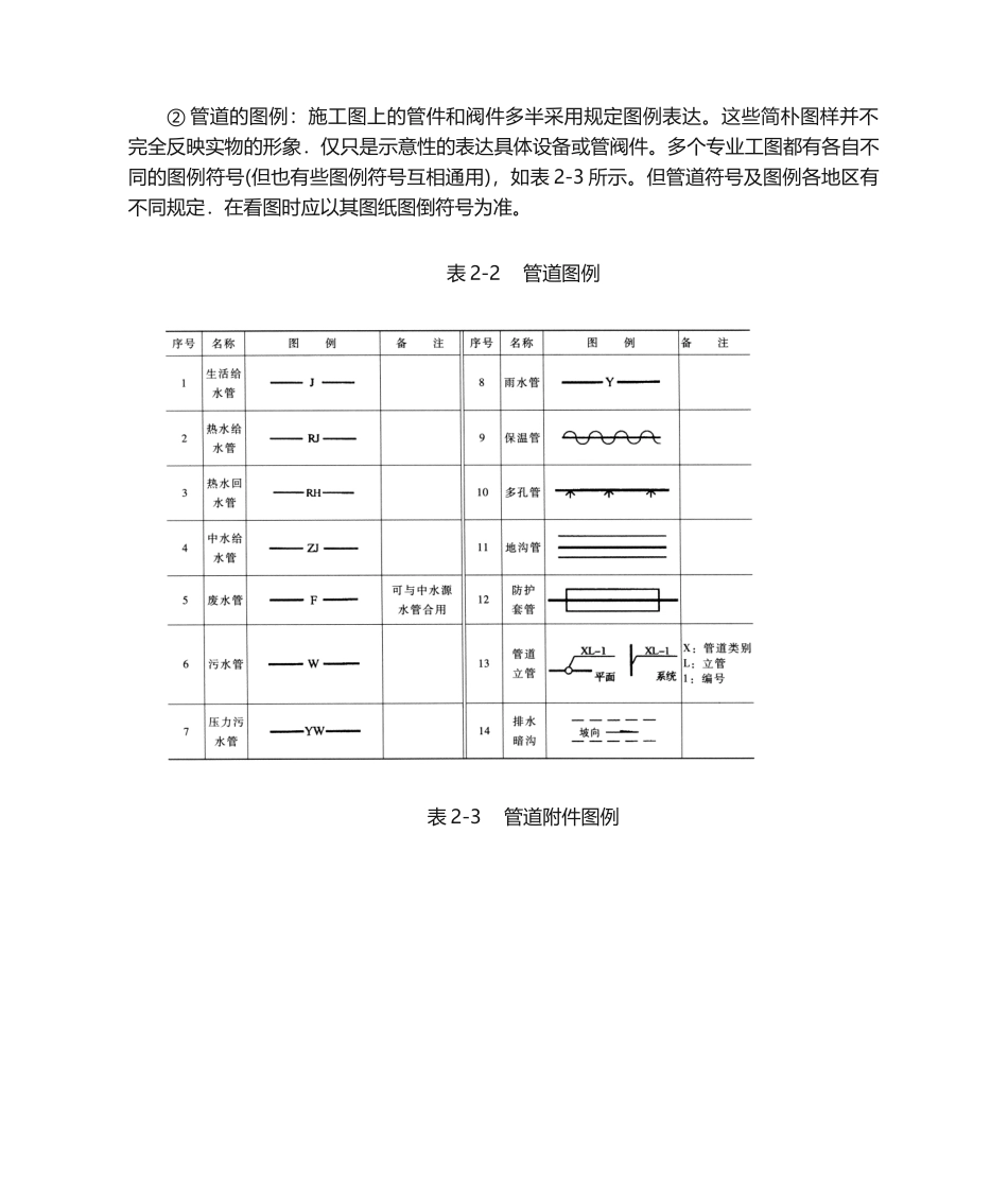
②管道的图例:施工图上的管件和阀件多半采用规定图例表达。这些简朴图样并不完全反映实物的形象.仅只是示意性的表达具体设备或管阀件。多个专业工图都有各自不同的图例符号(但也有些图例符号互相通用),如表2-3所示。但管道符号及图例各地区有不同规定.在看图时应以其图纸图倒符号为准。表2-2管道图例表2-3管道附件图例表2-4管件及管道连接的图例表2-5阀门的图例表2-6给水配件及卫生设备的图例表2-7给排水设备及构筑物的图例表2-7消防设施的图例

1、当您付费下载文档后,您只拥有了使用权限,并不意味着购买了版权,文档只能用于自身使用,不得用于其他商业用途(如 [转卖]进行直接盈利或[编辑后售卖]进行间接盈利)。
2、本站所有内容均由合作方或网友上传,本站不对文档的完整性、权威性及其观点立场正确性做任何保证或承诺!文档内容仅供研究参考,付费前请自行鉴别。
3、如文档内容存在违规,或者侵犯商业秘密、侵犯著作权等,请点击“违规举报”。

碎片内容

2025年给排水图例

您可能关注的文档

静心书店+ 关注
实名认证
内容提供者

专注于各类考试试卷和真题。

确认删除?
VIP
微信客服
  • 扫码咨询
会员Q群
  • 会员专属群点击这里加入QQ群
客服邮箱
回到顶部