电脑桌面
添加小米粒文库到电脑桌面
安装后可以在桌面快捷访问

2025年锅炉年度检查报告VIP专享VIP免费

2025年锅炉年度检查报告_第1页
1/3
2025年锅炉年度检查报告_第2页
2/3
2025年锅炉年度检查报告_第3页
3/3
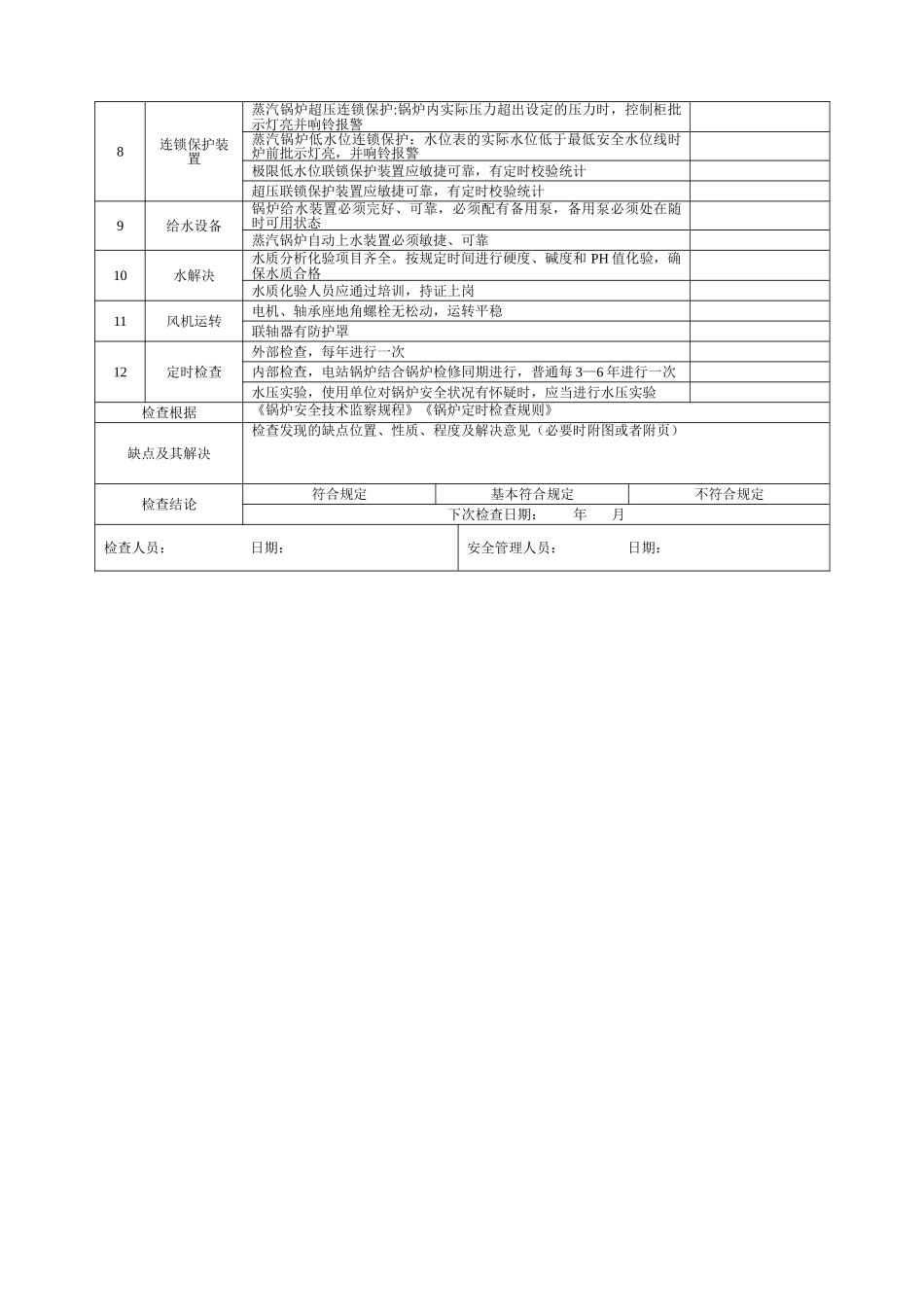
锅炉年度检查报告使用单位:锅炉型号:锅炉种类:内部编号:使用证号:检查日期:河南晋煤天庆煤化工有限责任公司使用单位:锅炉型号:锅炉种类:内部编号:使用证号:注册代码:序号检查项目检查内容检查成果1安全管理状况锅炉的产品合格证锅炉使用登记证、并固定在锅炉的醒目位置,有检查使用期的标志司炉工等应有操作资格证,证书级别与锅炉容量相符合设立专门的安全管理机构,配备专职安全管理人员,并能认真履职锅炉技术档案资料齐全规则制度齐全,并认真执行,无违章违纪现象配备有必需的设备维修力量,设备及时维修保养2锅炉本体及各部状态锅炉受压元件无危害安全的严重缺点水泵运行状况一、二次风机、罗茨风机运行状况连排阀、定排阀、给水截止阀及其它管道、阀门无跑、冒、滴、漏锅炉本体无漏烟、漏风现象观察各膨胀批示器,变化正常烟、风、汽、水管道、阀门无泄漏受热面无变形、过热现象扶梯、走道符合规定多个温度、压力仪表完好、可靠燃烧正常,无结焦、炉内各温度分布正常锅炉系统各阀门开关灵活3设备运行参数设备的运行参数,涉及压力、温度及其蒸发时,在允许范畴内,不存在超压、超温和高水位等运行运行的仪器仪表运行参数应正常,与直读的水位表、压力表一致运行统计上各项参数统计应与实际一致,在允许的参数内4安全阀每台锅炉最少装设两个安全阀(不涉及省煤器安全阀)安全阀垂直安装,并装在锅筒的最高位置安全阀装设排气管,排气管道直通安全地点,确保排气畅通,省煤器安全阀上应装设排水管,并通至安全地点在用锅炉的安全阀每年最少检查一次,校验后加铅封5水位表每台蒸汽锅炉最少装两个水位表,并均可正常使用水位表装在便于观察的地方,并有足够的照明水位表距离操作面高出6m时,应加装远程水位显示装置,同时直读式水位表必须确保正常使用水位表有批示最高、最低安全水位和正常水位的明显标志(红杠),正常水位在水位表中间水位表清晰显示正常水位,每班最少冲洗一次,避免出现假水位水位表无泄漏水位表有放水阀门,并有接到安全地点的放水管水位表与锅筒之间的汽水连接管上装有阀门,锅炉运行时阀门必须处在全开位置水位报警器应符合规定,动作可靠,有定时校验统计6压力表蒸汽锅炉压力表必须与锅筒蒸汽空间直接相连压力表表盘刻度极限值为工作压力的2倍压力表表盘直径不应不大于100mm压力表定时进行校验,校验后应加铅封并注明下次校验日期,不允许超期使用。刻度盘上划红线批示出最高工作压力压力表设在便于观察和吹洗的位置,并避免受到高温、冰冻和震动的不良影响压力表与筒体之间的连接管上装有三通阀门,方便吹洗管路、卸换、校验压力表;蒸汽空间设立的压力表还应有存时水弯管,三通阀门装在压力表与存水弯管之间7温度计有表盘测量温度仪表的量程应为正常温度的1.5—2倍测量温度仪表的校验和维护应符合国家计量部门的规定,安装后每年最少校验一次8连锁保护装置蒸汽锅炉超压连锁保护:锅炉内实际压力超出设定的压力时,控制柜批示灯亮并响铃报警蒸汽锅炉低水位连锁保护:水位表的实际水位低于最低安全水位线时炉前批示灯亮,并响铃报警极限低水位联锁保护装置应敏捷可靠,有定时校验统计超压联锁保护装置应敏捷可靠,有定时校验统计9给水设备锅炉给水装置必须完好、可靠,必须配有备用泵,备用泵必须处在随时可用状态蒸汽锅炉自动上水装置必须敏捷、可靠10水解决水质分析化验项目齐全。按规定时间进行硬度、碱度和PH值化验,确保水质合格水质化验人员应通过培训,持证上岗11风机运转电机、轴承座地角螺栓无松动,运转平稳联轴器有防护罩12定时检查外部检查,每年进行一次内部检查,电站锅炉结合锅炉检修同期进行,普通每3—6年进行一次水压实验,使用单位对锅炉安全状况有怀疑时,应当进行水压实验检查根据《锅炉安全技术监察规程》《锅炉定时检查规则》缺点及其解决检查发现的缺点位置、性质、程度及解决意见(必要时附图或者附页)检查结论符合规定基本符合规定不符合规定下次检查日期:年月检查人员:日期:安全管理人员:日期:

1、当您付费下载文档后,您只拥有了使用权限,并不意味着购买了版权,文档只能用于自身使用,不得用于其他商业用途(如 [转卖]进行直接盈利或[编辑后售卖]进行间接盈利)。
2、本站所有内容均由合作方或网友上传,本站不对文档的完整性、权威性及其观点立场正确性做任何保证或承诺!文档内容仅供研究参考,付费前请自行鉴别。
3、如文档内容存在违规,或者侵犯商业秘密、侵犯著作权等,请点击“违规举报”。

碎片内容

2025年锅炉年度检查报告

您可能关注的文档

确认删除?
VIP
微信客服
  • 扫码咨询
会员Q群
  • 会员专属群点击这里加入QQ群
客服邮箱
回到顶部