电脑桌面
添加小米粒文库到电脑桌面
安装后可以在桌面快捷访问

2025年生产管理流程图VIP免费

2025年生产管理流程图_第1页
1/4
2025年生产管理流程图_第2页
2/4
2025年生产管理流程图_第3页
3/4
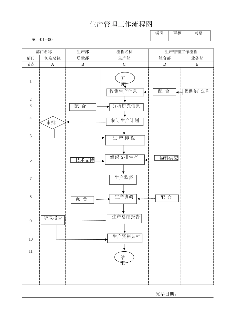
生产管理工作流程图SC-01--00部门名称生产部流程名称生产管理工作流程部门制造总监质量部生产部综合部业务部节点ABCDE1234567891011完毕日期:编制审核同意审批提供客户定单听取报告开始收集生产信息结束配合配合制订生产计划生产排程组织安排生产物料供应生产监督生产协调配合生产总结报告生产资料归档分析研究信息技术支持配合生产管理工作原则SC-02--00任务名称节点任务程序、重点及原则时限有关资料收集生产信息B2C2D2E2程序市场需求、原材料供应、产能等方面的信息资料生产部从不同的渠道收集生产方面的信息,并进行汇总依状况而定业务部提供客户定单等市场需求信息随时综合部与质量部主动配合生产部门的工作随时重点生产信息的收集汇总原则信息收集全方面、及时、精确制订生产计划C3C4A4程序1、公司产能信息2、客户定单3、公司经营计划生产部对汇总的生产信息进行分析和研究依状况而定根据公司的生产能力、业务部客户定单和公司常规计划规定,生产部制订生产计划5个工作日内生产计划报制造总监审批3个工作日内重点生产计划的编制原则计划全方面、可行组织生产C5C6B6D6程序生产计划生产部根据生产计划进行生产排程,安排各项任务的生产时间和交接时间依状况而定生产部组织生产,安排负责人员、场地、设备,分析技术难点,防止品责问题的出现等随时质量部为生产提供技术保障和技术支持随时综合部确保生产原料与所需物质的供应随时重点生产的排程与组织原则按计划次序、有条不紊地进行生产控制C7C8B8D8程序1、生产计划2、生产进度报表3、基层管理人员和生产生产管理人员负责对生产过程、生产进度、物资供应等状况进行监督、控制随时生产部负责生产过程中的协调工作,确保生产顺利进行随时质量部主动配合生产部的工作,及时解决生产过程中出现的技术问题随时综合部按生产部的规定精确、及时提供生产所需物资随时编制审核同意人员状况报告重点生产过程的监督、控制与协调原则按计划有序进行生产总结报告C9C10程序1、生产计划完毕状况2、生产进度报表生产工作按计划完毕后,生产部应对整个阶段的生产过程进行全方面的总结与评定,并向有关领导报告即时对生产过程中的有关资料进行整顿、存档即时重点生产过程状况及问题的总结原则生产总结客观、及时、全方面完毕日期:

1、当您付费下载文档后,您只拥有了使用权限,并不意味着购买了版权,文档只能用于自身使用,不得用于其他商业用途(如 [转卖]进行直接盈利或[编辑后售卖]进行间接盈利)。
2、本站所有内容均由合作方或网友上传,本站不对文档的完整性、权威性及其观点立场正确性做任何保证或承诺!文档内容仅供研究参考,付费前请自行鉴别。
3、如文档内容存在违规,或者侵犯商业秘密、侵犯著作权等,请点击“违规举报”。

碎片内容

2025年生产管理流程图

您可能关注的文档

确认删除?
VIP
微信客服
  • 扫码咨询
会员Q群
  • 会员专属群点击这里加入QQ群
客服邮箱
回到顶部