电脑桌面
添加小米粒文库到电脑桌面
安装后可以在桌面快捷访问

2025年竹胶模板方案VIP免费

2025年竹胶模板方案_第1页
1/7
2025年竹胶模板方案_第2页
2/7
2025年竹胶模板方案_第3页
3/7
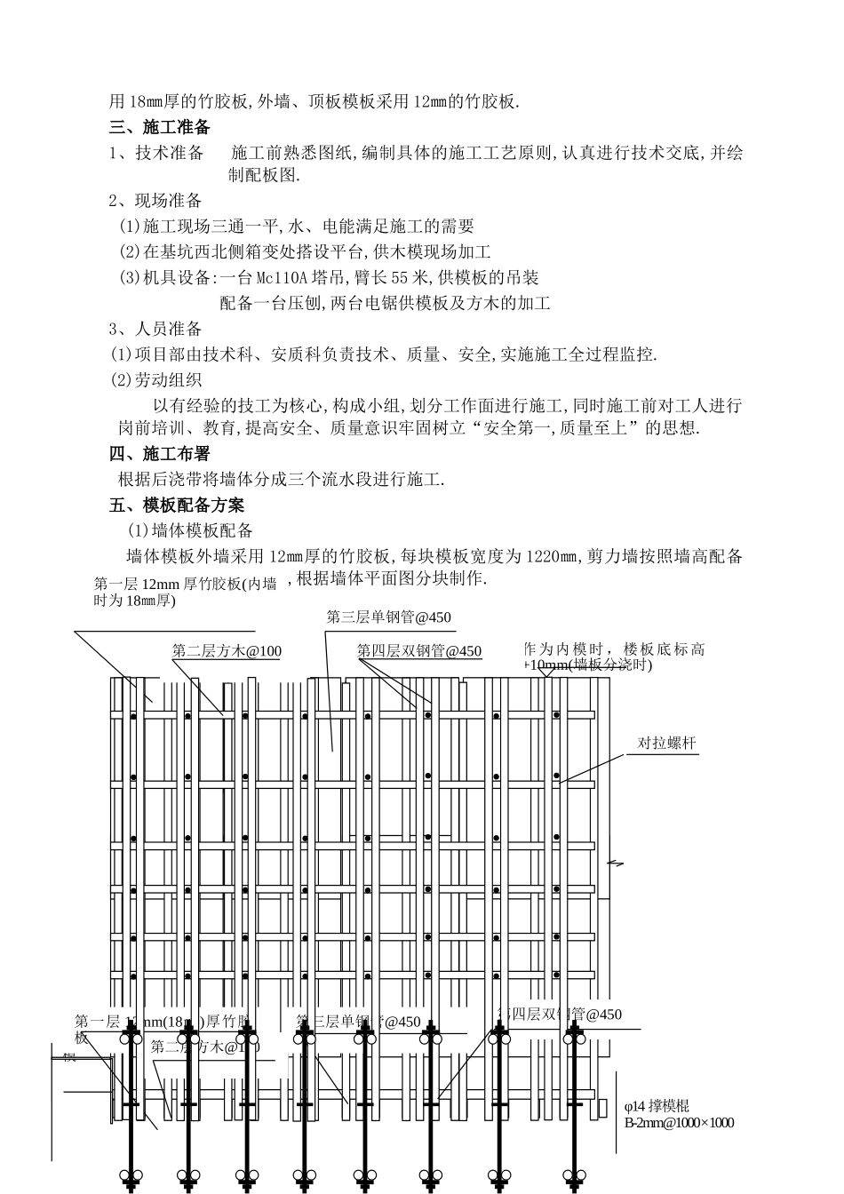
西安铁路局经九路1#综合楼竹胶模施工方案编制__________审核__________审批__________中铁十二局集团有限公司西安铁路局项目经理部10月目录一、编制根据………………………………………………………………………1二、工程概况………………………………………………………………………1三、施工准备………………………………………………………………………1四、施工布署………………………………………………………………………1五、模板配备方案…………………………………………………………………1六、施工办法………………………………………………………………………4七、质量规定………………………………………………………………………6八、保护模板的方法………………………………………………………………7九、安全确保方法…………………………………………………………………7西安铁路局经九1#综合楼竹胶模板方案一、编制根据1、施工图纸设计规定2、混凝土构造工程施工质量验收规范(GB50204-)二、工程概况本工程为西安铁路局经九1#综合楼,建筑面积46872㎡,地下一层,地上32层,地下室建筑面积1590㎡,层高4米,战时为六级人防,平时做地下车库使用.构造为框剪构造,其中剪力墙和框架柱、梁强度等级为C40,楼板为C30,外墙墙体厚度为400㎜,内墙为450㎜,框架柱为700×700㎜,顶板厚度300㎜,地下室及一~四层内墙模板及框架柱采用18㎜厚的竹胶板,外墙、顶板模板采用12㎜的竹胶板.三、施工准备1、技术准备施工前熟悉图纸,编制具体的施工工艺原则,认真进行技术交底,并绘制配板图.2、现场准备(1)施工现场三通一平,水、电能满足施工的需要(2)在基坑西北侧箱变处搭设平台,供木模现场加工(3)机具设备:一台Mc110A塔吊,臂长55米,供模板的吊装配备一台压刨,两台电锯供模板及方木的加工3、人员准备(1)项目部由技术科、安质科负责技术、质量、安全,实施施工全过程监控.(2)劳动组织以有经验的技工为核心,构成小组,划分工作面进行施工,同时施工前对工人进行岗前培训、教育,提高安全、质量意识牢固树立“安全第一,质量至上”的思想.四、施工布署根据后浇带将墙体分成三个流水段进行施工.五、模板配备方案(1)墙体模板配备墙体模板外墙采用12㎜厚的竹胶板,每块模板宽度为1220㎜,剪力墙按照墙高配备成整块模,并按墙宽配备,根据墙体平面图分块制作.(二)梁、板模板作为内模时,楼板底标高+10mm(墙板分浇时)φ14撑模棍B-2mm@1000×1000柱模第二层方木@100第三层单钢管@450第四层双钢管@450第一层12mm厚竹胶板(内墙时为18㎜厚)对拉螺杆第一层12mm(18㎜)厚竹胶板第二层方木@100第三层单钢管@450第四层双钢管@450背棱采用竖向60×80方木及横向钢管加固(间距:方木100mm,钢管为450mm),对拉螺栓采用φ14钢筋加工,(外墙采用止水对拉螺栓)(间距450mm×450mm)阴角处采用专门加工木阴角模,70*70方木压缝。图5.52)楼板、梁模板配备楼板模板采用12㎜厚的竹胶模板,满堂钢管脚手架支撑.顶板配板原则是,板模压梁、,大梁模压主梁侧模端口。小梁侧模压大梁侧模端口(具体见图5.2、5.3、5.4)。3)框架柱模板配备框架柱模板采用18㎜竹胶板,角钢加固.(具体见5.5)4)楼梯模板采用木模配备。按照楼梯的宽度、高度和长度,踏步的步数来配制,在踏步板底模与楼梯梁、休息平台模连接的地方采用斜角对接法,不得直接。止水对拉螺杆450×450㎜(合用与地下室外墙)图5.1竹胶板墙体模配设加固图图5.3梁、墙节点模板图墙板面标高主梁夹模杆@600斜撑杆@60060×80方木@200≤800≤900钢管@600顶板模图5.2梁、板配模加固图5)洞口模板剪力墙门窗洞口模板、预留洞口模板采用方木加竹胶板面模组合而成的定型木模。门窗洞口模的厚度制作时要比墙体厚度大2mm,四边用对拉螺杆拉死,确保其在浇注砼过程中不移位,同时,在砼浇筑时,要尽量做到平衡浇筑。如果是窗洞口,洞模下口模要钻出气孔,洞口较大时,要在洞口下模留出砼振捣口,确保砼的密实度。六、施工办法1.工艺流程:剪力墙楼层放线→木模及门洞口模板清理、涂刷脱模剂→安装、固定门洞口模板→绑扎焊接模板定位筋,粘贴门洞口海绵条→放置预留洞口→木模吊装→模板校正→自检、...

1、当您付费下载文档后,您只拥有了使用权限,并不意味着购买了版权,文档只能用于自身使用,不得用于其他商业用途(如 [转卖]进行直接盈利或[编辑后售卖]进行间接盈利)。
2、本站所有内容均由合作方或网友上传,本站不对文档的完整性、权威性及其观点立场正确性做任何保证或承诺!文档内容仅供研究参考,付费前请自行鉴别。
3、如文档内容存在违规,或者侵犯商业秘密、侵犯著作权等,请点击“违规举报”。

碎片内容

2025年竹胶模板方案

您可能关注的文档

确认删除?
VIP
微信客服
  • 扫码咨询
会员Q群
  • 会员专属群点击这里加入QQ群
客服邮箱
回到顶部