电脑桌面
添加小米粒文库到电脑桌面
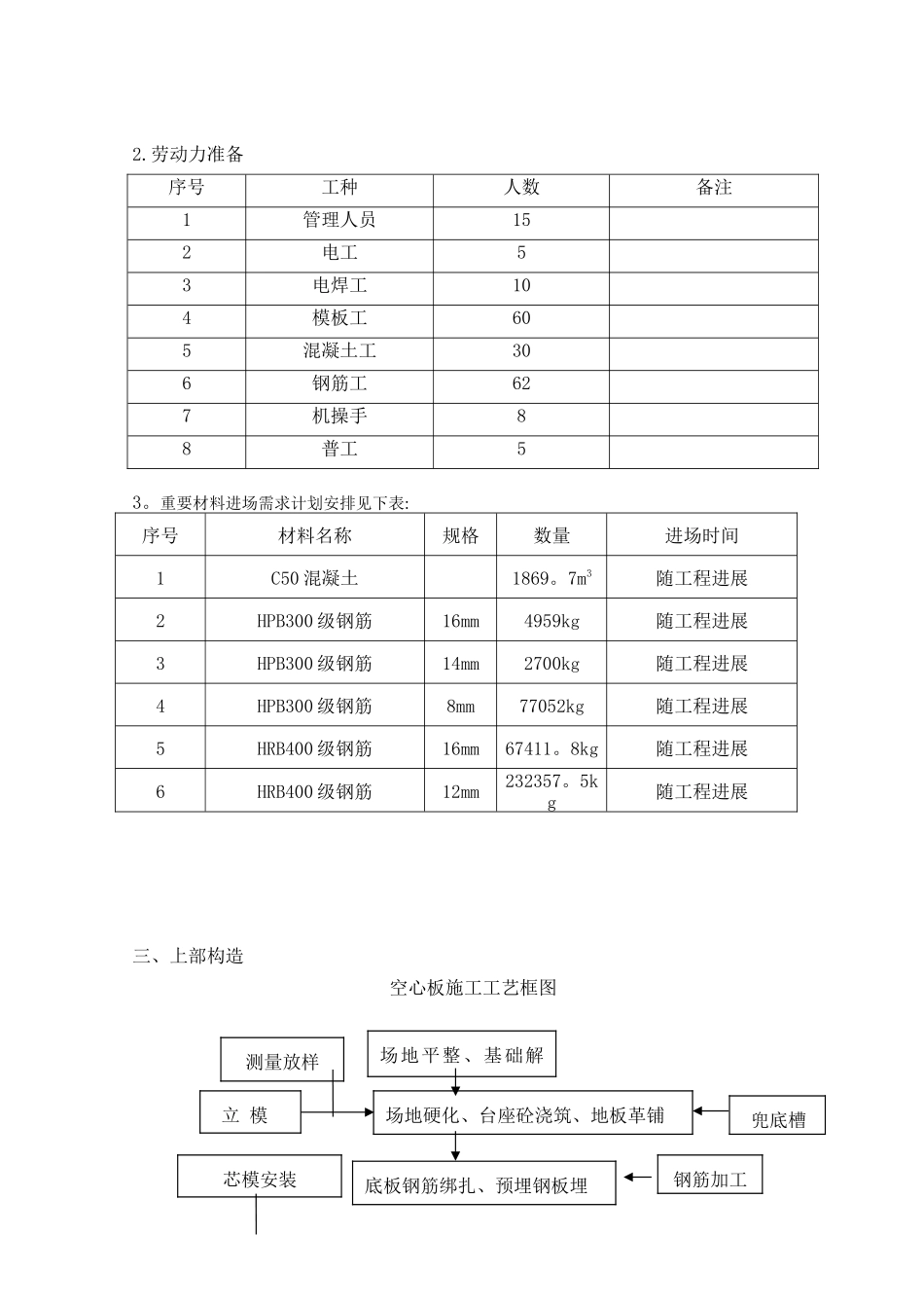
安装后可以在桌面快捷访问

2025年预制空心板梁施工方案VIP免费

2025年预制空心板梁施工方案_第1页
1/9
2025年预制空心板梁施工方案_第2页
2/9
2025年预制空心板梁施工方案_第3页
3/9
阿拉尔市塔里木大道交通桥工程预制空心板专项施工方案承包人:新疆阿拉尔南口建筑公司309项目部日期:7月3日一、工程概况预制场选址:根据施工现场实际状况,预制场设立在本工程北侧,具体内容详见施工现场平面布置图;本桥梁工程上部构造采用9—20m预应力钢筋砼空心板,梁长为19.96m,高0。95米,全桥共306片梁。二、施工布署1.施工机械准备序号设备名称规格型号出厂厂家数量新旧程度备注1装载机50夏工2台新2挖掘机250/320神钢/卡特2台新3洒水车8方东风3新4空心板定型空模板新疆10套新5强制式搅拌机1000/上海2个新6配料机1200/16002个7张拉、注浆成套设备数控150t同禾2套新8吊车25T2台新9吊车50T4台新10夯板机4台新11电焊机A250上海7台新12型材切割机上海4台新13钢筋切割机4台14钢筋弯曲机5台15钢筋调直机4台16滚丝机4台17平板式振捣板上海4台新18罐车4辆新19插入式振捣器5015个20平板运输车25m1台21吊车16t1台22装载机204台23附着式震动板4台24蒸汽锅炉5台25发电机315KW1台2.劳动力准备序号工种人数备注1管理人员152电工53电焊工104模板工605混凝土工306钢筋工627机操手88普工53。重要材料进场需求计划安排见下表:序号材料名称规格数量进场时间1C50混凝土1869。7m3随工程进展2HPB300级钢筋16mm4959kg随工程进展3HPB300级钢筋14mm2700kg随工程进展4HPB300级钢筋8mm77052kg随工程进展5HRB400级钢筋16mm67411。8kg随工程进展6HRB400级钢筋12mm232357。5kg随工程进展三、上部构造空心板施工工艺框图场地硬化、台座砼浇筑、地板革铺场地平整、基础解决底板钢筋绑扎、预埋钢板埋钢筋加工立模芯模安装测量放样兜底槽搭设暖棚1、施工准备1)、预制梁场地、钢筋加工棚场地、砂石料场地进行40cm天然砂砾回填、平整、洒水、碾压场地平整以及场地C10砼硬化。2)、对解决好的硬化地基,用C30砼浇筑台座20m*1.24m*0。3m作为空心板底模,部分地方加筋埋设。台座两端1.5m范畴内设立一层φ8钢筋网片,双向间距为15cm.台座模板安装固定用对拉螺杆来完毕,预埋φ25mmUPVC套管,间距为50cm。台座空心板吊点处设立10cm宽,8cm深的兜底槽,为确保兜底吊装,需每次吊装完重新对台座兜底槽进行抹砂浆(M15)。3)、由于场地面积有限,我部累计浇筑73个台座,台座砼浇筑完毕,对预制梁场台座四周设立20m*0.3m*0。1mr=0。05m的C30混凝土排水沟,避免积水影响台座基础产生不均匀的沉降.4)、拌合站的建设检查合格波纹管、锚垫板安装混凝土浇筑拆模蒸汽养侧模、端模安装模板保养、安放做混凝土试压块腹板、顶板钢筋绑扎穿束、锚具安孔道压浆堵头安装、封锚编号寄存割束制作压浆试块钢绞线数控张拉混凝土强度报告数控张垃机准凿毛吊装滴灌养护搭设暖棚蒸汽养护减震橡胶块安装吊装由于空心板砼为高标号混凝土、水化热较大不利于长途运输,我部采用自拌混凝土,在梁场架设一台1200型、一台1000型拌合站,1000型拌合站作为备用。5)、在工程开始前,确保空心板施工人员、机械、材料的正常进场及完毕进场人员的安全教育.空心板侧模、端模以及芯模采用定型钢模,空心板台座清理后,铺设地板革后即可进行钢筋成型和安装。2、钢筋加工及模板安装1)、钢筋加工在钢筋加工场完毕,其水平运输采用25m平板车完毕。钢筋绑扎及支模在预制场完毕。钢筋连接:以丝接为主;绑扎或焊接,其接头总数均不能在同一断面上不不大于50%,其绑扎搭接、焊接搭接长度必须符合设计规范规定,严格按照图纸施工。2)、在空心板预制场台座上先进行空心板底板及腹板钢筋绑扎,并按设计坐标布设波纹管及定位筋。绑扎时必须按设计图纸及施工规范进行,保持钢筋间距、尺寸精确.钢筋保护层采用砼垫块形成且保护层厚度满足设计规定。上述每道工序须经监理工程师验收合格后,方可进行下一道工序。3)、模板垂直运输采用16T吊车,水平运输采用50装载机,模板安装由机械、人工配合来完毕.底板及腹板钢筋绑扎好后方可进行芯模安装,安装次序从梁的一端依次组装至另一端。为确保芯模的位置及底板厚度,必须设立@700mmφ16马蹬筋,每根长1。2m。4)、芯模安装后,即可进行顶板钢筋绑扎;5)、顶板钢筋绑扎完后方可进行侧模、端模安装。先在端模上安装锚垫板,锚垫板...

1、当您付费下载文档后,您只拥有了使用权限,并不意味着购买了版权,文档只能用于自身使用,不得用于其他商业用途(如 [转卖]进行直接盈利或[编辑后售卖]进行间接盈利)。
2、本站所有内容均由合作方或网友上传,本站不对文档的完整性、权威性及其观点立场正确性做任何保证或承诺!文档内容仅供研究参考,付费前请自行鉴别。
3、如文档内容存在违规,或者侵犯商业秘密、侵犯著作权等,请点击“违规举报”。

碎片内容

2025年预制空心板梁施工方案

您可能关注的文档

确认删除?
VIP
微信客服
  • 扫码咨询
会员Q群
  • 会员专属群点击这里加入QQ群
客服邮箱
回到顶部