电脑桌面
添加小米粒文库到电脑桌面
安装后可以在桌面快捷访问

2025年生产计划与控制VIP免费

2025年生产计划与控制_第1页
1/8
2025年生产计划与控制_第2页
2/8
2025年生产计划与控制_第3页
3/8
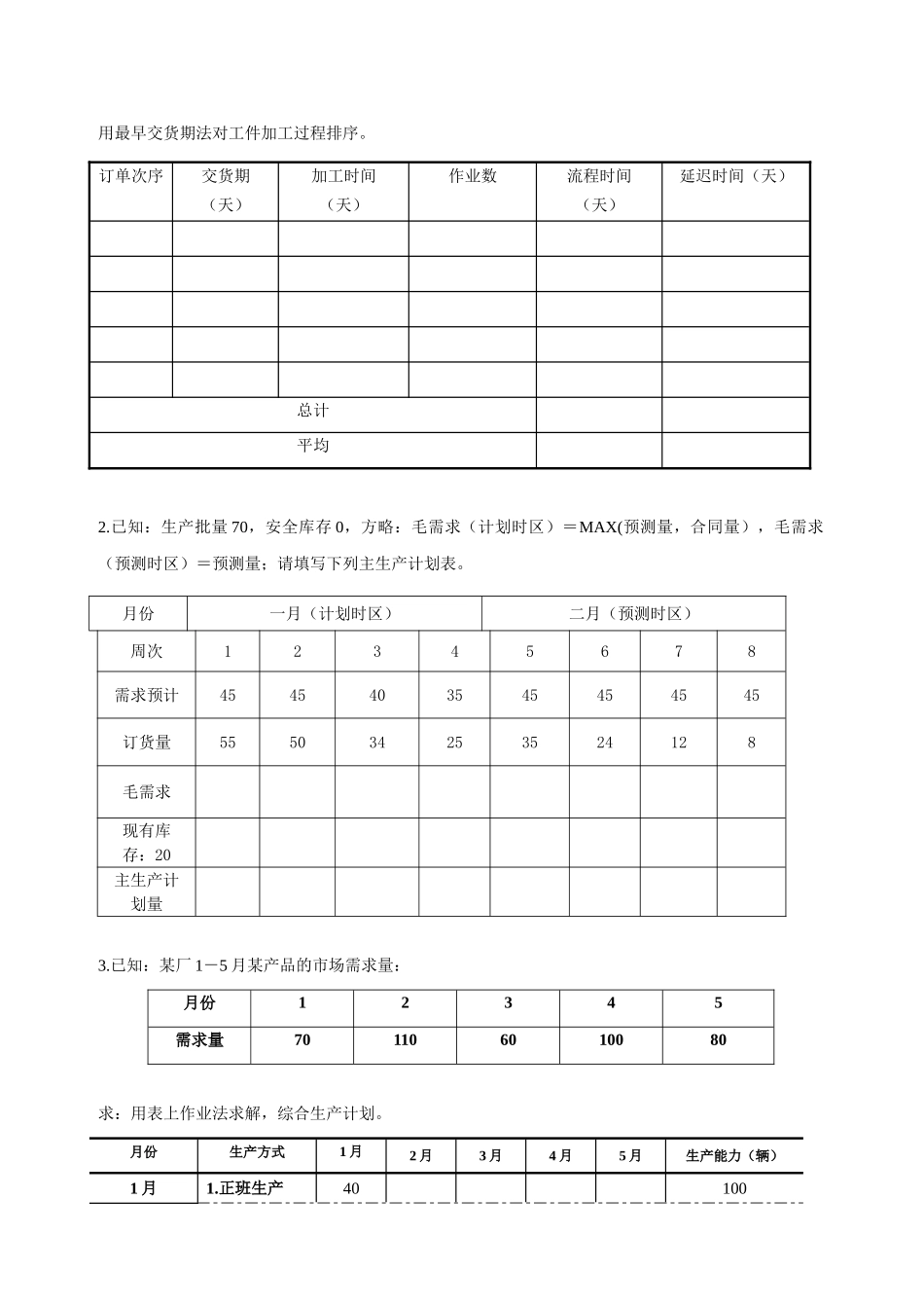
浙江工业大学201*年试卷课程:生产计划与控制班级:姓名:题序一二三四五总评计分一、单选题(本大题共5小题,每小题3分,共15分)1.综合生产计划的时间周期普通是()A、六个月B、1年C、5年D、2.在生产预测中,时间序列的构成因素有:趋势成分、季节成分、、随机成分。()A、不规则成分B、周期成分C、循环成分D、中期成分3.德尔菲法是属于哪种预测办法()A、定量办法B、定性办法C、因果分析法D、回归分析模式4.物流需求计划的计划对象是()A、最后产品B、独立需求产品C、有关需求产品D、成组产品5.车间作业计划与控制的信息源重要来自于()。A、车间计划文献和控制文献B、工作中心文献和车间任务文献C、车间计划文献和车间任务文献D、工艺路线文献和控制文献二、简答题(本大题共5小题,共25分)1.生产管理的目的2.能力计划的作用3.库存ABC分类法及其基本思想4.生产作业排序普通达成的五个目的5.综合生产计划有关成本三、计算题(本大题共3题,每小题10分,共30分)1.假设有5个工件J1、J2、J3、J4、J5在某台设备上加工的时间及交货期见下表:工件号J1J2J3J4J5作业时间38925交货期7102367用最早交货期法对工件加工过程排序。订单次序交货期(天)加工时间(天)作业数流程时间(天)延迟时间(天)总计平均2.已知:生产批量70,安全库存0,方略:毛需求(计划时区)=MAX(预测量,合同量),毛需求(预测时区)=预测量;请填写下列主生产计划表。月份一月(计划时区)二月(预测时区)周次12345678需求预计4545403545454545订货量555034253524128毛需求现有库存:20主生产计划量3.已知:某厂1-5月某产品的市场需求量:月份12345需求量701106010080求:用表上作业法求解,综合生产计划。月份生产方式1月2月3月4月5月生产能力(辆)1月1.正班生产401002.加班生产41503.分包生产42102月1.正班生产401002.加班生产41503.分包生产42103月1.正班生产401002.加班生产41503.分包生产42104月1.正班生产401002.加班生产41503.分包生产42105月1.正班生产401002.加班生产41503.分包生产4210需求量(辆)701106010080综合生产计划表1月2月3月4月5月需求量701106010080计划数正班生产加班生产分包生产库存数四、案例分析题(本大题共2题,第1,2题各15分,共30分)案例分析(一)DR柴油机修理厂的生产控制系统DR柴油机修理厂在多个柴油机发动机修理方面始终处在行业领先地位。该厂位于中原地带,成立与1988年,当时是由十几个技术能手白手起家,起初重要修理汽车发动机、船用柴油机等。后来,修理范畴逐步扩大到修理多个类型的柴油机。由于柴油机型号不一,该修理厂的生产只能按照客户提供的机型进行专项修理,经常造成修理周期过长。单由于其在顾客中树立的良好形象,排队待修的现象时有发生。近几年,该厂开始注意适宜减少柴油机的修理种类,并增加专用的配件修理设备,使人机配合及效率达成最佳。该修理厂针对柴油机配件的型号种类,从国外采购了先进的加工范畴广阔的曲轴车床和磨床,与中科院合作,设计并制造了万能凸轮轴磨床。另外,采用“自己加工,有关配件外购”的方式,设计并组装了复合式柴油机实验台等。这些设备的投入使用,极大地提高了生产率和修理质量。但是在生产过程中,该厂仍采用传统的运作方式,多个设备和技术工人的使用率并没有得到很大提高,并且,因行业的凝聚效应,该厂周边聚集了大量的修理厂,加剧了该行业的竞争。近几个月来,许多老客户都在埋怨修理价格太高、服务较差,并存在批量修理转向其它厂家的现象。为此,工厂邀请了一种咨询机构对他的生产系统作了一次调研。该咨询机构的调研报告以下:(1)各个车间内部基本上含有生产加工修理能力,修理流水线上的多个条件基本含有。(2)多个专用设备和加工人员的配备符合生产的规定,但某些通用机床存在失修、靠近报废的状况;同时,专用工装及夹具相称缺少,造成柴油机的部分派件加工时间延长和质量下降。各专用重点设备还存在使用不合理、安排时间混乱的现象。(3)由于车间存在大量生产失控的现象,因此必须进行有针对性的改善。在生产控制系统中存在的问题重要反映在下列几个方面:①在修件库存高,几乎全...

1、当您付费下载文档后,您只拥有了使用权限,并不意味着购买了版权,文档只能用于自身使用,不得用于其他商业用途(如 [转卖]进行直接盈利或[编辑后售卖]进行间接盈利)。
2、本站所有内容均由合作方或网友上传,本站不对文档的完整性、权威性及其观点立场正确性做任何保证或承诺!文档内容仅供研究参考,付费前请自行鉴别。
3、如文档内容存在违规,或者侵犯商业秘密、侵犯著作权等,请点击“违规举报”。

碎片内容

2025年生产计划与控制

读万卷书+ 关注
实名认证
内容提供者

各类经典PPT文档分享

确认删除?
VIP
微信客服
  • 扫码咨询
会员Q群
  • 会员专属群点击这里加入QQ群
客服邮箱
回到顶部