电脑桌面
添加小米粒文库到电脑桌面
安装后可以在桌面快捷访问

2025年结构设计规范VIP专享VIP免费

2025年结构设计规范_第1页
1/11
2025年结构设计规范_第2页
2/11
2025年结构设计规范_第3页
3/11
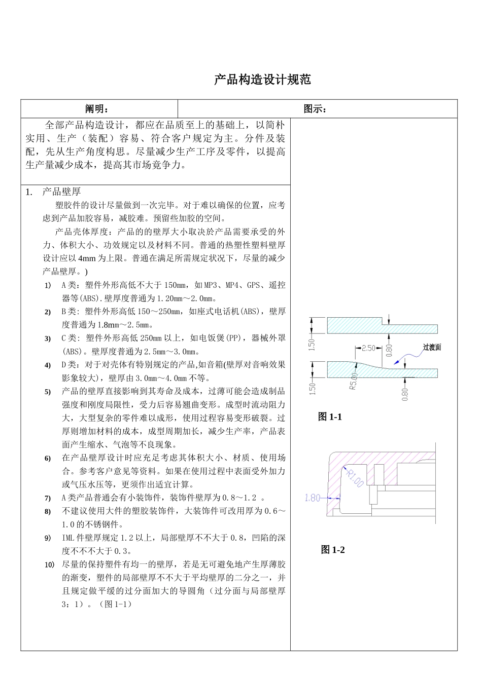
产品构造设计规范阐明:图示:全部产品构造设计,都应在品质至上的基础上,以简朴实用、生产(装配)容易、符合客户规定为主。分件及装配,先从生产角度构思。尽量减少生产工序及零件,以提高生产量减少成本,提高其市场竟争力。图1-1图1-21.产品壁厚塑胶件的设计尽量做到一次完毕。对于难以确保的位置,应考虑到产品加胶容易,减胶难。预留些加胶的空间。产品壳体厚度:产品的的壁厚大小取决於产品需要承受的外力、体积大小、功效规定以及材料不同。普通的热塑性塑料壁厚设计应以4mm为上限。普通在满足所需规定状况下,尽量的减少产品壁厚。)1)A类:塑件外形高低不大于150mm,如MP3、MP4、GPS、遥控器等(ABS).壁厚度普通为1.20mm~2.0mm。2)B类:塑件外形高低150~250mm,如座式电话机(ABS),壁厚度普通为1.8mm~2.5mm。3)C类:塑件外形高低250mm以上,如电饭煲(PP),器械外罩(ABS)。壁厚度普通为2.5mm~3.0mm。4)D类:对于对壳体有特别规定的产品,如音箱(壁厚对音响效果影象较大),壁厚由3.0mm~4.0mm不等。5)产品的壁厚直接影响到其寿命及成本,过薄可能会造成制品强度和刚度局限性,受力后容易翘曲变形。成型时流动阻力大,大型复杂的零件难以成形,使用过程容易变形破裂。过厚则增加材料的成本,成型周期加长,减少生产率,产品表面产生缩水、气泡等不良现象。6)在产品壁厚设计时应充足考虑其体积大小、材质、使用场合。参考客户意见等资料。如果在使用过程中表面受外加力或气压水压等,更须作出适宜计算。7)A类产品普通会有小装饰件,装饰件壁厚为0.8~1.2。8)不建议使用大件的塑胶装饰件,大装饰件可改用厚为0.6~1.0的不锈钢件。9)IML件壁厚规定1.2以上,局部壁厚不不大于0.8,凹陷的深度不不不大于0.3。10)尽量的保持塑件有均一的壁厚,若是无可避免地产生厚薄胶的渐变,塑件的局部壁厚不不大于平均壁厚的二分之一,并且规定做平缓的过分面加大的导圆角(过分面与局部壁厚3:1)。(图1-1)11)塑件转角位置用圆角过渡(图1-2)。锋利的圆角位普通会造成部件有缺点及应力集中,尖角的位置亦常在电镀过程後引发不但愿的物料聚积。集中应力的地方会在受负载或撞击的时候破裂。较大的圆角提供了这种缺点的解决办法,不仅减低应力集中的因素,且令流动的塑料流得更畅顺和成品脱模时更容易。圆角是壁厚的0.2~0.6,抱负数值是壁厚的0.5。2.止口:止口在产品的组合中起到互相之间的定位、加固装配和调节接合线(夹口)的平整的作用。惯用的有单止口和双止口(见图2-1)。1)大部分产品使用的都是单止口,凸止口宽普通来为壁厚的0.45倍。高为宽度的1~1.5倍。(惯用高度有0.8mm,1.0mm,1.2mm,1.5mm,2.0mm。体积大的产品尚有3.0mm,4.0mm)。2)双止口的使用相对会少。普通用于防水或比较密封和须要用打胶方式固定的产品。尚有胶位厚的产品也惯用。3)凹凸止口的间隙普通单边为0.05mm~0.2mm(惯用有0.05mm,0.08mm,0.10mm,0.15mm)。4)止口的宽度设计规定不不大于0.70mm。要注意凹止口底面到产品外表面距离过于单薄而产不良痕迹。(如图2-2)5)A类产品侧壁厚规定1.8mm以上,凸止口为0.8x1.0(宽x长)或1.0x1.0。凹凸止口的间隙为0.05,加3·的拔摸角。B类产品侧壁厚规定2.3mm以上,凸止口为1.0x1.0或1.2x1.5。凹凸止口的间隙为0.08,加3·的拔摸角。C类产品侧壁厚规定3.0以上,止口为1.5x1.5或1.5x2.0。凹凸止口的间隙为0.15,加3·的拔摸角。图2-1图2-23.装饰线(美观线):产品的配合装饰线间隙(高)尺寸因其体积的大小而不一。设计时应考虑装饰线与产品整体的协调。普通有(0.30mm,0.50mm,0.8mm,1.0mm。)宽度普通有(0.30mm,0.50mm,1.0mm)。A类产品装饰线为0.3x0.3。B类产品装饰线为0.5x0.5。C类产品装饰线为0.8x0.8。装饰线与凹凸止口的间隙关系设计如(图3-1)。图3-14.拔模:1)产品在其出模方向全部与模穴有磨擦的面积都应有拔模角,在构造设计前要具体检查表面有无无法出模现象。拔模角在产外观与构造允许的状况下尽量加大,以方便产品加工生产。2)对于外部有蚀纹工艺规定产品,跟据蚀纹的粗细和深度拔模角也对应不同(精确数据可参考对应的纹板)。普通用的为0.5~5度。特别对于较粗蚀...

1、当您付费下载文档后,您只拥有了使用权限,并不意味着购买了版权,文档只能用于自身使用,不得用于其他商业用途(如 [转卖]进行直接盈利或[编辑后售卖]进行间接盈利)。
2、本站所有内容均由合作方或网友上传,本站不对文档的完整性、权威性及其观点立场正确性做任何保证或承诺!文档内容仅供研究参考,付费前请自行鉴别。
3、如文档内容存在违规,或者侵犯商业秘密、侵犯著作权等,请点击“违规举报”。

碎片内容

2025年结构设计规范

您可能关注的文档

确认删除?
VIP
微信客服
  • 扫码咨询
会员Q群
  • 会员专属群点击这里加入QQ群
客服邮箱
回到顶部