电脑桌面
添加小米粒文库到电脑桌面
安装后可以在桌面快捷访问

2025年铜的加工冶炼工艺流程VIP免费

2025年铜的加工冶炼工艺流程_第1页
1/9
2025年铜的加工冶炼工艺流程_第2页
2/9
2025年铜的加工冶炼工艺流程_第3页
3/9
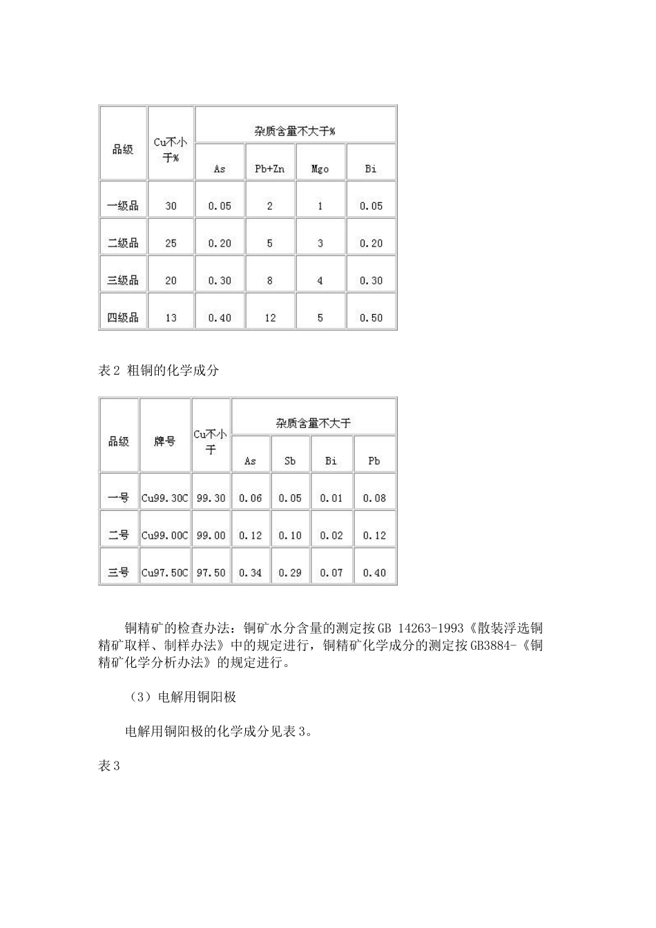
铜的加工冶炼工艺流程3.1.1原材料(1)铜精矿在自然界中自然铜存量极少,普通多以金属共生矿的形态存在。铜矿石中常伴生有多个重金属和稀有金属,如金、银、砷、锑、铋、硒、铅、碲、钴、镍、钼等。根据铜化合物的性质,铜矿物可分为自然铜、硫化矿和氧化矿三种类型,重要以硫化矿和氧化矿,特别是硫化矿分布最广,现在世界钢产量的90%左右来自硫化矿。铜矿石经选矿富集获得精矿,常见为褐色、灰色、黑褐色、黄绿色,成粉状,粒度普通不大于0.074mm。含铜量13-30%,按行业原则YS/T318-1997《铜精矿》的规定,其化学成分和产品分类如表1。(2)未精炼铜按国标GB/T11086-1989《铜及铜合金术语》规定,未精炼铜涉及冰铜、黑铜、沉淀铜和粗铜。冰铜重要由硫化亚铜和硫化亚铁构成的中间产品,黑铜普通用彭风炉熔炼废杂铜或氧化铜矿石而产生的含杂质较多的铜,铜含量普通为60%-85%。沉淀铜普通用铁从含铜的溶液中置换,沉淀而获得的铜和氧化铜的不纯混合物,干量计算铜含量普通约50%-85%。粗铜是用转炉吹炼冰铜而产生的纯度不高的铜,粗铜中铜的含量普通约为98%,本原则中规定的未精炼铜,重要指的是粗铜。粗铜按行业原则YS/T70-1993《粗铜》的规定,按化学成分分为三个品级,见表2。表1铜精矿的化学成分及分类表2粗铜的化学成分铜精矿的检查办法:铜矿水分含量的测定按GB14263-1993《散装浮选铜精矿取样、制样办法》中的规定进行,铜精矿化学成分的测定按GB3884-《铜精矿化学分析办法》的规定进行。(3)电解用铜阳极电解用铜阳极的化学成分见表3。表3(4)铜废碎料铜废碎料涉及的范畴较广,涉及紫铜、黄铜、青铜、白铜的废杂料,本原则规定的铜废碎料仅指紫杂铜。紫杂铜为铜制品所产生的各类废料、废件。如废旧电缆、紫铜管、棒、板、块、带及带薄镀层的上述材料和其它非合金类铜废料等。有下列5种分类及规格:第1类:(a)紫铜管、棒、板、块、带,表面干净,无油泥和其它沾附、夹杂。(b)多个裸铜线、短线和其它纯铜废料。第2类:(a)1类铜废料中混有纸屑、多个绝缘材料、少量油泥、锈垢、杂物,但重量必须不大于1%。(b)直径0.3mm以上的漆包线,无污物和杂物。第3类:多个报废的纯铜或有薄镀锌层的纯铜电器开关,零部件。第4类:(a)直径0.1-0.3mm的漆包线。(b)有油泥或少量其它夹杂的漆包线。(C)干净、发脆的火烧线。第5类:多个纯铜水箱、蒸发器、热交换器具、但其内部不得有充填物,只允许有少量自然形成的水垢。3.1.2阴极铜(1)阴极铜的品质规定铜精矿由电解精炼法或电解沉积法生产得到阴极铜。按国标GB/T467-1997《阴极铜》的规定,阴极铜按化学成分分为高纯阴极铜(Cu-CATH-1)和原则阴极铜(Cu-CATH-2)和两个牌号,见表4、表5:表5原则阴极铜(Cu-CATH-2)化学成分%阴极铜的实验办法:高纯阴极铜化学成分的仲裁分析办法按GB/T13293-1991《高纯阳极铜化学分析办法》的规定进行,原则阴极铜化学成分的仲裁分析办法按GB/T5121-1996《铜及铜合金化学分析办法》的规定进行。表面质量用目视检测。(3)铜的性质及用途铜在元素周期表中,原子序数为29,属第一副族。其性质为:①物理性质铜是一种玫瑰红色金属,柔软、有金属光泽,密度为8.92克/厘米3,溶点为1083.5℃,沸点为2595℃,富于延展性,易弯曲,强度较好,在导电性和导热性方面,铜仅次于银,居第二位,它能够进行冷热压力加工,由于其含有面心立方晶格,铜及其化合物无磁性。熔点时铜的蒸气压很小,因而在冶金过程温度下,不易挥发。②化学性质液体铜能溶解某些气体,H2、O2、SO2、CO2、CO和水蒸气等,溶解气体对铜的机械性质及导电性都有一定影响,纯铜在常温下与干燥空气和湿空气不起作用,但在CO2湿空气中,表面会产生绿色薄膜CuCO3Cu(OH)2又称铜绿,它能确保铜不再被腐蚀。铜在空气中加热到185℃即开始与氧作用,表面生成一层暗红色铜氧化物,当温度高于350℃时,铜颜逐步从玫瑰色变成黄铜色,最后变成黑色。铜不能溶解于硝酸和有氧化剂存在的硫酸中,铜能溶解于氨水中,也能与氧、卤等元素直接化合。以铜为基体的合金称为铜合金,铜加入合金元素后,可变化其某些机械性能...

1、当您付费下载文档后,您只拥有了使用权限,并不意味着购买了版权,文档只能用于自身使用,不得用于其他商业用途(如 [转卖]进行直接盈利或[编辑后售卖]进行间接盈利)。
2、本站所有内容均由合作方或网友上传,本站不对文档的完整性、权威性及其观点立场正确性做任何保证或承诺!文档内容仅供研究参考,付费前请自行鉴别。
3、如文档内容存在违规,或者侵犯商业秘密、侵犯著作权等,请点击“违规举报”。

碎片内容

2025年铜的加工冶炼工艺流程

您可能关注的文档

确认删除?
VIP
微信客服
  • 扫码咨询
会员Q群
  • 会员专属群点击这里加入QQ群
客服邮箱
回到顶部