电脑桌面
添加小米粒文库到电脑桌面
安装后可以在桌面快捷访问

2025年连续梁块支架预压三级交底VIP专享VIP免费

2025年连续梁块支架预压三级交底_第1页
1/6
2025年连续梁块支架预压三级交底_第2页
2/6
2025年连续梁块支架预压三级交底_第3页
3/6
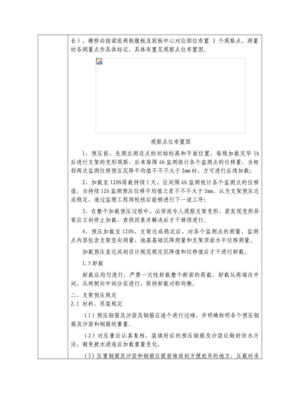
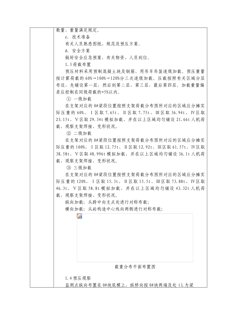
单位工程交底时间.3分项工程0#块支架预压工程部位接受班组工程数量2进度规定管理部门工程部质量标准施工程序及操作要点一、预压施工办法1.1预压施工流程以下图:1.2预压施工前期工作a.支架、底模板的检查验收支架、底模板按照图纸和规范规定进行施工与搭设完毕,并进行验收,验收合格后方可进行预压施工。b.施工接卸、材料准备施工机械到场,检查其机械性能,良好;混凝土钢筋及沙袋的规格、持续梁支座垫石施工安全三级技术交底数量、重量满足规定。c.技术准备有关人员熟悉图纸、规范及预压方案。d.安全方案做好安全应急预案,有关物资、人员到位。1.3荷载布置预压材料采用预制混凝土块及钢筋,用吊车吊装逐级加载。预压重量按计算荷载的60%→100%→120%分三次逐级加载。压载按照有关区域分层布设,先铺设第一层,然后到第二层,第三层,最后第四层。加载重量偏差应控制在同级荷载的+5%以内。①一级加载在支架对应的0#梁段位置按照支架荷载分布图所对应的区域应分摊实际压重的60%,Ⅰ区取7.65t、Ⅱ区取7.75t、Ⅲ区取36.94t、Ⅳ区取23.15t、Ⅴ区取29.34t模拟加载,并在以上区域均匀铺设21.66t人机荷载,观察支架焊接、变形状况。②二级加载在支架对应的0#梁段位置按照支架荷载分布图所对应的区域应分摊实际压重的100%,Ⅰ区取12.75t、Ⅱ区取12.92t、Ⅲ区取61.57t、Ⅳ区取38.58t、Ⅴ区取48.996t模拟加载,并在以上区域均匀铺设36.1t人机荷载,观察支架焊接、变形状况。③三级加载在支架对应的0#梁段位置按照支架荷载分布图所对应的区域应分摊实际压重的120%,Ⅰ区取15.3t、Ⅱ区取15.5t、Ⅲ区取73.88t、Ⅳ区取46.3t、Ⅴ区取58.8t模拟加载,并在以上区域均匀铺设43.32t人机荷载,观察支架焊接、变形状况。纵向加载:从跨中向支点处进行对称布载;横向加载:从砼构造中心线向两侧进行对称布载;载重分布平面布置图1.4预压观察监测点纵向布置在0#块底模上,纵桥向按0#块两端及处(L为梁长),横桥向按梁底两侧腹板及底板中心对应部位布置3个观察点,测量时各测量点作具体标记,具体布置见观察点位布置图。观察点位布置图1、预压前,先测出测设点的初始标高和平面位置,每级加载完毕1h后进行支架的变形观察,后来每隔6h监测统计各个监测点的位移量,当相邻两次监测位移预压沉降平均值不不不大于2mm时,方可进行后续加载;2、加载至120%荷载持续1天,应间隔6h监测统计各个监测点的位移值,当持续12h监测预压位移平均值之差不不不大于2mm,认为支架预压达成稳定,通过监理工程师校核后能够进行下一道工序;3、在整个加载预压过程中,必须派专人观察支架变形,若发现变形异常应立刻停止加载,查找因素并解决后才干继续进行。4、预压加载至120%、支架达成稳定后,对各个监测点的测量,监测点内容包含支架竖向测量、地基基础沉降测量和支架顶面水平位移测量。加载预压直达成到设计规范规定沉降值和位移值后才干进行卸载。1.5卸载卸载应均匀进行,严禁一次性卸载整个断面的荷载,卸载从两端往中间,从两侧向中间分层进行,保持卸载对称均衡。二、支架预压规定2.1材料、吊装规定(1)预压钢筋及沙袋及钢筋应逐个进行过磅,并明确标明各个预压钢筋及沙袋和钢筋的重量。(2)对压重应认真复核,装填好后的预压钢筋及沙袋应做好防水方法,避免被水浸泡后加载重量变化。(3)压重钢筋及沙袋和钢筋应提前堆放到方便起吊的地方,压载时采用两台吊车,对大、小里程两端托架同时、对称、分层、分级加载,严禁集中加载。(4)为方便计算和现场施工控制,确保每个预压钢筋及沙袋和钢筋的重量精确性,预压过程中使用吊车分码吊至对应预压单元后由人工配合卸钩等作业。加载过程中由技术人员现场控制加载重量及加载位置,避免出现过大误差。(5)铺设底模、侧模后测量前应加强模板的全方面检查,确保模板在荷载作用下无异常变形。(6)荷载吊装时应采专人指挥避免吊装物撞击支架造成支架破坏。(7)荷载堆放严格按照次序压载,预压钢筋及沙袋堆码需互相重叠,并采用支撑方法避免钢筋及沙袋跌落。4.2预压堆载规定(1)预压钢筋及沙袋沿梁体混凝土构造纵横对称进行堆码每级加载宜一次性加载完毕。(2)预压钢...

1、当您付费下载文档后,您只拥有了使用权限,并不意味着购买了版权,文档只能用于自身使用,不得用于其他商业用途(如 [转卖]进行直接盈利或[编辑后售卖]进行间接盈利)。
2、本站所有内容均由合作方或网友上传,本站不对文档的完整性、权威性及其观点立场正确性做任何保证或承诺!文档内容仅供研究参考,付费前请自行鉴别。
3、如文档内容存在违规,或者侵犯商业秘密、侵犯著作权等,请点击“违规举报”。

碎片内容

2025年连续梁块支架预压三级交底

您可能关注的文档

读万卷书+ 关注
实名认证
内容提供者

各类经典PPT文档分享

确认删除?
VIP
微信客服
  • 扫码咨询
会员Q群
  • 会员专属群点击这里加入QQ群
客服邮箱
回到顶部