电脑桌面
添加小米粒文库到电脑桌面
安装后可以在桌面快捷访问

2025年套管在线监测资料简介VIP免费

2025年套管在线监测资料简介_第1页
1/8
2025年套管在线监测资料简介_第2页
2/8
2025年套管在线监测资料简介_第3页
3/8
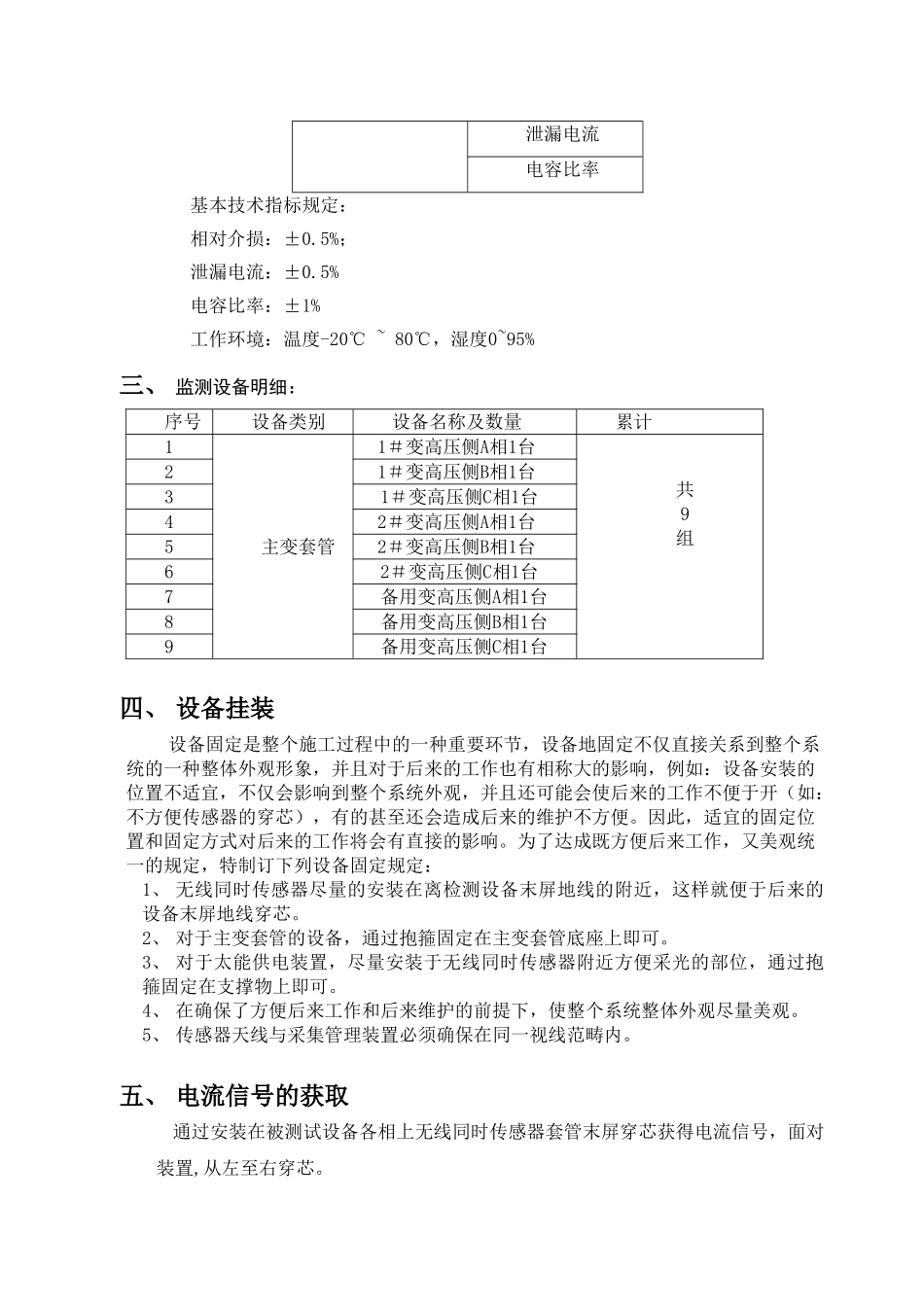
基于无线传感技术的主变套管在线监测系统技术资料一、设备介绍电力系统的规模日益庞大,当代工业和人类文明对电力系统供电可靠性和优质性的规定与日俱增。要经营这样一种超大规模的工业系统,强化当代化科学化管理的意义尤为重要,设备管理是电力公司管理的重要构成部分,在线监测和故障诊疗是当代设备管理的手段和核心所在。供电设备管理的优劣,对设备的健康状况、运行性能以及供电的可靠性影响极大。以设备检修管理为例,过去供电公司长久实施以时间周期为基础的设备定时检修制度。其检修等级、周期,均按照主管部门颁发的全国统一的规程规定执行,检修项目统一,检修间隔统一,检修工期统一。这种传统的检修制度,在以往的定检中也确实发现了设备的缺点和故障,并及时消除,曾起到一定的主动作用。但是,随着供电技术装备水平的提高和进一步,原有检修制度已不适应现有设备的运行需要,因此提出了状态检修的课题。电网设备状态检修是指根据电网设备的运行状态合理安排检修时间和检修项目,其基本思想是:设备应尽量长时间地处在运行状态,只要设备构造和性能即将破坏的临界状态才停运检修,变化以时间为基准的防止性检修为以状态为基准的响应性检修,做到该修才修。因此说,状态检修亦称视情检修、预知检修、适应性检修等。它与“定时计划检修”的重要区别是以实际运行状态取代固定的检修周期。状态检修能够减少停电次数,提高供电可靠性;能够减少检修的费用开支,提高经济效益;能够减少设备事故和避免人身伤亡事故。从设备事故状况来看,其事故率曲线是一种所谓U形曲线,在投入的开始阶段,事故率偏高,后来逐步进入稳定时,直至绝缘老化而发生事故,如果能达成抱负的状态检修,首先能及时反映设备的运行状况,避免事故的发生,另首先可减少停电检修所带来的意外事故和停电时间,从国外资料统计来看,实施状态检修可使每年用于设备的维护修费用减少25%~50%,故障停电时间减少75%,设备寿命大概可提高1.6倍。二、监测重要内容及技术指标设备名称和项目监测参数主变套管相对介损泄漏电流电容比率基本技术指标规定:相对介损:±0.5%;泄漏电流:±0.5%电容比率:±1%工作环境:温度-20℃~80℃,湿度0~95%三、监测设备明细:序号设备类别设备名称及数量累计1主变套管1#变高压侧A相1台共9组21#变高压侧B相1台31#变高压侧C相1台42#变高压侧A相1台52#变高压侧B相1台62#变高压侧C相1台7备用变高压侧A相1台8备用变高压侧B相1台9备用变高压侧C相1台四、设备挂装设备固定是整个施工过程中的一种重要环节,设备地固定不仅直接关系到整个系统的一种整体外观形象,并且对于后来的工作也有相称大的影响,例如:设备安装的位置不适宜,不仅会影响到整个系统外观,并且还可能会使后来的工作不便于开(如:不方便传感器的穿芯),有的甚至还会造成后来的维护不方便。因此,适宜的固定位置和固定方式对后来的工作将会有直接的影响。为了达成既方便后来工作,又美观统一的规定,特制订下列设备固定规定:1、无线同时传感器尽量的安装在离检测设备末屏地线的附近,这样就便于后来的设备末屏地线穿芯。2、对于主变套管的设备,通过抱箍固定在主变套管底座上即可。3、对于太能供电装置,尽量安装于无线同时传感器附近方便采光的部位,通过抱箍固定在支撑物上即可。4、在确保了方便后来工作和后来维护的前提下,使整个系统整体外观尽量美观。5、传感器天线与采集管理装置必须确保在同一视线范畴内。五、电流信号的获取通过安装在被测试设备各相上无线同时传感器套管末屏穿芯获得电流信号,面对装置,从左至右穿芯。六、设备安装示意图*其中未接线处为“空”;“L”、“N”对应于交流电源;“1”、“2”为开关量报警信号输出端子;单一装置安装示意图无线采集管理装置七、管理分析软件整个系统管理分析软件开发完毕,对全站安装的多个在线监测设备采集装置和无线电流传感器进行数据管理,按照指定的时间间隔自动与每个容性设备集中采集装置通讯,读取测量数据,保存在数据库中,并能够做误差初步解决,计算平均值。能够根据规定采用一定的判断规则对所测量的数据分析,给出每个被监测设备的绝缘...

1、当您付费下载文档后,您只拥有了使用权限,并不意味着购买了版权,文档只能用于自身使用,不得用于其他商业用途(如 [转卖]进行直接盈利或[编辑后售卖]进行间接盈利)。
2、本站所有内容均由合作方或网友上传,本站不对文档的完整性、权威性及其观点立场正确性做任何保证或承诺!文档内容仅供研究参考,付费前请自行鉴别。
3、如文档内容存在违规,或者侵犯商业秘密、侵犯著作权等,请点击“违规举报”。

碎片内容

2025年套管在线监测资料简介

读万卷书+ 关注
实名认证
内容提供者

各类经典PPT文档分享

确认删除?
VIP
微信客服
  • 扫码咨询
会员Q群
  • 会员专属群点击这里加入QQ群
客服邮箱
回到顶部