电脑桌面
添加小米粒文库到电脑桌面
安装后可以在桌面快捷访问

2025年塔吊施工技术交底VIP免费

2025年塔吊施工技术交底_第1页
1/4
2025年塔吊施工技术交底_第2页
2/4
2025年塔吊施工技术交底_第3页
3/4
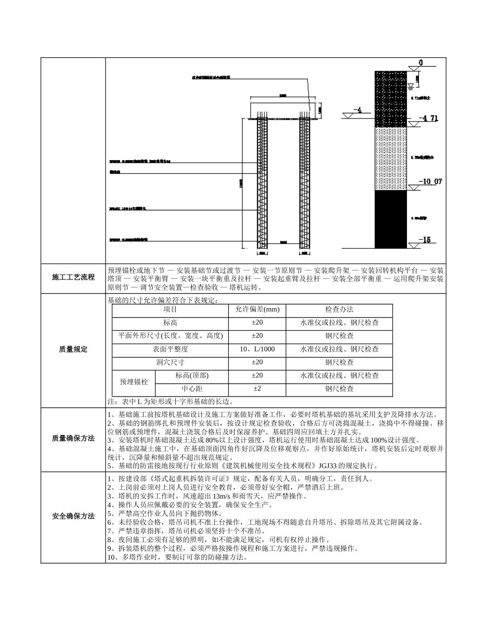
矩形板式桩基础技术交底工程名称塔吊技术交底施工单位江西省建工集团有限责任公司分项工程名称矩形板式桩基础交底部位塔吊基础交底时间/11/10交底内容重要参数塔吊型号QTZ63(TC5610)-中联重科,塔吊起升高度40.5m,起重荷载原则值47.1kN;桩数4根,基础承台厚度1.35m,基础承台长度5.5m,基础承台宽度5.5m,承台长向桩心距3.6m,宽向桩心距3.6m,桩直径900mm,混凝土强度等级C30;承台底长向配筋为HRB400Φ20@120;承台底短向配筋为HRB400Φ20@120;承台顶长向配筋为HRB400Φ20@120;承台顶短向配筋为HRB400Φ20@120;竖向连接筋为双向φ10@500;桩配筋:普通钢筋HRB40012Φ14;安装示意图施工工艺流程预埋锚栓或地下节—安装基础节或过渡节—安装一节原则节—安装爬升架—安装回转机构平台—安装塔顶—安装平衡臂—安装一块平衡重及拉杆—安装起重臂及拉杆—安装全部平衡重—运用爬升架安装原则节—调节安全装置—检查验收—塔机运转。质量规定基础的尺寸允许偏差符合下表规定:项目允许偏差(mm)检查办法标高±20水准仪或拉线、钢尺检查平面外形尺寸(长度、宽度、高度)±20钢尺检查表面平整度10、L/1000水准仪或拉线、钢尺检查洞穴尺寸±20钢尺检查预埋锚栓标高(顶部)±20水准仪或拉线、钢尺检查中心距±2钢尺检查注:表中L为矩形或十字形基础的长边。质量确保方法1、基础施工前按塔机基础设计及施工方案做好准备工作,必要时塔机基础的基坑采用支护及降排水方法。2、基础的钢筋绑扎和预埋件安装后,按设计规定检查验收,合格后方可浇捣混凝土,浇捣中不得碰撞、移位钢筋或预埋件,混凝土浇筑合格后及时保湿养护。基础四周应回填土方并扎实。3、安装塔机时基础混凝土达成80%以上设计强度,塔机运行使用时基础混凝土达成100%设计强度。4、基础混凝土施工中,在基础顶面四角作好沉降及位移观察点,并作好原始统计,塔机安装后定时观察并统计,沉降量和倾斜量不超出规范规定。5、基础的防雷接地按现行行业原则《建筑机械使用安全技术规程》JGJ33的规定执行。安全确保方法1、按建设部《塔式起重机拆装许可证》规定,配备有关人员,明确分工,责任到人。2、上岗前必须对上岗人员进行安全教育,必须带好安全帽,严禁酒后上班。3、塔机的安拆工作时,风速超出13m/s和雨雪天,应严禁操作。4、操作人员应佩戴必要的安全装置,确保安全生产。5、严禁高空作业人员向下抛扔物体。6、未经验收合格,塔吊司机不准上台操作,工地现场不得随意自升塔吊、拆除塔吊及其它附属设备。7、严禁违章指挥,塔吊司机必须坚持十个不准吊。8、夜间施工必须有足够的照明,如不能满足规定,司机有权停止操作。9、拆装塔机的整个过程,必须严格按操作规程和施工方案进行,严禁违规操作。10、多塔作业时,要制订可靠的防碰撞方法。注意事项1、维护与保养:(1)、机械的制动器应经常进行检查和调节制动瓦和制动轮的间隙,以确保制动的灵活可靠,其间隙在0.5-1mm之间,在摩擦面上不应有污物存在,遇有异物即用汽油洗净。(2)、减速箱、变速箱、外啮合齿轮等部分的润滑指标进行添加或更换。(3)、要注意检查个部钢丝绳有无断股和松股现象,如超出有关规定,必须立刻更换。(4)、经常检查各部位的联结状况,如有松动,应予拧紧,塔身联结螺栓应在塔身受压时检查松紧度,全部联结销轴必须带有开口销,并需张开。(5)、安装、拆卸和调节回转机械时,要注意确保回转机械与行星减速器的中心线与回转大齿圈的中心线平行,回转小齿轮与大齿轮圈的啮合面不不大于70%,啮合间隙要适宜。(6)、在运输中尽量设法避免构件变形及碰撞损坏;必须定时检修和保养;经常检查节构联结螺栓,焊缝以及构件与否损坏、变形和松动。2、塔吊的操作使用(1)、塔顶的操作人员必须通过训练,持证上岗,理解机械的构造和使用办法,必须熟知机械的保养和安全操作规程,非安装维护人员未经许可不得攀爬塔机。(2)、塔机的正常工作气温为-20~40度,风速低于20m/s。(3)、在夜间工作时,除塔机本身备有照明外,施工现场应备有充足的照明设备。(4)、在司机室内严禁寄存润滑油,油棉纱及其它易燃易爆物品冬季用电炉取暖时更要注意防火,原则...

1、当您付费下载文档后,您只拥有了使用权限,并不意味着购买了版权,文档只能用于自身使用,不得用于其他商业用途(如 [转卖]进行直接盈利或[编辑后售卖]进行间接盈利)。
2、本站所有内容均由合作方或网友上传,本站不对文档的完整性、权威性及其观点立场正确性做任何保证或承诺!文档内容仅供研究参考,付费前请自行鉴别。
3、如文档内容存在违规,或者侵犯商业秘密、侵犯著作权等,请点击“违规举报”。

碎片内容

2025年塔吊施工技术交底

您可能关注的文档

确认删除?
VIP
微信客服
  • 扫码咨询
会员Q群
  • 会员专属群点击这里加入QQ群
客服邮箱
回到顶部