电脑桌面
添加小米粒文库到电脑桌面
安装后可以在桌面快捷访问

2025年桥梁扩大基础施工技术交底VIP免费

2025年桥梁扩大基础施工技术交底_第1页
1/8
2025年桥梁扩大基础施工技术交底_第2页
2/8
2025年桥梁扩大基础施工技术交底_第3页
3/8
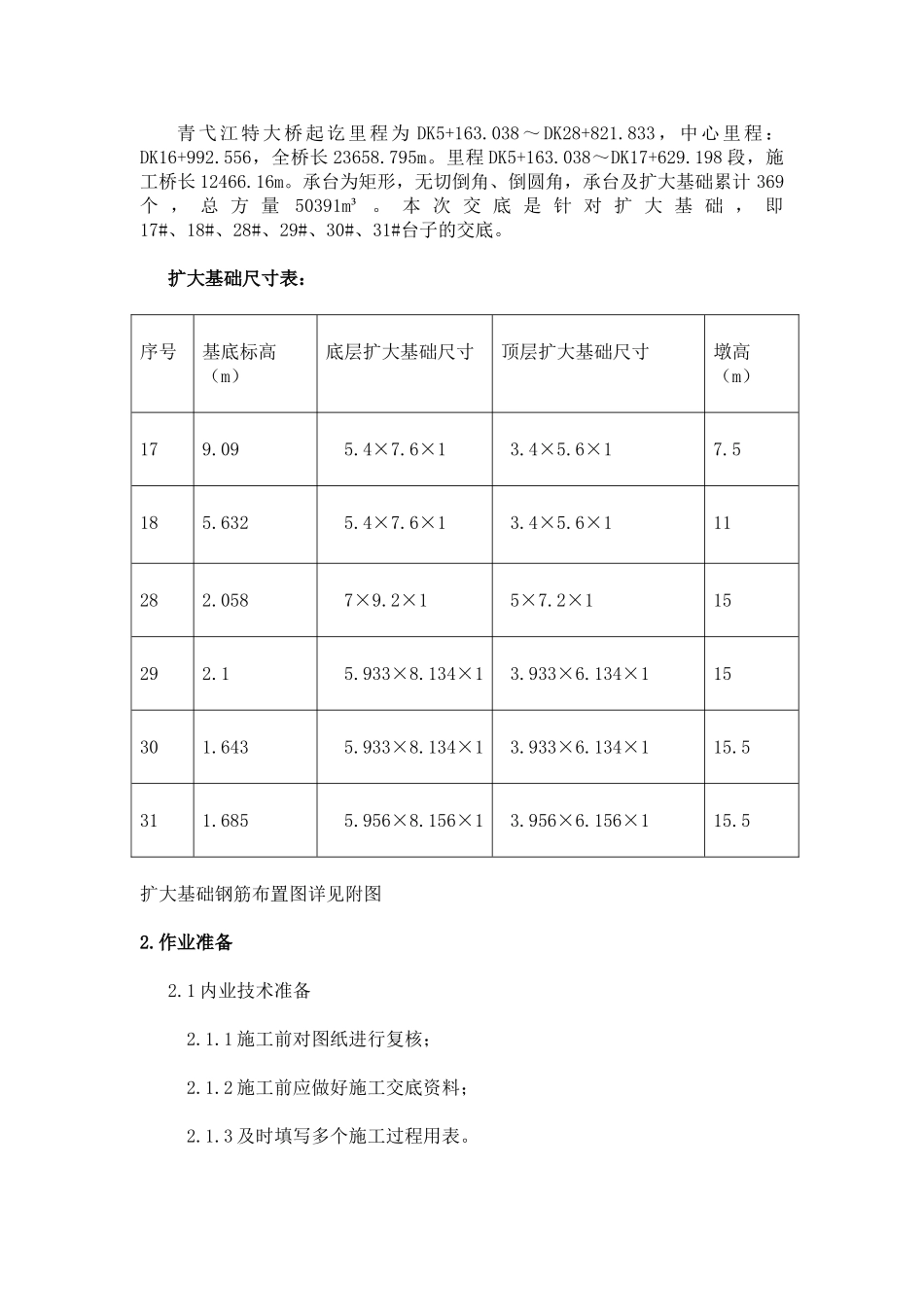
施工技术交底统计表工程名称:皖赣铁路扩能改造工程WGZQ-1标编号:1.工程概况分部工程名称青弋江特大桥扩大基础施工技术交底交底人交底日期年月日交底内容:附件:扩大基础配筋图编制者接底人复核者现场监理接底单位接底负责人青弋江特大桥起讫里程为DK5+163.038~DK28+821.833,中心里程:DK16+992.556,全桥长23658.795m。里程DK5+163.038~DK17+629.198段,施工桥长12466.16m。承台为矩形,无切倒角、倒圆角,承台及扩大基础累计369个,总方量50391m³。本次交底是针对扩大基础,即17#、18#、28#、29#、30#、31#台子的交底。扩大基础尺寸表:序号基底标高(m)底层扩大基础尺寸顶层扩大基础尺寸墩高(m)179.095.4×7.6×13.4×5.6×17.5185.6325.4×7.6×13.4×5.6×111282.0587×9.2×15×7.2×115292.15.933×8.134×13.933×6.134×115301.6435.933×8.134×13.933×6.134×115.5311.6855.956×8.156×13.956×6.156×115.5扩大基础钢筋布置图详见附图2.作业准备2.1内业技术准备2.1.1施工前对图纸进行复核;2.1.2施工前应做好施工交底资料;2.1.3及时填写多个施工过程用表。2.2外业技术准备2.2.1根据已布设的平面控制加密导线控制点坐标和经复核计算无误的明挖基础坐标,采用全站仪精拟定位,测定基坑中心线、方向及高程。2.2.2按地质水文资料,结合现场状况,拟定开挖坡度和支护方案、开挖范畴和防、排水方法。2.2.3合理安排组织机械设备、仪器、人员等。2.2.4施工用水、用电及便道等有关临时工程满足施工需要。2.2.5进场材料满足持续施工的规定,并通过原材料检查合格。3.技术规定3.1模板、钢筋、砼的施工应符合铁道部现行《铁路砼与砌体工程施工质量验收补充原则》的有关规定及设计规定。3.2基坑开挖前应按地质、水文资料,环保规定,结合现场实际状况,制订施工方案,拟定开挖范畴、开挖坡度、支护方案、弃土位置和防、排水等方法。3.4基底解决应符合下列规定:3.4.1基础底面不得置于软硬不均的地层上;3.4.2岩层基底应去除岩面松碎石块、淤泥、苔藓,凿出新鲜岩面,表面应清洗干净,应将倾斜岩面凿平或凿成台阶;3.4.3碎石类土及砂类土层基底承重面应修理平整,黏性土层基底整修时,应在天然状态下铲平,不得用回填土夯平;3.4.4基础浇筑前的基坑不得泡水。如发生基坑泡水现象,应采用方法进行解决并满足设计规定。3.4.5基础应在无水状况下浇筑,砼在终凝前不得浸水。4.施工程序与工艺流程4.1施工程序测量定位→开挖基坑→基底检查解决报验→安装模板→绑扎钢筋→基础砼浇筑→脱模养生。4.2工艺流程详见下图5.施工办法5.1基坑开挖扩大基础底层基坑开挖时不超挖,规定最下层基础不得立模,满坑灌注混凝土。基坑采用挖机开挖,开挖至设计标高30cm处停止开挖,并告知设计单位到现场做地质勘探,得出成果后再进行下一步施工。具体开挖环节以下:5.1.1基础的定位放样,在基坑开挖前先进行基础的定位放样工作,方便对的的将设计图上的基础位置精确的设立到桥址上。放样工作系根据桥梁中心线与墩台的纵横轴线,推出基础边线的定位点,再放线画出基坑的开挖范畴。基坑各定位点的标高及开挖过程中标高检查普通用水准测量的办法进行。5.1.2陆地基坑开挖。基坑大小应满足基础施工规定,对有渗水土质的基坑坑底开挖尺寸需按基坑排水设计,涉及排水沟、集水井、排水管网等。5.1.2.1对于施工期较短,挖基坑时不影响临近建筑安全的施工场合,可考虑选用坑壁不加支撑的基坑。5.1.2.2当基坑壁坡不易稳定并有地下水渗入,放坡开挖场地受到限制,或基坑较深、放坡开挖工程数量较大,不符技术经济规定时,可视具体状况采用下列的加固坑壁方法。5.1.2.3基坑排水。基坑坑底普通多位于地下水位下列,地下水会经常渗进坑内,因此必须设法把坑内的水排除,方便利施工。本段在天然土层上挖基,深度在4.5m以内,施工期较短,基坑底处在地下水位以上,土的湿度靠近最佳含水量、土质为粉质黏土,土层构造均匀,开挖采用直坡开挖,另外加筑1m宽平台。弃土不得妨碍施工。弃土堆坡脚距坑顶缘的距离不适宜不大于基坑的深度,且宜弃在下游指定地点,不得淤塞河道,影响泄洪。无水土质基坑底面,按基础设计...

1、当您付费下载文档后,您只拥有了使用权限,并不意味着购买了版权,文档只能用于自身使用,不得用于其他商业用途(如 [转卖]进行直接盈利或[编辑后售卖]进行间接盈利)。
2、本站所有内容均由合作方或网友上传,本站不对文档的完整性、权威性及其观点立场正确性做任何保证或承诺!文档内容仅供研究参考,付费前请自行鉴别。
3、如文档内容存在违规,或者侵犯商业秘密、侵犯著作权等,请点击“违规举报”。

碎片内容

2025年桥梁扩大基础施工技术交底

您可能关注的文档

确认删除?
VIP
微信客服
  • 扫码咨询
会员Q群
  • 会员专属群点击这里加入QQ群
客服邮箱
回到顶部