电脑桌面
添加小米粒文库到电脑桌面
安装后可以在桌面快捷访问

2025年位置控制与自动往返控制线路实训教案VIP免费

2025年位置控制与自动往返控制线路实训教案_第1页
1/8
2025年位置控制与自动往返控制线路实训教案_第2页
2/8
2025年位置控制与自动往返控制线路实训教案_第3页
3/8
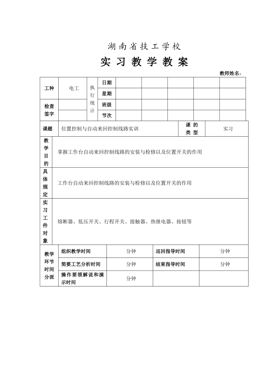
湖南省技工学校实习教学教案教师姓名:工种电工执行统计日期星期检查签字班级节次课题位置控制与自动来回控制线路实训课的类型实习教学目的掌握工作台自动来回控制线路的安装与检修以及位置开关的作用具体规定工作台自动来回控制线路的安装与检修以及位置开关的作用实习工件对象熔断器、低压开关、行程开关、接触器、热继电器、按钮等教学环节时间分派组织教学时间分钟巡回指导时间分钟简要工艺分析时间分钟结束指导时间分钟操作要领解说和演示时间分钟教学后记实训课题位置控制与自动来回控制线路实训一.目的规定掌握工作台自动来回控制线路的安装与检修以及位置开关的作用二.工具、仪表及器材、1.工具测电笔、螺钉旋具、尖嘴钳、斜口钳、电工刀、效验灯等。2.仪表5050型兆欧表、T301—A型钳形电流表、MF500型万用表。3.器材多个规格紧固体、针形轧头、金属软管、编码套管电器元件见表10---1。表10——1元件明细表代号名称型号规格数量M三相异步电动机Y112M-44KW、380V、8.8A、△接法、1440r/min1QS组合开关HZ10-25/3三极、25A、380V1FU1熔断器RL1-60/2510A、配熔体25A3FU2熔断器RL1-15/215A、配熔体2A2KM1KM2接触器CJ10-2020A、线圈电压380V2FR热继电器JR16-20/3三极、20A、整定电流8.8A1SQ1~SQ4位置开关JLXK1-111单轮旋转式4SB1~SB3按钮LA10-3H保护式、按钮数31XT端子板JD0-1020380V、10A、20节1主电路导线BVR-1.51.5mm2(7*0.52mm)若干控制电路导线BVR-1.01mm2(7*0.43mm)若干按钮线BVR-0.750.75mm2若干接地线BVR-1.51.5mm2若干控制板500mm*400mm*20mm1¸…三.自动循环控制线路1.自动循环控制线路,如图10—1所示图10—1工作台自动来回行程控制线路2..线路工作原理先合上QS.→电动机M正转→工作台左移→至限定位置挡铁1碰SQ1→→工作台右移(SQ1触头复位)→至限定位置挡铁2碰SQ2→→→工作台又左移(SQ2触头复位)→→······后来重复上述过程,工作台就在限定的行程内自动来回运动停止时,按下SB3→→整个控制电路失电→→KM1(或KM2)主触头分断→→电动机M失电停转→→工作台停止运动。这里SB1、SB2分别作为正转启动按钮和反转启动按钮,若启动时工作台在左边,则应按下SB2进行启动。四、安装训练1.安装环节及工艺规定(1).按表10-1配齐所用电器元件,并检查元件质量。(2).在控制板上按图安装电器元件,并贴上醒目的文字符合,安装布线时应做到横平竖直、排列整洁匀称,安装牢固和便于走线等。(3).按电路图十进行配线,并在导线端部套编码套管和冷压接线头。配线的工艺规定是:1)全部导线面积在等于或不不大于0.5mm2时,采用软线。最小截面积在控制箱外为1mm2,在控制箱内为0.75mm2。2)布线时,严禁损伤线芯和导线绝缘。3)各电器元件接线端子引出导线的走向,以元件的水平中心为界限,在水平中心线以上接线端子引出的导线,必须进入元件上面的走线槽,在水平中心线下列接线端子引出的导线,必须进入元件下面的走线槽。任何导线都不允许从水平方向进入走线槽内。4)各元件与走线槽之间的外露导线,应走线合理,并尽量做到横平竖直,变换走向要垂直。同一元件上位置一致的端子和同型号电器元件中位置一致的端子上引出或引入的导线,要敷设在同一平面上,并应做到高低一致或前后一致,不得交叉。5)各电器元件接线端子引出或引入的导线,除间距很小和元件机械强度很差允许直接架空敷设外,其它导线不允许架空连接。6)全部接线端子,导线头上都应套有与电路图上对应接点线号一致的编码套管,并按线号进行连接,连接必须牢固,不得松动。7)在任何状况下,接线端子必须与导线截面积和材料性质相适应。当接线端子不适合连接软线或较小截面积的软线时,能够在导线端头上穿上针形或叉形轧头并压紧。8)普通一种接线端子只能连接一根导线,如果采用专门设计的端子,能够连接两根或多根导线,但连接方式必须是公认的,在工艺上成熟的多个方式,如夹紧、压接、焊接、浇接等,并应严格按照连接工艺的工序规定进行。(4)、根据电路图检查控制板内部布线的对的性。(5)、安装电动机。(6)可靠连接电动机和各电器元件金属外壳的保护接地线。(7)、连接电源、电动机等控制板外部的导线。...

1、当您付费下载文档后,您只拥有了使用权限,并不意味着购买了版权,文档只能用于自身使用,不得用于其他商业用途(如 [转卖]进行直接盈利或[编辑后售卖]进行间接盈利)。
2、本站所有内容均由合作方或网友上传,本站不对文档的完整性、权威性及其观点立场正确性做任何保证或承诺!文档内容仅供研究参考,付费前请自行鉴别。
3、如文档内容存在违规,或者侵犯商业秘密、侵犯著作权等,请点击“违规举报”。

碎片内容

2025年位置控制与自动往返控制线路实训教案

您可能关注的文档

确认删除?
VIP
微信客服
  • 扫码咨询
会员Q群
  • 会员专属群点击这里加入QQ群
客服邮箱
回到顶部