电脑桌面
添加小米粒文库到电脑桌面
安装后可以在桌面快捷访问

2025年门禁系统调试指导书VIP免费

2025年门禁系统调试指导书_第1页
1/12
2025年门禁系统调试指导书_第2页
2/12
2025年门禁系统调试指导书_第3页
3/12
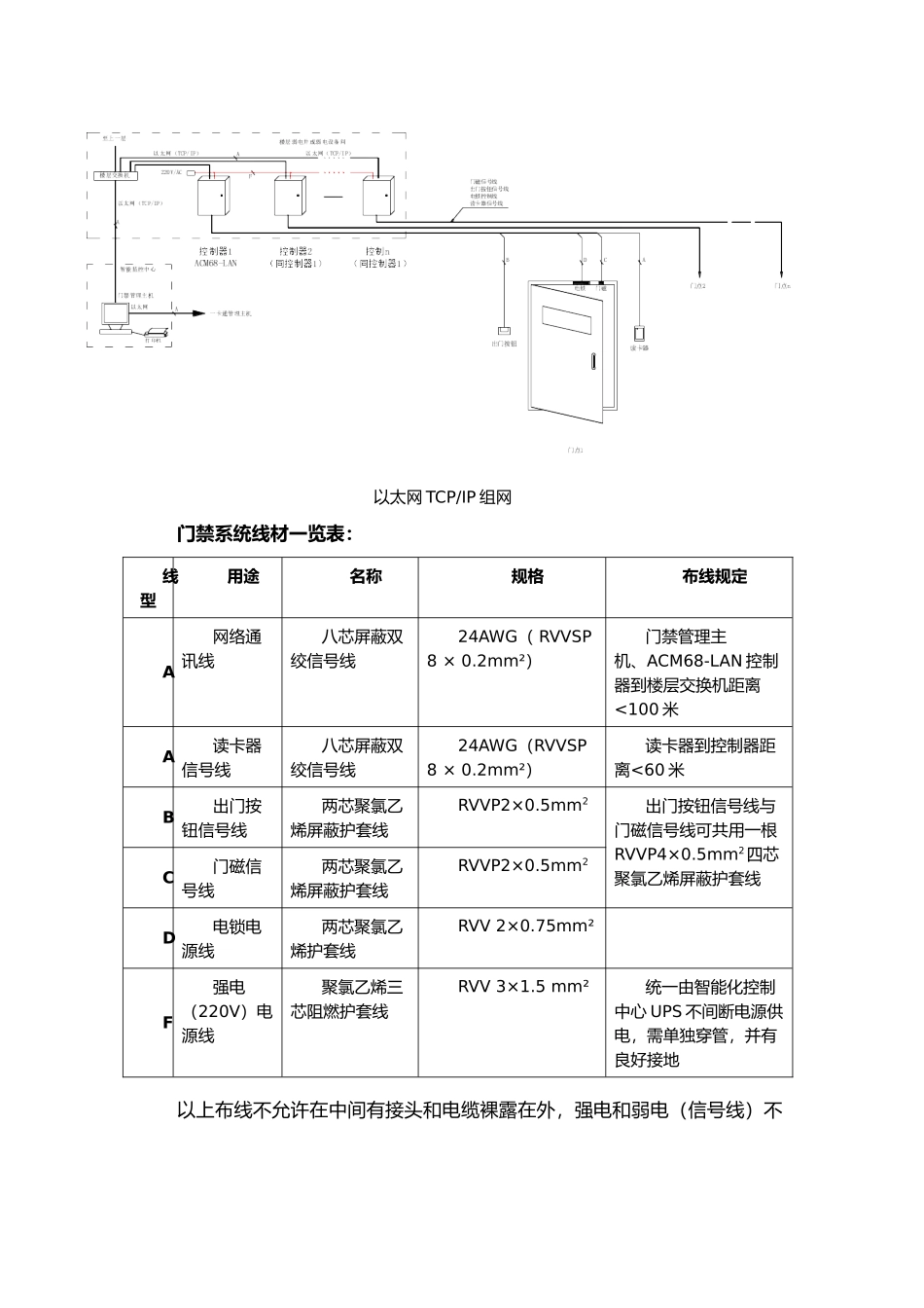
门禁工程施工方案1、电源设计:科松公司门禁控制器采用220V/AC供电,考虑到门禁系统特点,为充足保障安全,建议采用UPS不间断电源系统独立供电。如不含有UPS电源供电条件,也必须采用单独电源供电,且一定要接接地线。由强电配电箱单独引出一路电源,通过强电线槽或穿管引至门禁控制器,不能与其它系统如照明、空调等共用电源。门禁系统电源配线规格:RVV3×1.5mm2。2、管线敷设:CSS门禁系统采用TCP/IP局域网组网方式,根据项目具体状况,门禁控制器可放置在弱电井内或放置在门禁点附近天花吊顶内;控制器集中弱电井安装系统布线以下图所示:以太网TCP/IP组网门禁系统线材一览表:线型用途名称规格布线规定A网络通讯线八芯屏蔽双绞信号线24AWG(RVVSP8×0.2mm²)门禁管理主机、ACM68-LAN控制器到楼层交换机距离<100米A读卡器信号线八芯屏蔽双绞信号线24AWG(RVVSP8×0.2mm²)读卡器到控制器距离<60米B出门按钮信号线两芯聚氯乙烯屏蔽护套线RVVP2×0.5mm2出门按钮信号线与门磁信号线可共用一根RVVP4×0.5mm2四芯聚氯乙烯屏蔽护套线C门磁信号线两芯聚氯乙烯屏蔽护套线RVVP2×0.5mm2D电锁电源线两芯聚氯乙烯护套线RVV2×0.75mm²F强电(220V)电源线聚氯乙烯三芯阻燃护套线RVV3×1.5mm²统一由智能化控制中心UPS不间断电源供电,需单独穿管,并有良好接地以上布线不允许在中间有接头和电缆裸露在外,强电和弱电(信号线)不允许共用一条线槽或线管,在布线的过程中,必须明确标出每根线的用途及阐明。配管规定各门点所需电锁电源线、门磁信号线、出门按钮信号线、读卡器信号线穿PVC管自门禁控制箱引至各门点所在位置,每门点穿一根PVC管;由分线盒到电锁、门磁、读卡器、出门按钮等,均采用金属蛇皮管或PVC管敷设。以上配管采用暗设的方式,埋墙或在天花吊顶内,不允许在墙外。3、门禁设备安装位置指导单扇木门单扇木门双扇木门双扇防火门双扇有框玻璃门双扇无框玻璃门(934门夹锁)双扇无框玻璃门(电插锁)ACM6805一体化门禁机安装位置示意读卡器、出门按钮安装位置侧视图4、安装阐明:读卡器安装在门外,距门框边100~200mm,离地1300~1400mm处。不能倒装或倾斜安装。出门按钮安装在门内,距门框边100~200mm,离地1300~1400mm处。双向读卡门读卡器安装示意图双向读卡门内、外均安装读卡器,不安装出门按钮;读卡器不能安装在墙两面的相对位置,应错开150mm左右以避免互相干扰,或分别安装在门的左右两侧。门磁安装在电锁附近20~80mm处,规定安装平整,门磁两端中心位置误差不大于2mm。5、读卡器接线RJ45水晶头、读卡器插座引脚号排列示意RJ45插座与典型读卡器连接(LGEIC读卡器涉及CSM50、CSM50K、CSM100、CSM100K、CSM600、CSM600K)引脚号功能双绞线LGEIC读卡器MIFARE读卡器MOTO读卡器HID读卡器SMID读卡器PX-1直流地棕黑色线黑色线黑色线黑色线黑色线PX-2绿色批示灯白兰色线兰色线棕色线橙色线不用PX-3红色批示灯绿棕色线棕色线兰色线棕色线不用PX-4时钟(数据0)白绿色线绿色线绿色线绿色线绿色线PX-5不连兰不用不用不用不用不用PX-6数据(数据1)白白色线白色线白色线白色线白色线PX-7不连橙不用不用不用不用不用PX-8+12V直流电源白红色线红色线红色线红色线红色线6、读卡器对通道控制事件的响应在日常运作中,读卡器将会对通道控制中的事件作出某些特定的响应。下表中列出读卡器的LED批示灯和蜂鸣器对不同事件的反映:事件读卡器LED批示灯状态读卡蜂鸣器状态允许通行在控制器开锁的时间内显示绿色LED一声BEEP不允许通行闪烁红色一声BEEP门警报在警报期间闪烁红色LED一声BEEP精心收集整顿,只为你的需要

1、当您付费下载文档后,您只拥有了使用权限,并不意味着购买了版权,文档只能用于自身使用,不得用于其他商业用途(如 [转卖]进行直接盈利或[编辑后售卖]进行间接盈利)。
2、本站所有内容均由合作方或网友上传,本站不对文档的完整性、权威性及其观点立场正确性做任何保证或承诺!文档内容仅供研究参考,付费前请自行鉴别。
3、如文档内容存在违规,或者侵犯商业秘密、侵犯著作权等,请点击“违规举报”。

碎片内容

2025年门禁系统调试指导书

您可能关注的文档

确认删除?
VIP
微信客服
  • 扫码咨询
会员Q群
  • 会员专属群点击这里加入QQ群
客服邮箱
回到顶部