电脑桌面
添加小米粒文库到电脑桌面
安装后可以在桌面快捷访问

2025年钢筋工程质量控制措施VIP专享VIP免费

2025年钢筋工程质量控制措施_第1页
1/4
2025年钢筋工程质量控制措施_第2页
2/4
2025年钢筋工程质量控制措施_第3页
3/4
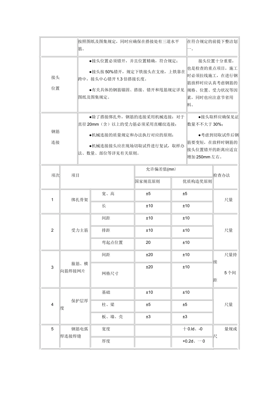
钢筋工程质量控制方法项目措施应注意的问题钢筋检查●钢筋进场时提供材质单,并必须与实际相符;●材质单符合后应取样做复试。取样复试时应考虑见证取样,同时注意不同规格的钢筋最少有一次见证。钢筋堆放●堆放场地应硬化或铺石子,并垫方木,避免泥土污染;●钢筋应分类堆放,挂设标记牌,并满足平台限重规定;●分层堆放时高度不得超出1.2米,层与层之间垫方木。钢筋场地应有排水方法,雨季时应考虑覆盖。后台加工●指派专人进行后台工作的管理;●进行具体交底,对于构造规定,加工精度等提出严格规定,特别是箍筋的成型及弯曲半径。●制作样板,按照样板进行下料加工;经常检查加工机械,避免因机械因素影响进度及质量;●梯子筋、柱筋定位筋、马凳钢筋加工尺寸精确,对该涂刷防锈漆的部位必须涂刷并涂刷美观。●严格审查下料单,减少不必要的浪费。●加强后台管理对于钢筋工程质量及减少浪费都至关重要,应尽量运用料头。●梯子筋、柱筋定位筋、马凳钢筋的加工必须对钢筋切断面进行解决,不得出现马碲或毛茬并分别寄存。钢筋间距、排距●绑扎前运用盒尺画出钢筋分挡线;●不管墙筋或板筋均拉通线绑扎;●绑扎板筋前应在模板上弹出钢筋线。应适宜增加架立筋并加强成品保护,严禁不必要的攀爬、踩踏。墙筋保护层控制●采用梯子筋及定位框;●模板上口设水平定位筋,实现钢筋位移双控;柱上口钢筋必须与定位筋绑扎牢固、确保甩筋保护层、位置均精确。●梯子筋提高一种等级,替代该处受力筋。●保护层采用塑料卡子,梅花形均匀布置。梯子筋只需上、中、下三道短横棍顶模板,且比墙厚小2mm,端头刷防锈漆,该三根必须使用砂轮机切割,并去除毛刺。板筋保护层控制●下铁保护层采用塑料垫块,间距0.6-1.0m一种,梅花形布置;●上铁保护层采用钢筋马凳控制,与受力筋垂直;●制作专门的高马凳、铺垫脚手板,供水电专业及浇●钢筋马凳支腿必须支在下铁上,并且在支腿下设立垫块;●马凳高度要计算精筑砼使用,以防因踩踏造成保护层偏差;●在距施工缝5cm左右的地方放置一道马凳,以保护该处上保护层精确。确,加工要精确;●成品保护非常重要、应有专职的成品保护员。箍筋135度及平行控制●后台加工时就应严格按照样板加工,控制箍筋的精度,确保加工精确,平直段不不大于10d,并尺寸统一;为确保成型精确,箍筋直径不大于10mm的不得采用弯曲机成型;●绑扎时在受力筋上面出分档线,并确保受力筋紧贴箍筋四角;搭接的受力筋应在45度的方向上,这样就能够避免因搭接造成受力筋与箍筋之间的空隙。起步筋位置●第一道箍筋及墙体第一道竖筋、水平筋距支座的主筋距离控制在0.5倍钢筋间距以内;●过梁两端箍筋必须有一根进支座5cm;●在绑扎时先定出起步筋的位置,然后进行分档。强调起步筋的位置,重要是避免支座上下口的45度裂缝。钢筋绑扎钢筋绑扎●钢筋绑扎必须为“八”字扣,板筋及墙柱筋均全扣绑扎,不允许有漏绑;●墙体钢筋采用对面绑扎的办法,以确保扎丝头一律朝里;两排网片之间采用的拉筋不遗漏,设立美观,各方向成线,弯折的平直段长度、角度统一。柱筋绑丝头不外露,绑扎牢固,不允许有松动现象;●对于暗柱、暗梁采用搭接的,应沿45度方向搭接,以确保箍筋能紧贴主筋。●钢筋绑扎丝长度规定(如需调节时同型长度需统一)单位:mm钢筋直径6-810-1214-1618-2022256-810-1214-1618-20150170190190220250220250270250270290270290310钢筋绑扎完毕后的成品保护非常重要,水电施工时应使用专门的马凳和梯子,避免踩踏钢筋。钢筋搭接长度及锚固长度●搭接及锚固长度原则上以图纸规定为准,如图纸不明确时应根据GB50204-及03G101中的有关规定执行;●对于墙柱筋的甩筋长度(即楼板面以上的搭接长度),普通按照受拉考虑,偏于安全,搭接长度必须严格钢筋的搭接及锚固长度是检查的重点,一定要对的理解规范、图纸的规定,宁长勿短,但是,长度必须按照图纸及图集规定,同时应确保在搭接处有三道水平筋。在符合规定的前提下整洁划一。接头位置●接头位置必须错开,并且位置精确,符合规定;●接头按50%错开,规定下铁接头在支座,上铁靠在跨中,接头中心错开1.3倍搭接长度。●有关具体...

1、当您付费下载文档后,您只拥有了使用权限,并不意味着购买了版权,文档只能用于自身使用,不得用于其他商业用途(如 [转卖]进行直接盈利或[编辑后售卖]进行间接盈利)。
2、本站所有内容均由合作方或网友上传,本站不对文档的完整性、权威性及其观点立场正确性做任何保证或承诺!文档内容仅供研究参考,付费前请自行鉴别。
3、如文档内容存在违规,或者侵犯商业秘密、侵犯著作权等,请点击“违规举报”。

碎片内容

2025年钢筋工程质量控制措施

您可能关注的文档

确认删除?
VIP
微信客服
  • 扫码咨询
会员Q群
  • 会员专属群点击这里加入QQ群
客服邮箱
回到顶部