电脑桌面
添加小米粒文库到电脑桌面
安装后可以在桌面快捷访问

2025年现浇箱梁的质量控制VIP免费

2025年现浇箱梁的质量控制_第1页
1/3
2025年现浇箱梁的质量控制_第2页
2/3
2025年现浇箱梁的质量控制_第3页
3/3
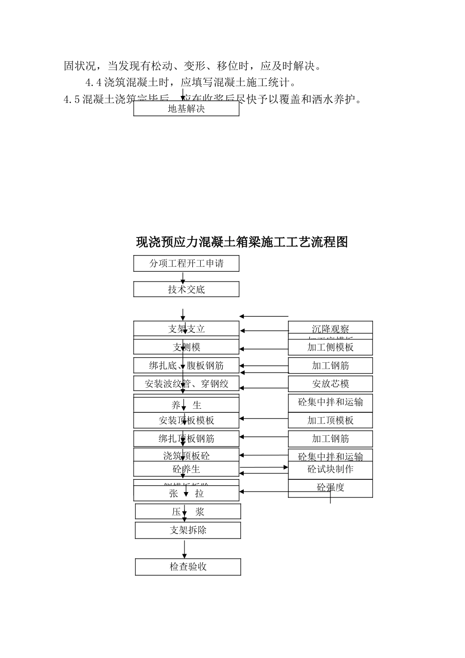
控制现浇箱梁施工过程中的质量通过对原材料的质量检查与控制、混凝土配合比的拟定与控制、混凝土生产和施工过程各工序的质量检查与控制,以及合格性检查控制,使混凝土的质量符合规定规定。计划:加强现浇箱梁施工过程中的质量,确保优质工程。实施:1、在原材料、成品混凝土方面:1.1在材料方面的控制1.1.1选用水泥时,应注意其特性读混凝土构造强度、耐久性和使用条件与否有不利影响,水泥应符合现行国标,并附有制造长的水泥品质实验报告等合格证明文献。水泥进场后,应按规定的批次进行实验检查验收。在同一次的混凝土施工中应采用同一厂家,同一批号的水泥。1.1.2控制地材料源,石料采用品有规模石场合生产的石料;定时到砂场选择含泥量小,符合生产需要的砂。1.2混凝土方面:混凝土使用拌和站集中拌和,实验室对砼的配合比进行控制,并且对每一车砼分别在拌和站、现场进行坍落度的检测。对不合格的砼进行报废解决。严格确保砼的拌合时间。配制混凝土时,应根据构造状况和施工条件拟定混凝土拌和物的坍落度,浇筑时的坍落度可按下表选用。混凝土浇筑入模时的坍落度结构类别坍落度(一)(振动器振动)小型预制块及便于浇筑振动的构造0~20桥涵基础、墩台等无筋或少筋的构造10~30普通配筋率的钢筋混凝土构造30~50配筋较密、断面较小的钢筋混凝土构造50~70配筋极密、断面高而窄的钢筋混凝土构造70~90注:①水下混凝土、泵送混凝土的坍落度,另见本规范有关章节的规定;②用人工捣实时,坍落度宜增加20~30m。混凝土最短搅拌时间搅拌机类别搅拌机容量(1)混凝土坍落度(一)<3030~70>70混凝土最短搅拌时间(min)自落式≤4002.01.51.0≤8002.52.01.5≤1200—2.51.5强制式≤4001.51.01.0≤15002.51.51.5注:①搅拌细砂混凝土或掺有外加剂的混凝土时,搅拌时间应适宜延长1~2min;②外加剂应先调成适宜浓度的溶液再掺人;③搅拌机装料数量(装入粗骨料、细骨料、水泥等松体积的总数)不应不不大于搅拌机标定容量的110%;④搅拌时间不适宜过长,每一工作班最少应抽查两次;⑤表列时间为从搅拌加水算起;⑥当采用其它形式的搅拌设备时,搅拌的最短时间应按设备阐明书的规定或经实验拟定。2、支架方面:支架架设采用碗扣支架。支架架设前应对支架整体、杆配件、节点,地基和其它支撑物应进行强度和稳定验算。支架在安装完毕后,应对起平面位置、顶部标高、节点连接及纵、横向稳定性进行全方面检查,符合规定后,方可进行下一工序。3、模板方面:3.1模板与钢筋安装工作应配合进行,妨碍绑扎钢筋的模板应待钢筋安装完毕后安设。模板不应与脚手架联接(模板与脚手架整体设计时除外),避免引发模板变形。3.2安装侧模板时,应避免模板移位和凸出。基础侧模可在模板外设立支撑固定,墩、台、梁的侧模可设拉杆固定。浇筑在混凝土中的拉杆,应按拉杆拔出或不拔出的规定,采用对应的方法。对小型构造物,可使用金属线替代拉杆。3.3模板安装完毕后,应对其平面位置、顶部标高、节点联系及纵横向稳定性进行检查,签认后方可浇筑混凝土。浇筑时,发现模板有超出允许偏差变形值的可能时,应及时纠正。3.4模板在安装过程中,必须设立防倾覆设施。4、混凝土施工方面:4.1、浇筑混凝土前,应对支架、模板、钢筋和预埋件进行检查,并做好统计,符合设计规定后方可浇筑。模板内的杂物、积水和钢筋上的污垢应清理干净。模板如有缝隙,应填塞严密,模板内面应涂刷脱模剂。浇筑混凝土前,应检查混凝土的均匀性和坍落度。4.2、混凝土应按一定厚度、次序和方向分层浇筑,应在下层混凝土初凝或能重塑前浇筑完毕上层混凝土。上下层同时浇筑时,上层与下层前后浇筑距离应保持1.5m以上。在倾斜面上浇筑混凝土时,应从低处开始逐级扩展升高,保持水平分层。4.3浇筑混凝土期间,应设专人检查支架、模板、钢筋和预埋件等稳固状况,当发现有松动、变形、移位时,应及时解决。4.4浇筑混凝土时,应填写混凝土施工统计。4.5混凝土浇筑完毕后,应在收浆后尽快予以覆盖和洒水养护。现浇预应力混凝土箱梁施工工艺流程图压浆支架拆除检查验收技术交底地基解决支架支立安装底模板支侧模绑扎底、腹板钢筋安装波纹管、穿钢绞底、腹板砼...

1、当您付费下载文档后,您只拥有了使用权限,并不意味着购买了版权,文档只能用于自身使用,不得用于其他商业用途(如 [转卖]进行直接盈利或[编辑后售卖]进行间接盈利)。
2、本站所有内容均由合作方或网友上传,本站不对文档的完整性、权威性及其观点立场正确性做任何保证或承诺!文档内容仅供研究参考,付费前请自行鉴别。
3、如文档内容存在违规,或者侵犯商业秘密、侵犯著作权等,请点击“违规举报”。

碎片内容

2025年现浇箱梁的质量控制

静心书店+ 关注
实名认证
内容提供者

专注于各类考试试卷和真题。

确认删除?
VIP
微信客服
  • 扫码咨询
会员Q群
  • 会员专属群点击这里加入QQ群
客服邮箱
回到顶部