电脑桌面
添加小米粒文库到电脑桌面
安装后可以在桌面快捷访问

2025年施工企业安全生产评价表VIP专享VIP免费

2025年施工企业安全生产评价表_第1页
1/10
2025年施工企业安全生产评价表_第2页
2/10
2025年施工企业安全生产评价表_第3页
3/10
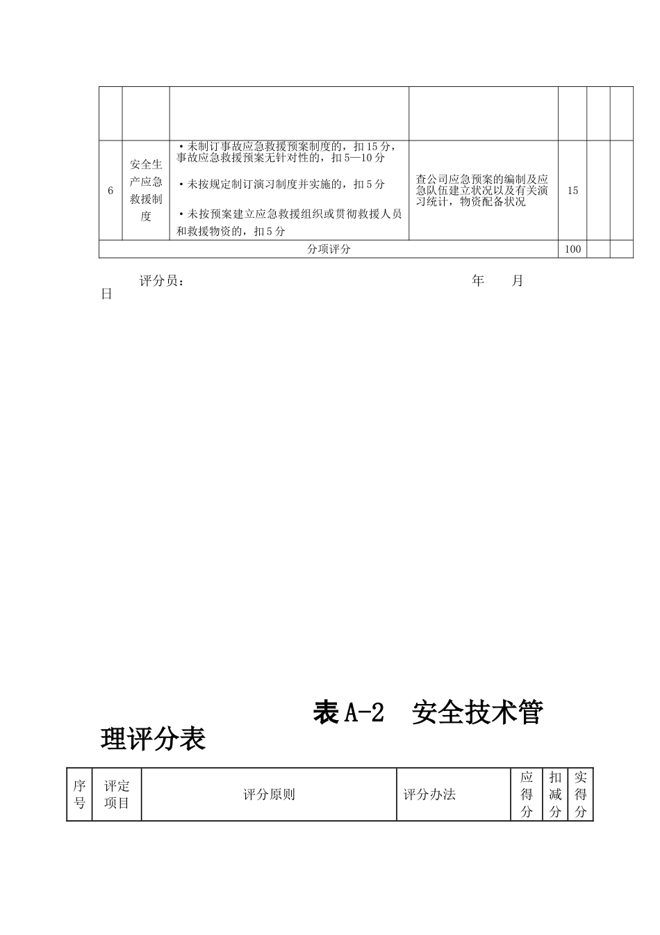
表A-1安全生产管理评分表序号评定项目评分原则评分办法应得分扣减分实得分1安全生产责任制度·公司未建立安全生产责任制度,扣20分,各部门、各级(岗位)安全生产责任制度不健全,扣10~15分·公司未建立安全生产责任制考核制度,扣10分,各部门、各级对各自安全生产责任制未执行,每起扣2分公司未按考核制度组织检查并考核的,扣10分,考核不全方面扣5~10分·公司未建立、完善安全生产管理目的,扣10分,未对管理目的实施考核的,扣5~10分·公司未建立安全生产考核、奖惩制度扣10分,未实施考核和奖惩的,扣5~10分查公司有关制度文本;抽查公司各部门、所属单位有关负责人对安全生产责任制的知晓状况,查确认统计,查公司考核统计。查公司文献,查公司对下属单位各级管理目的设立及考核状况统计;查公司安全生产奖惩制度文本和考核、奖惩统计202安全文明资金保障制度·公司未建立安全生产、文明施工资金保障制度扣20分制度无针对性和具体方法的,扣10~15分·未按规定对安全生产、文明施工方法费的贯彻状况进行考核,扣10~15分查公司制度文本、财务资金预算及使用统计203安全教育培训制度·公司未按规定建立安全培训教育制度,扣15分·制度未明确公司重要负责人、项目经理、安全专职人员及其它管理人员,特种作业人员,待岗、转岗、换岗职工,新进单位从业人员安全培训教育规定的,扣5~10分·公司未编制年度安全培训教育计划,扣5~10分,公司未按年度计划实施的,扣5~10分查公司制度文本、公司培训计划文本和教育的实施统计、公司年度培训教育统计和管理人员的有关证书154安全检查及隐患排查制度·公司未建立安全检查及隐患排查制度,扣15分,制度不全方面、不完善的,扣5~10分·未按规定组织检查的,扣15分,检查不全方面、不及时的,扣5~10分·对检查出的隐患未采用定人、定时、定方法进行整治的,每起扣3分,无整治复查统计的,每起扣3分对多发或重大隐患未排摸或未采用有效治理方法的,扣3-15分查公司制度文本、公司检查统计、公司对隐患整治消项、处置状况统计,隐患排查统计表155生产安全事故报告解决制度·公司未建立生产安全事故报告解决制度,扣15分·未按规定及时上报事故的,每起扣15分·未建立事故档案扣5分·未按规定实施对事故的解决及贯彻“四不放过”原则的,扣10~15分查公司制度文本查公司事故上报及结案状况统计156安全生产应急救援制度·未制订事故应急救援预案制度的,扣15分,事故应急救援预案无针对性的,扣5—10分·未按规定制订演习制度并实施的,扣5分·未按预案建立应急救援组织或贯彻救援人员和救援物资的,扣5分查公司应急预案的编制及应急队伍建立状况以及有关演习统计,物资配备状况15分项评分100评分员:年月日表A-2安全技术管理评分表序号评定项目评分原则评分办法应得分扣减分实得分1法规、原则和操作规程配备·公司未配备与生产经营内容相适应的现行的有关安全生产方面的法律、法规、原则、规范和规程的,扣10分,配备不齐全,扣3~10分·公司未配备各工种安全技术操作规程,扣10分,配备不齐全的,缺一种工种扣1分·公司未组织学习和贯彻实施安全生产方面的法律、法规、原则、规范和规程,扣3—5分查公司现有的法律、法规、原则、操作规程的文本及贯彻实施统计102施工组织设计·公司无施工组织设计编制、审核、同意制度的,扣15分·施工组织设计中未明确安全技术方法的扣10分·未按程序进行审核、同意的,每起扣3分查公司技术管理制度,抽查公司备份的施工组织设计153专项施工方案(方法)·未建立对危险性较大的分部分项工程编写、审核、同意专项施工方案制度的,扣25分·未实施或按程序审核、同意的,每起扣3分·未按规定明确本单位需进行专家论证的危险性较大的分部分项工程名录(清单)的,每起扣3分查公司有关规定,实施统计和专项施工方案备份资料254安全技术交底·公司未制订安全技术交底规定的,扣25分·未有效贯彻各级安全技术交底,扣5~10分·交底无书面统计,未推行签字手续,每起扣1~3分查公司有关规定、公司实施统计255危险源控制·公司未建立危险源监管制度,扣25分·制度不齐全、不完善的,扣5~10分·未根据生产经营特点明...

1、当您付费下载文档后,您只拥有了使用权限,并不意味着购买了版权,文档只能用于自身使用,不得用于其他商业用途(如 [转卖]进行直接盈利或[编辑后售卖]进行间接盈利)。
2、本站所有内容均由合作方或网友上传,本站不对文档的完整性、权威性及其观点立场正确性做任何保证或承诺!文档内容仅供研究参考,付费前请自行鉴别。
3、如文档内容存在违规,或者侵犯商业秘密、侵犯著作权等,请点击“违规举报”。

碎片内容

2025年施工企业安全生产评价表

您可能关注的文档

确认删除?
VIP
微信客服
  • 扫码咨询
会员Q群
  • 会员专属群点击这里加入QQ群
客服邮箱
回到顶部