电脑桌面
添加小米粒文库到电脑桌面
安装后可以在桌面快捷访问

2025年液压系统的设计计算VIP免费

2025年液压系统的设计计算_第1页
1/10
2025年液压系统的设计计算_第2页
2/10
2025年液压系统的设计计算_第3页
3/10
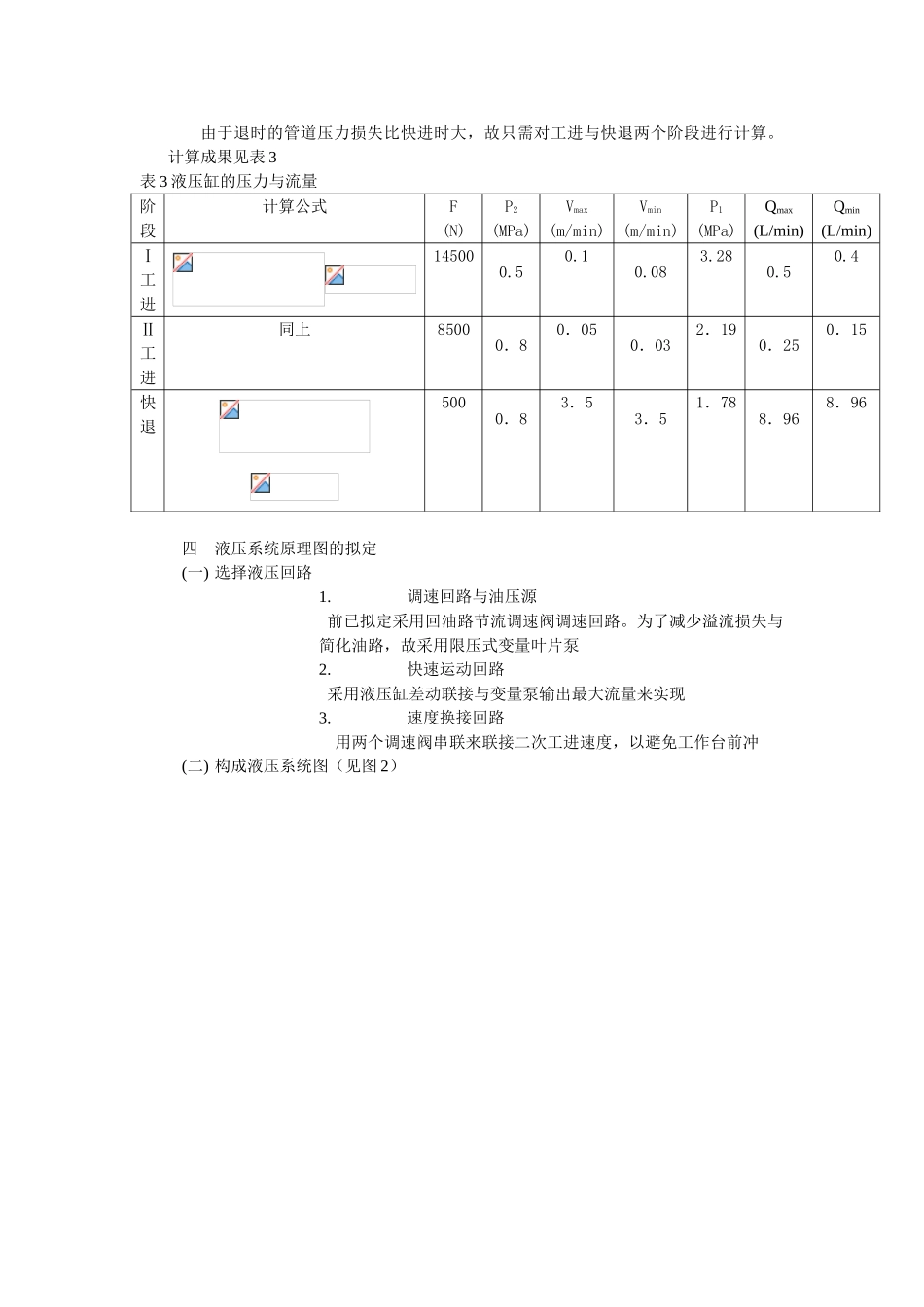
液压系统的设计计算2题目:一台加工铸铁变速箱箱体的多轴钻孔组合机床,动力滑台的动作次序为快速趋进工件→Ⅰ工进→Ⅱ工进→加工结束块退→原位停止。滑台移动部件的总重量为5000N,加减速时间为0.2S。采用平导轨,静摩擦系数为0.2,动摩擦系数为0.1。快进行程为200MM,快进与快退速度相等均为。Ⅰ工进行程为100mm,工进速度为,轴向工作负载为1400N。Ⅱ工进行程为0.5mm,工进速度为,轴向工作负载为800N。工作性能规定运动平稳,试设计动力滑台的液压系统。解:一工况分析工作循环各阶段外载荷与运动时间的计算成果列于表1表1外载荷与运动时间阶段速度v(m/min)运动时间t(s)外载荷F(N)启动加速0~3.50.2差动快进3.5Ⅰ工进0.08~0.175~60Ⅱ工进0.03~0.05100~60反向启动0~3.50.2快退3.53.43液压缸的速度、负载循环图见图1二液压缸重要参数的拟定采用大、小腔活塞面积相差一倍(即A1=2A2)单杆式液压缸差动联接来达成快速进退速度相等的目的。为了使工作运动平稳,采用回油路节流调速阀调速回路。液压缸重要参数的计算成果见表2。表2液压缸重要参数阶段计算公式P1(MPa)P2(MPa)A1(cm2)D(cm)原则D(cm)d(cm)原则d(cm)Ⅰ工进40.50.9540.77.285.665.6实际面积(cm2)A1A2A350.325.24.6按最低公进速度验算液压缸尺寸三液压缸压力与流量的拟定由于退时的管道压力损失比快进时大,故只需对工进与快退两个阶段进行计算。计算成果见表3表3液压缸的压力与流量阶段计算公式F(N)P2(MPa)Vmax(m/min)Vmin(m/min)P1(MPa)Qmax(L/min)Qmin(L/min)Ⅰ工进145000.50.10.083.280.50.4Ⅱ工进同上85000.80.050.032.190.250.15快退5000.83.53.51.788.968.96四液压系统原理图的拟定(一)选择液压回路1.调速回路与油压源前已拟定采用回油路节流调速阀调速回路。为了减少溢流损失与简化油路,故采用限压式变量叶片泵2.快速运动回路采用液压缸差动联接与变量泵输出最大流量来实现3.速度换接回路用两个调速阀串联来联接二次工进速度,以避免工作台前冲(二)构成液压系统图(见图2)电磁铁动作表1DT2DT3DT41DT差动快进+-++Ⅰ工进+--+Ⅱ工进+---快退-+++电动机停止工作时,为了避免系统中的压力油经液压泵倒流回油箱,以免空气进入系统,在液压泵出口处加一种单向阀。五液压元件规格的选择(一)选择液压泵液压泵的工作压力与流量计算成果见表4表4液压泵的工作压力与流量阶段计算公式(MPa)kPp(MPa)Qpmax(L/min)Qpmin(L/min)原则pr(cm)原则Qr(cm)Ⅰ工进01.13.280.550.446.321Ⅱ工进同上01.12.190.280.176.321快退0.61.12.389.99.96.321查产品样本,选用YBX-16限压式变量叶片泵,pr=6.3MPa,q=16mL/r,np=1450r/min,。它的特性曲线如图3所示。工作点①为快退,此时pp=2.38MPa,Qp=9.9L/min;工作点②为Ⅰ工进,此时pp=3.28MPa,Qp=0.55L/min;工作点③为Ⅱ工进,此时pp=2.19MPa,Qp=0.28L/min。实际工作曲线如图3中虚线所示,由于工作点②的压力不不大于工作点③,故实际工作曲线按工作点②调节。(二)选择电动机1计算电动机的功率快退时Ⅰ工进Ⅱ工进2选择电动机型号根据快退时功率0.514KW,选用Y802-4型电动机,功率Pr=0.75KW,转速nr=1390r/min验算电动机功率(三)选择液压阀液压系统中的最高工作压力为,通过阀的最大流量为9.9L/min,故选用的中低压阀类。液控次序阀因没有10L/min规格,故选用25L/min规格。滤油器按两倍液压泵流量选用吸油用线隙式滤油器。全部液压元件的型号见表5。表5液压元件明细表序号最大通过流量(L/min)选用规格1限压式变量叶片泵YBX-162单向阀9.9I-10B3三位五通电磁换向阀9.935D1-10BY4单向阀9.9I-10B5液控次序阀0.26XY-25B6线隙式滤油器19.8XU-25×100J7调速阀0.26Q-10B8调速阀0.13Q-10B9二位二通电磁阀9.922D1-10B10二位二通电磁阀9.922D1-10B11压力表开关K-3B12压力表Y-60六辅助元件的选择(一)拟定管道尺寸查产品样本,三位与二位电磁阀的油口尺寸均为φ8,故取管道内径,选用紫铜管(二)拟定油箱容量油箱容量取6倍泵的额定流量(三)拟定液压元件配量形式选用最小规格JK25系列集成块,采用原则液压文献七液压系统的验算(一)拟定限压式变量泵与卸荷阀的调节压力1Ⅰ工进...

1、当您付费下载文档后,您只拥有了使用权限,并不意味着购买了版权,文档只能用于自身使用,不得用于其他商业用途(如 [转卖]进行直接盈利或[编辑后售卖]进行间接盈利)。
2、本站所有内容均由合作方或网友上传,本站不对文档的完整性、权威性及其观点立场正确性做任何保证或承诺!文档内容仅供研究参考,付费前请自行鉴别。
3、如文档内容存在违规,或者侵犯商业秘密、侵犯著作权等,请点击“违规举报”。

碎片内容

2025年液压系统的设计计算

您可能关注的文档

确认删除?
VIP
微信客服
  • 扫码咨询
会员Q群
  • 会员专属群点击这里加入QQ群
客服邮箱
回到顶部