电脑桌面
添加小米粒文库到电脑桌面
安装后可以在桌面快捷访问

2025年塔吊附着施工设计方案VIP免费

2025年塔吊附着施工设计方案_第1页
1/7
2025年塔吊附着施工设计方案_第2页
2/7
2025年塔吊附着施工设计方案_第3页
3/7
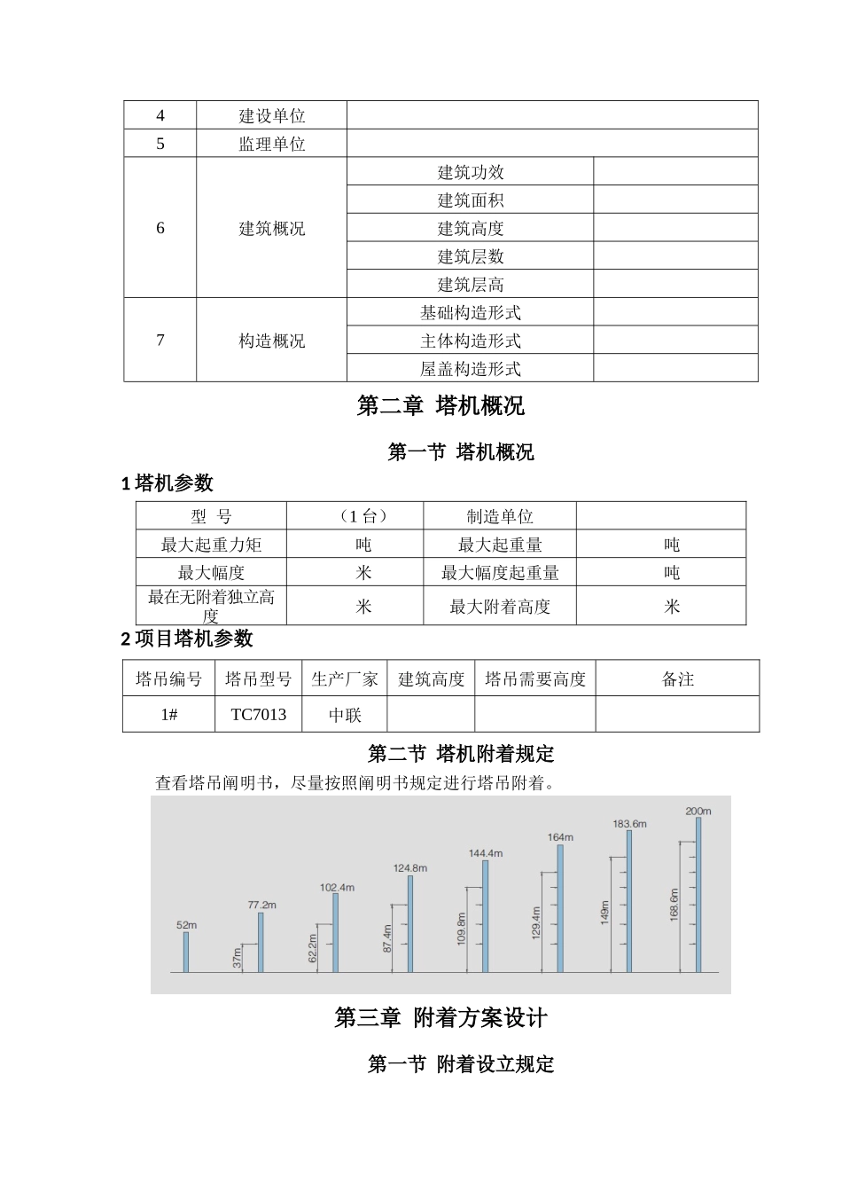
目录第一章编制根据及工程概况.....................................1第一节编制根据........................................................1第二节工程概况........................................................1第二章塔机概况...............................................2第一节塔机概况........................................................2第二节塔机附着规定....................................................2第三章附着方案设计...........................................3第一节附着设立规定....................................................3第二节塔吊附着方案....................................................4第四章附着安装...............................................5第一节附着安装前的准备.............................................5第二节附着安装.....................................................5第三节附着安装后的工作.............................................6第五章安全技术方法.........................................6第六章安全计算书.............................................6第一章编制根据及工程概况第一节编制根据1施工组织设计《×××××施工组织设计》2计算软件及版本广联达施工安全设施计算软件3工程图纸图纸名称编号出图日期××××构造施工图××××建筑施工图4施工规范及规程类别名称编号国家《建筑构造荷载规范》GB50009-《混凝土构造设计规范》GB50010-《钢构造工程设计规范》GB50017-《塔式起重机安全规程》GB5144-行业《建筑机械使用安全技术规程》JGJ33-《施工现场临时用电安全技术规范》JGJ46-《建筑施工安全检查原则》JGJ59-《建筑施工高处作业安全技术规范》JGJ80-91《塔式起重机混凝土基础工程技术规程》JGJ/T187-《建筑施工塔式起重机安装、使用、拆卸安全技术规程》JGJ196-其它《建设工程施工现场管理规定》建设部令15号《危险性较大的分部分项工程安全管理方法》建质[]87号5其它《建筑施工手册》第五版。《建筑施工计算手册》江正荣主编第二节工程概况序号项目内容1工程名称2工程地点3施工单位4建设单位5监理单位6建筑概况建筑功效建筑面积建筑高度建筑层数建筑层高7构造概况基础构造形式主体构造形式屋盖构造形式第二章塔机概况第一节塔机概况1塔机参数型号(1台)制造单位最大起重力矩吨最大起重量吨最大幅度米最大幅度起重量吨最在无附着独立高度米最大附着高度米2项目塔机参数第二节塔机附着规定查看塔吊阐明书,尽量按照阐明书规定进行塔吊附着。第三章附着方案设计第一节附着设立规定塔吊编号塔吊型号生产厂家建筑高度塔吊需要高度备注1#TC7013中联1、满足规范规定。2、塔机安装的高度超出独立高度时,必须按照使用阐明书的规定安装附着装置。附附装置的安装位置必须符合使用阐明书的规定。塔身与建筑物附着点的距离及方位应尽量满足使用阐明书的规定。3、当附着距离不不大于设计值时,应验算附着杆的稳定性。4、附着框架应尽量在靠近原则节有横隔的位置安装(横隔,即原则节横截面内包含4根横缀条和1根对角线方向缀条的局部构造)。5、同一道附着装置的附着框及各附着杆应处在同一水平面内。附着杆与附着框附着连接件之间必须采用销轴铰接。附着杆的长度宜可调节。6、建筑物附着点处在钢筋砼以及附着连接与建筑物之间的连接强度必须不不大于使用阐明书的规定的强度。7、安装附着装置时,应先在同一高度平面内安装附着框和附着连接件,待调节起重臂的方位和变幅小车在起重臂的位置,使用塔身处在最佳平衡状态后再安装附着杆。8、附着装置安装后,最高附着点下列的塔机轴心线的垂直度不不不大于高度的2/10009、附着设立高度A、按阐明书规定,当使用高度超出35米,应进行附着。附着的设立最大高度技术参数参阅下表。(注:具体次数应根据楼层具体状况和施工进度调节拟定,但间距和自由高度不应超出技术参数规定。)10附着布置形式(1)布置形式根据塔机使用阐明书所提供的附着方式,按正常方式布置时,使用附着框架(两个环梁组装订和三根附...

1、当您付费下载文档后,您只拥有了使用权限,并不意味着购买了版权,文档只能用于自身使用,不得用于其他商业用途(如 [转卖]进行直接盈利或[编辑后售卖]进行间接盈利)。
2、本站所有内容均由合作方或网友上传,本站不对文档的完整性、权威性及其观点立场正确性做任何保证或承诺!文档内容仅供研究参考,付费前请自行鉴别。
3、如文档内容存在违规,或者侵犯商业秘密、侵犯著作权等,请点击“违规举报”。

碎片内容

2025年塔吊附着施工设计方案

您可能关注的文档

确认删除?
VIP
微信客服
  • 扫码咨询
会员Q群
  • 会员专属群点击这里加入QQ群
客服邮箱
回到顶部