电脑桌面
添加小米粒文库到电脑桌面
安装后可以在桌面快捷访问

2025年微生物方法验证报告VIP专享VIP免费

2025年微生物方法验证报告_第1页
1/8
2025年微生物方法验证报告_第2页
2/8
2025年微生物方法验证报告_第3页
3/8
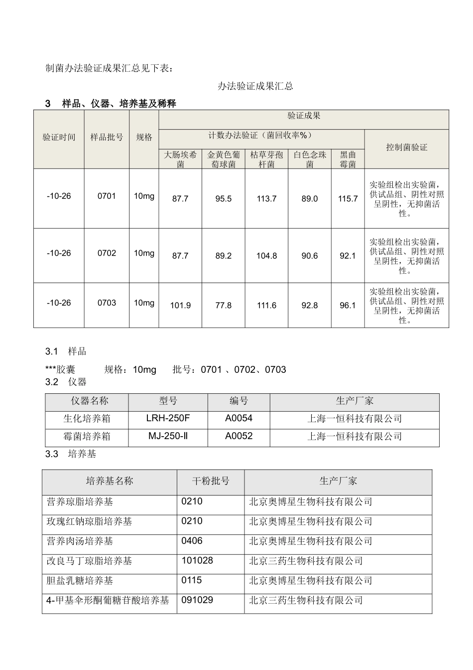
报告审核同意:ReportReview/ApprovalSignatures报告审核/同意签字Date日期Draftedby/起草人Reviewedby/审核人Approvedby/同意人目录1.目的介绍与汇总……………………………………………………………………….32.样品、仪器、培养基及稀释液………………………………………………….43.细菌、霉菌及酵母菌计数办法的验证………………………………………….44.控制菌检查办法验证……………………………………………………………..65.总结………………………………………………………………………………...76.偏差………………………………………………………………………………...7附录A:****胶囊(规格10mg)微生物程度检查办法………………….……..81目的通过对生产工艺和辅料发生变更后的***胶囊(规格10mg)微生物程度检查的验证,确认所采用的办法适合于该药品的微生物程度的测定,以证明所设定的检查条件及检查程序对可能存在的各类微生物无克制作用,确保检查成果的真实性和重现性。2介绍与总汇***胶囊(规格10mg)微生物程度检查中计数办法验证细菌、霉菌及酵母菌采用平皿法(1ml/皿);控制菌检查办法验证采用常规法(10ml供试液加入到100mlBL培养基中)。为证明此办法能消除***胶囊(规格10mg)的抑菌活性及测定办法的可靠性,QC按照方案(文献编号:VP9023-01)对微生物程度检查办法进行验证。办法验证内容涉及:细菌、霉菌及酵母菌计数办法验证、控制菌检查办法验证。验证成果证明:该检查办法和检查条件能消除***胶囊(规格10mg)的抑菌活性,符合微生物程度检查办法验证规定。日常检测按验证的办法和条件进行微生物程度检查。计数办法验证及控制菌办法验证成果汇总见下表:办法验证成果汇总3样品、仪器、培养基及稀释3.1样品***胶囊规格:10mg批号:0701、0702、07033.2仪器仪器名称型号编号生产厂家生化培养箱LRH-250FA0054上海一恒科技有限公司霉菌培养箱MJ-250-ⅡA0052上海一恒科技有限公司3.3培养基验证时间样品批号规格验证成果计数办法验证(菌回收率%)控制菌验证大肠埃希菌金黄色葡萄球菌枯草芽孢杆菌白色念珠菌黑曲霉菌-10-26070110mg87.795.5113.789.0115.7实验组检出实验菌,供试品组、阴性对照呈阴性,无抑菌活性。-10-26070210mg87.789.2104.890.692.1实验组检出实验菌,供试品组、阴性对照呈阴性,无抑菌活性。-10-26070310mg101.977.8111.692.896.1实验组检出实验菌,供试品组、阴性对照呈阴性,无抑菌活性。培养基名称干粉批号生产厂家营养琼脂培养基0210北京奥博星生物科技有限公司玫瑰红钠琼脂培养基0210北京奥博星生物科技有限公司营养肉汤培养基0406北京奥博星生物科技有限公司改良马丁琼脂培养基101028北京三药生物科技有限公司胆盐乳糖培养基0115北京奥博星生物科技有限公司4-甲基伞形酮葡糖苷酸培养基091029北京三药生物科技有限公司3.4稀释液PH7.0无菌氯化钠-蛋白胨缓冲液0.9%无菌氯化钠溶液含0.05%聚山梨酯80的0.9%无菌氯化钠溶液4细菌、霉菌及酵母菌计数办法的验证4.1菌种菌种菌种序列号代次菌种来源大肠埃希菌CMCC(B)44102第3代四川省药品检检所金黄色葡萄球菌CMCC(B)26003第5代四川省药品检检所枯草芽孢杆菌CMCC(B)63501第3代四川省药品检检所白色念珠菌CMCC(F)98001第5代四川省药品检检所黑曲霉菌CMCC(F)98003第5代四川省药品检检所4.2菌液制备及同时计数将制备好的金黄色葡萄球菌、大肠埃希菌、枯草芽孢杆菌、白色念珠菌菌悬液用0.9%无菌氯化钠溶液做10倍系列稀释制成每1ml含菌数50~100CFU的工作菌液;黑曲霉的新鲜培养物用含0.05%(ml/ml)聚山梨酯80的0.9%无菌氯化钠溶液将孢子洗脱,并做10倍系列稀释制成每1ml含孢子数50~100CFU的孢子菌液。取工作菌液1ml用平皿法做活菌计数。计数成果见下表:菌种成果(CFU/ml)平均值(CFU/ml)稀释级皿1皿2大肠埃希菌10-6757977金黄色葡萄球菌10-6827679枯草芽孢杆菌10-6697773白色念珠菌10-5899290.5黑曲霉菌10-5676063.54.3供试品制备:称取***胶囊(规格10mg)5g,加PH7.0氯化钠-蛋白胨缓冲液至50ml,45℃水浴10分钟,取出混匀,即为1:10供试液。4.4根据验证方案(文献编号:VP9023-01)规...

1、当您付费下载文档后,您只拥有了使用权限,并不意味着购买了版权,文档只能用于自身使用,不得用于其他商业用途(如 [转卖]进行直接盈利或[编辑后售卖]进行间接盈利)。
2、本站所有内容均由合作方或网友上传,本站不对文档的完整性、权威性及其观点立场正确性做任何保证或承诺!文档内容仅供研究参考,付费前请自行鉴别。
3、如文档内容存在违规,或者侵犯商业秘密、侵犯著作权等,请点击“违规举报”。

碎片内容

2025年微生物方法验证报告

您可能关注的文档

确认删除?
VIP
微信客服
  • 扫码咨询
会员Q群
  • 会员专属群点击这里加入QQ群
客服邮箱
回到顶部