电脑桌面
添加小米粒文库到电脑桌面
安装后可以在桌面快捷访问

2025年石方爆破方案VIP免费

2025年石方爆破方案_第1页
1/6
2025年石方爆破方案_第2页
2/6
2025年石方爆破方案_第3页
3/6
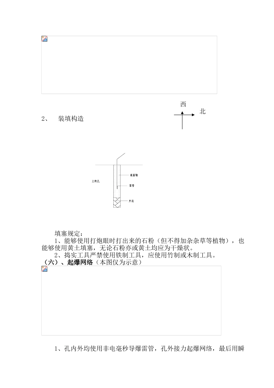
石方爆破施工方案一、施工方案(一)、工程概况本工程重要爆破路段是纬二路及纬二路西延伸段管道挖沟槽石方爆破及部分地表面孤石开炸,石方爆破数量约7000立方米。石质为石灰岩,中档硬度,系数5~8。(二)、择定爆破方案1、由于爆破区沟槽挖深为<3米,为此采用钎风钻钻孔浅眼爆破施工办法。2、视沟槽或路槽时开挖后的石质完整性,必要时采用光面爆破以确保边坡平整和稳定。4、采用定向爆破,临空面方向调节为避免朝向村庄及其它施工工地方向。5、为避免整顿沟槽或路槽时放小炮产生飞石,应适度进行超爆,然后回填至设计标高。(三)、爆破参数浅眼爆破1、最小抵抗线W0.8m2、炮孔直径D38mm3、炮孔孔距a1.2m4、炮孔排拒b1.0m5、炮孔深度L2m6、炮孔超深d0.5m7、堵塞长度L塞1.2m8、炸药单耗k0.45kg/m39、弹孔装药量计算:q=kabL=0.45*1.2*1.0*2=1kg通过试炮后调节炸药单耗。光面爆破参数以下:1、炮孔直径D=90mm2、光爆层〥=1.5m3、炮孔距a=1.2m4、线装药密度L密=550g/m2(四)、爆破器材品种1、瞬发电雷管、非电毫秒导爆雷管2、岩石铵梯、乳化炸药、导爆索(五)、炮孔布置及装填构造1、炮孔布置:如图所示路基爆破采用梅花状(排距最少3排,施工过程中以3至5排为宜)西北2、装填构造填塞规定:1、能够使用打炮眼时打出来的石粉(但不得加杂杂草等植物),也能够使用黄土填塞,无论石粉亦或黄土均应为干燥状。2、捣实工具严禁使用铁制工具,应使用竹制或木制工具。(六)、起爆网络(本图仅为示意)1、孔内外均使用非电毫秒导爆雷管,孔外接力起爆网络,最后用瞬发电雷管实现远距离起爆,每次起爆,排数不能少于3排。2、孔内用高段次、孔外用低段次导爆管(以减少震动)。3、在有通讯设备、电缆线、危险建筑物等辐射源附近的部位,严禁使用瞬发电雷管,而只能使用火雷管。当无以上辐射源时能够使用瞬发电雷管,但必须避免手机的辐射影响,故在施工导爆时应将手机关机或禁带手机入场。(七)、安全技术方法1、使用毫秒导爆雷管,通过孔内外微差而实现微差挤压爆破,一是控制爆破震动,二是改善爆破效果。2、采用光面爆破技术,以确保边坡稳定。3、通过炮孔超深,使得爆破后的槽底或路床面标高与设计标高的偏差控制在一定的范畴内,克服留底根现象。4、小炮(如浅孔爆破3米以内)炮孔用炮被覆盖炮口,以防飞石产生,调节爆破临空石方向,避免朝向村庄。5、拟定爆破的固定时间上午为8:30-11:30,下午14:30-17:30,特殊状况另定放炮时间。6、按实际孔深拟定装药量,即现场实际操作时应有专人先进行孔深量测,拟定装药量及填塞物高度后再进行装药。在装药过程中,应分工负责,两人一组,现有装药(或填塞物)的、又有控制用量的(必须有量测设备),不允许有分药状况发生,以防混乱。7、实际装药量一定要与设计、计算装药量相符,否则应查明因素,解决完毕后方可进行下个孔的装药。以防出现漏洞、裂隙、溶洞等不良地质构造时出现抽炮,爆破能量冲向单薄环节,造成危险。钻进过程中应检查石粉中与否有黄泥浆,并进行具体统计,在装药过程中进行特殊解决,严控用药量。8、进行钻孔前,应按照布置的孔位进行具体的测量,拟定钻孔深度;实际钻进过程中,严格按照提供的数据钻进,确保孔底部在同一深度的断面上,尽量的减少震动。9、为确保爆破的顺利实施,应进行试炮,同时应根据地质等多个状况适时调节爆破方案,以策安全。10、在打孔过程中应采用草包覆盖开孔部位,或喷水、喷雾,以防造成环境污染。(八)、事故的防止及解决1、装药现场严禁烟火(绝不允许抽烟),不准无关人员进入。2、装药警戒区边界插红旗,树牌子;爆破危险区边界设明显的标志,派专人警戒。3、雷雨天气、夜晚或雾天、黄昏天严禁装药爆破,在装药过程中突发雷雨,人员应立刻撤离现场。4、按规定发出预警、起爆、解除三次信号,以红旗和口哨作为视觉和听觉标志,让附近人员看到和听到。5、成立安全生产领导小组和抢险工作队,不得延误时间,使损失减少至最低程度。6、施工的各个环节,均应按爆破规定做好具体的施工统计,便于领导及爆破负责人检查各工序的实施状况,杜绝多个不良现象的发生,将多个可能出现的问...

1、当您付费下载文档后,您只拥有了使用权限,并不意味着购买了版权,文档只能用于自身使用,不得用于其他商业用途(如 [转卖]进行直接盈利或[编辑后售卖]进行间接盈利)。
2、本站所有内容均由合作方或网友上传,本站不对文档的完整性、权威性及其观点立场正确性做任何保证或承诺!文档内容仅供研究参考,付费前请自行鉴别。
3、如文档内容存在违规,或者侵犯商业秘密、侵犯著作权等,请点击“违规举报”。

碎片内容

2025年石方爆破方案

您可能关注的文档

确认删除?
VIP
微信客服
  • 扫码咨询
会员Q群
  • 会员专属群点击这里加入QQ群
客服邮箱
回到顶部