电脑桌面
添加小米粒文库到电脑桌面
安装后可以在桌面快捷访问

住宅给水计算题VIP免费

住宅给水计算题_第1页
1/23
住宅给水计算题_第2页
2/23
住宅给水计算题_第3页
3/23
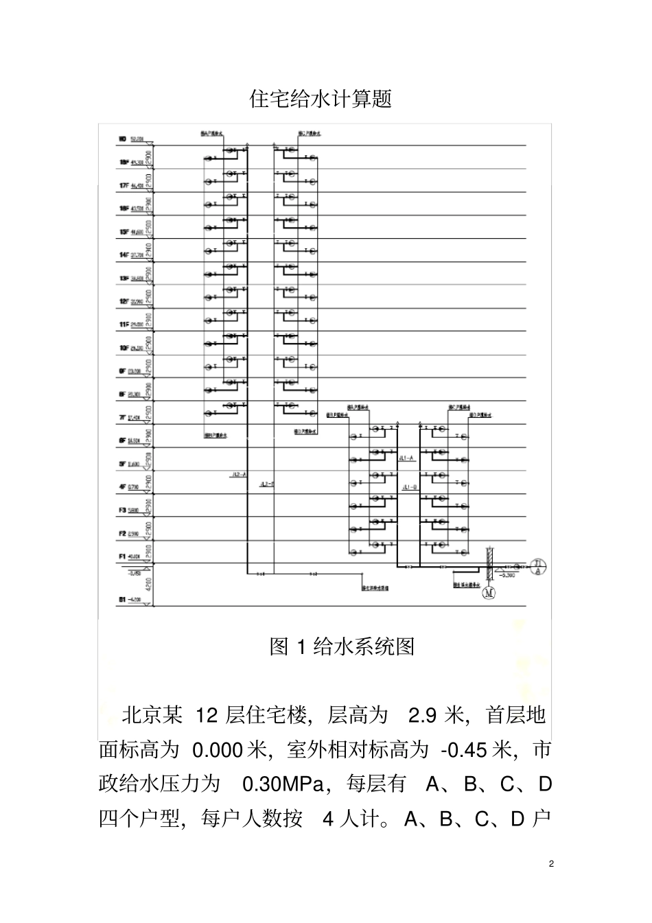
住宅给水计算题2住宅给水计算题图1给水系统图北京某12层住宅楼,层高为2.9米,首层地面标高为0.000米,室外相对标高为-0.45米,市政给水压力为0.30MPa,每层有A、B、C、D四个户型,每户人数按4人计。A、B、C、D户3型卫生器具当量数分别为3.5、4、4.5、5。试分别计算变频给水方式升压和贮水设备;气压水罐给水方式的升压和贮水设备及气压水罐的容积。解:1.变频给水方式计算(1)初步估算市政压力可直接供应的楼层数,并进行给水分区市政给水压力为0.30MPa=300kPa120(2)40300HnkPaQ供应层数6.5n层初定分区为:1-6层为低区,采用市政直接给水;7~18层采用自行加压供水方式。给水系统见图1。(2)低区给水系统设计秒流量计算1)确定每户当量的最大同时卫生器具给水当量平均出流概率按《建规》3.6.4条第1、2小节进行计算,即:最大用水时卫生器具给水当量平均出流概率:%10036002.0UL0TNKmqgh(1)4式中:0U——生活给水管道的最大用水时卫生器具给水当量平均出流概率(%);Lq——最高用水日的用水定额,按本规范,按普通住宅Ⅱ类,取200(L/人·d);m——每户用水人数;Kh——小时变化系数,按本规范表3.1.9取用2.5;Ng——每户设置的卫生器具给水当量数;T——用水时数(h),按24h计算;0.2——一个卫生器具给水当量的额定流量(L/s)。A户型最大用水时给水当量平均出流概率:%10036002.0ULA0TNKmqgh=%100360024.532.0.524200=3.30同理可得:B户型、C户型和D户型最大用水时给水当量平均出流概率分别为:B0U=2.9;C0U=2.6;D0U=2.3。2)同时出流概率和设计秒流量的计算根据计算管段上的卫生器具给水当量总数,可按下式计算得出该管段的卫生器具给水当量5的同时出流概率:ggcNNU49.0)1(1(2)式中:U——计算管段的卫生器具给水当量同时出流概率(%);c——对应于不同U0的系数,查《建规》规范附录C中表C;Ng——计算管段的卫生器具给水当量总数。可按下式计算该管段的设计秒流量:ggNUq??2.0(3)式中:gq——计算管段的设计秒流量(L/s)。U——计算管段的卫生器具给水当量同时出流概率;Ng——计算管段的卫生器具给水当量总数;0.2——一个卫生器具给水当量的额定流量(L/s)。A户型:给水当量:NA=3.5;UA0=3.3;A0采用内插法计6算,1939.00.30.501939.002374.00A0)(=0.022003.51)-50.02200(3.1)1(10.49A49.0AA0ANNU0.55AA2.0NUqA??=0.2×0.553×3.5=0.39L/sB户型:给水当量:NB=4.0;UB0=2.9;B0采用内插法计算,5321.00.40.50.015120.019390B0)(=0.0185441)-0.01854(41)1(10.49B49.0BB0BNNU0.516BB2.0NUqB??=0.2×0.516×4.0=0.41L/C户型:给水当量:NC=4.5;UC0=2.6;c0采用内插法计算,5321.00.10.50.015120.019390C0)(=0.015974.51)-50.01597(4.1)1(10.49C49.0CC0CNNU0.485CC2.0NUqC??=0.2×0.485×4.5=0.44L/sD户型:给水当量:ND=5.0;UD0=2.3;D0采用内插法计算,79701.00.30.50.010970.015120D0)(=0.013465.01)-00.01346(5.1)1(10.49D49.0DD0DNNU0.459DD2.0NUqD??=0.2×0.459×5.0=0.46L/s3)进户干管秒流量计算低区给水计算简图,并进行编号,见图2。假定立管JL1-A第六层B户型为最不利用户用水点,由于A、B两个户型给水当量和平均出流概率均不相同,按《建规》3.6.4条第4小节规定,应对给水当量平均出流概率进行加权平均。gigioiNNUU0(4)式中:0U——给水干管的最大时卫生器具给水当量平均出流概率;oiU——给水支管的最大时卫生器具给水当量平均出流概率;giN——相应支管的卫生器具给水当量总数。8图2低区给水计算图1-2管段:.04.53.04.92.533.3U210gigioiNNU)(—=3.09采用内插法计算2)-C(1:9391.00.090.50.019390.0237402)-C(1)(=0.020177.51)-50.02017(7.1)1(10.492)-(149.02)-(12)-C(12)-(1NNU0.382)-(12)-(12-12.0NUq??=0.2×0.38×7.5=0.58L/s1’-2’管段:.05.54.053.2.546.2U210gigioiNNU)(—’‘=2.449采用内插法计算)2-C(1'':9701.00.440.50.010970.015120)2-C(1'')(=0.014629.51)-50.01462(9.1)1(10.49)2-(149.0)2-(1)2-C(1)2-(1'''''''NNU0.34)2-(1)2-(12-12.0’‘’‘’‘NUq??=0.2×0.34×9.5=0.64L/s;9-10管段:574557.4424590.3U1090gigioiN...

1、当您付费下载文档后,您只拥有了使用权限,并不意味着购买了版权,文档只能用于自身使用,不得用于其他商业用途(如 [转卖]进行直接盈利或[编辑后售卖]进行间接盈利)。
2、本站所有内容均由合作方或网友上传,本站不对文档的完整性、权威性及其观点立场正确性做任何保证或承诺!文档内容仅供研究参考,付费前请自行鉴别。
3、如文档内容存在违规,或者侵犯商业秘密、侵犯著作权等,请点击“违规举报”。

碎片内容

住宅给水计算题

您可能关注的文档

确认删除?
VIP
微信客服
  • 扫码咨询
会员Q群
  • 会员专属群点击这里加入QQ群
客服邮箱
回到顶部