电脑桌面
添加小米粒文库到电脑桌面
安装后可以在桌面快捷访问

体外诊断试剂综述资料:产品校准品赋值资料-TGVIP免费

体外诊断试剂综述资料:产品校准品赋值资料-TG_第1页
1/5
体外诊断试剂综述资料:产品校准品赋值资料-TG_第2页
2/5
体外诊断试剂综述资料:产品校准品赋值资料-TG_第3页
3/5
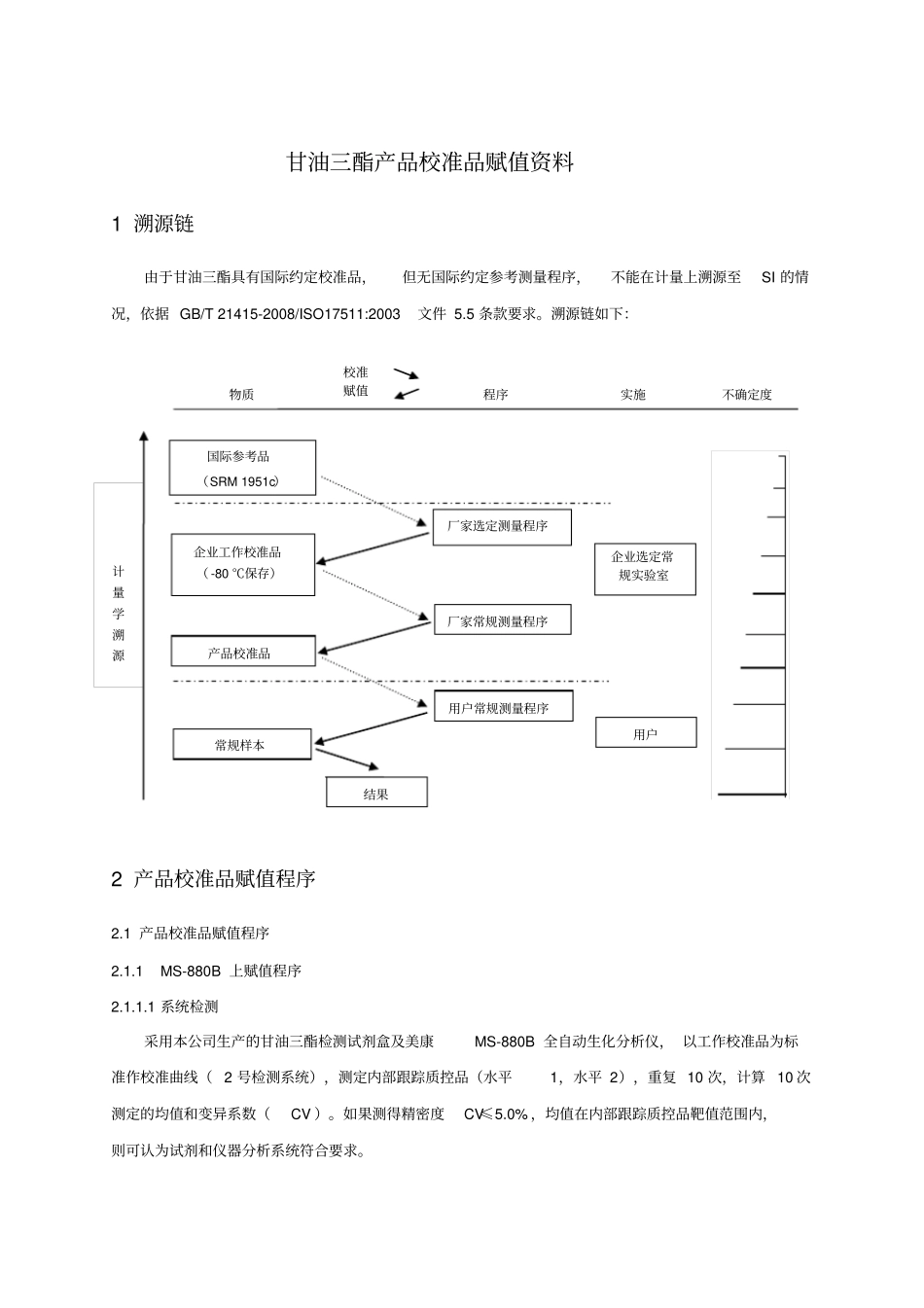
计量学溯源国际参考品(SRM1951c)企业工作校准品(-80℃保存)产品校准品常规样本厂家选定测量程序厂家常规测量程序用户常规测量程序结果用户物质校准赋值程序实施不确定度企业选定常规实验室甘油三酯产品校准品赋值资料1溯源链由于甘油三酯具有国际约定校准品,但无国际约定参考测量程序,不能在计量上溯源至SI的情况,依据GB/T21415-2008/ISO17511:2003文件5.5条款要求。溯源链如下:2产品校准品赋值程序2.1产品校准品赋值程序2.1.1MS-880B上赋值程序2.1.1.1系统检测采用本公司生产的甘油三酯检测试剂盒及美康MS-880B全自动生化分析仪,以工作校准品为标准作校准曲线(2号检测系统),测定内部跟踪质控品(水平1,水平2),重复10次,计算10次测定的均值和变异系数(CV)。如果测得精密度CV≤5.0%,均值在内部跟踪质控品靶值范围内,则可认为试剂和仪器分析系统符合要求。2.1.1.2产品校准品赋值程序采用本公司生产的甘油三酯检测试剂盒及美康MS-880B全自动生化分析仪,以工作校准品为标准作校准曲线(2号检测系统),测定本公司产品校准品10瓶,每瓶测1次,计算十个数据的均值X1、标准差S1和变异系数CV1。再取其中1瓶,检测10次,计算10个数据的均值X2、标准差S2,按照公式S瓶间=2221SS和CV瓶间=S瓶间/X1×100%计算CV瓶间。如果测得精密度CV1和CV瓶间≤5.0%,测得的均值X1即为产品校准品的初步定值。测定产品校准品10瓶,每瓶测一次取其中一瓶,重复测10次质控品测定值mmol/L水平10.920.930.900.870.880.900.870.900.890.88平均值0.89CV2.26%靶值0.90(0.82-0.98)水平22.772.942.782.792.852.792.852.902.942.85平均值2.85CV2.25%靶值2.85(2.60-3.10)测定值mmol/L2.062.062.142.082.072.082.152.242.232.19X12.13S10.070CV13.30%产品校准品值2.13测定值mmol/L2.1.1.3产品校准品可靠性验证采用本公司生产的甘油三酯检测试剂盒及美康MS-880B全自动生化分析仪,以初步定值的产品校准品为标准作校准曲线(3号检测系统),测定内部跟踪质控品(水平1,水平2),重复10次,计算10次测定的均值和变异系数(CV),同时测定40份样本。另外采用本公司生产的甘油三酯检测试剂盒及美康MS-880B全自动生化分析仪,以工作校准品为标准作校准曲线(2号检测系统),同时测定40份样本。如果测得内部跟踪质控品的精密度CV≤5.0%,40份样本两次测值的相关性分析(Y=aX+b),a与1的相对偏差≤2.0%,b接近于0,相关系数(r)≥0.975,则可认为产品校准品定值可靠。如达不到要求,则根据样本比对结果调整产品校准品的值,再次重复与2.1.1.3中2号检测系统的40份样本结果进行比对,直至符合要求。序号对照系统检测结果待评价系统检测结果序号对照系统检测结果待评价系统检测结果11.651.64210.220.2428.559.18222.482.4731.291.19230.780.792.182.102.112.182.212.182.132.132.142.11X22.15S20.038CV瓶间2.76%质控品测定值mmol/L水平10.920.930.900.880.920.920.870.890.920.89平均值0.90CV2.30%靶值0.90(0.82-0.98)水平22.802.772.842.842.952.892.772.872.892.94平均值2.86CV2.24%靶值2.85(2.60-3.10)46.926.82248.287.7051.551.46251.631.6263.042.95267.537.5371.171.10271.671.6085.405.55283.523.5190.280.31291.231.25100.840.83300.640.69113.523.26315.084.88120.820.83320.960.97138.388.94338.138.88141.361.34340.910.97158.258.26359.479.81160.880.86361.531.53177.457.65372.242.35180.340.35380.600.621910.5410.36395.115.18200.830.784010.3010.11相关性分析Y=1.0154X-0.0314(r=0.9979)a=1.0154b=-0.0314r=0.9979结论:由实验统计结果可知,该甘油三酯的校准品定值结果:2.13mmol/L,定值可靠。2.1.1.4不确定度计算上级校准品工作校准品标准不确定度即为um-cal。通过测定次数(10)、标准差S2计算均值的标准偏差(10/2S),即为多次检测结果平均值的标准不确定度uchar。通过S1和S2计算S瓶间,S瓶间即为瓶间标准不确定度ubb。计算公式如下:bbcalmcharcuuuu222扩展不确定度U=k×uc=2×uc(k=2表示置信度为95%)%100校准品定值扩展不确定度相对扩展不确定度ucharum-calubbucU(k=2)0.0120.0500.0590.080.16(1)产品校准品定值:2.13mmol/L(2)扩展不确定度U=0.16(3)相对扩展不确定度=7.51%

1、当您付费下载文档后,您只拥有了使用权限,并不意味着购买了版权,文档只能用于自身使用,不得用于其他商业用途(如 [转卖]进行直接盈利或[编辑后售卖]进行间接盈利)。
2、本站所有内容均由合作方或网友上传,本站不对文档的完整性、权威性及其观点立场正确性做任何保证或承诺!文档内容仅供研究参考,付费前请自行鉴别。
3、如文档内容存在违规,或者侵犯商业秘密、侵犯著作权等,请点击“违规举报”。

碎片内容

体外诊断试剂综述资料:产品校准品赋值资料-TG

您可能关注的文档

确认删除?
VIP
微信客服
  • 扫码咨询
会员Q群
  • 会员专属群点击这里加入QQ群
客服邮箱
回到顶部