电脑桌面
添加小米粒文库到电脑桌面
安装后可以在桌面快捷访问

余热锅炉安装施工方案7吨VIP专享VIP免费

余热锅炉安装施工方案7吨_第1页
1/15
余热锅炉安装施工方案7吨_第2页
2/15
余热锅炉安装施工方案7吨_第3页
3/15
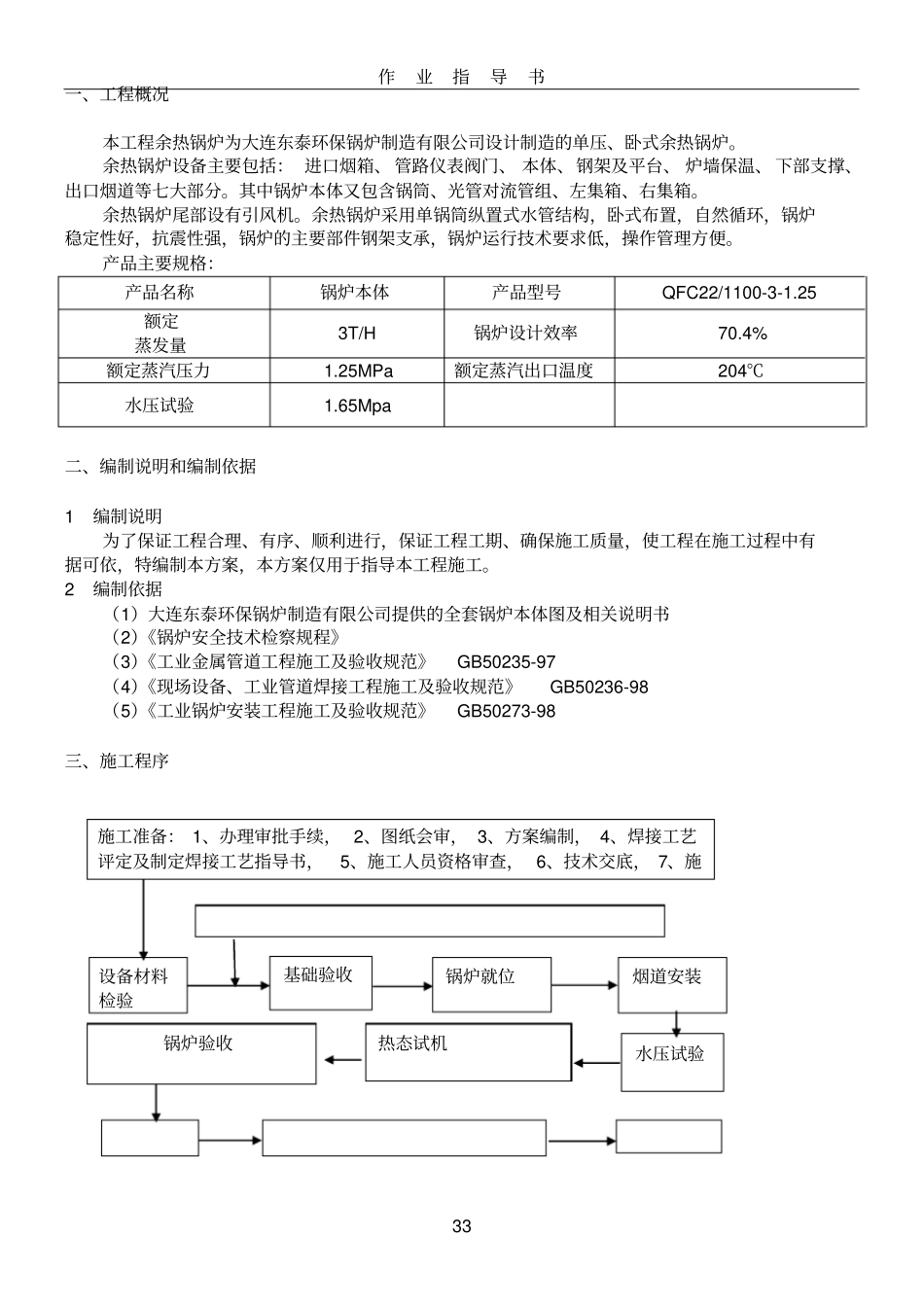
作业指导书11余热锅炉安装施工方案大连东泰环保锅炉制造有限公司余热锅炉施工方案一、工程概况.......................................................................3二、编制说明和编制依据.............................................................3三、施工程序.......................................................................3作业指导书22四、施工人员及设备安装机具配置.....................................................41、施工人员配备表.................................................................42、主要设备工具配置表.............................................................4五、施工预备工作...................................................................4六、主要施工方案...................................................................41.基础验收与划线..................................................................42安装程序.......................................................................53模块钢架和平台扶梯等钢构件的安装................................................54锅筒和管道的安装................................................................65水压试验.......................................................................86热工仪表及附属设备的安装.......................................................97保温..........................................................................108烘炉..........................................................................109煮炉和蒸汽试验.................................................................1110整机试运行...................................................................12七、受压元件焊接工艺要求与施工质量要求............................................12八、质量保证和安全技术措施........................................................131主要质量保证措施...............................................................132安全技术措施...................................................................13九、文明施工.....................................................................14十、安装竣工资料验收:............................................................14作业指导书33一、工程概况本工程余热锅炉为大连东泰环保锅炉制造有限公司设计制造的单压、卧式余热锅炉。余热锅炉设备主要包括:进口烟箱、管路仪表阀门、本体、钢架及平台、炉墙保温、下部支撑、出口烟道等七大部分。其中锅炉本体又包含锅筒、光管对流管组、左集箱、右集箱。余热锅炉尾部设有引风机。余热锅炉采用单锅筒纵置式水管结构,卧式布置,自然循环,锅炉稳定性好,抗震性强,锅炉的主要部件钢架支承,锅炉运行技术要求低,操作管理方便。产品主要规格:产品名称锅炉本体产品型号QFC22/1100-3-1.25额定蒸发量3T/H锅炉设计效率70.4%额定蒸汽压力1.25MPa额定蒸汽出口温度204℃水压试验1.65Mpa二、编制说明和编制依据1编制说明为了保证工程合理、有序、顺利进行,保证工程工期、确保施工质量,使工程在施工过程中有据可依,特编制本方案,本方案仅用于指导本工程施工。2编制依据(1)大连东泰环保锅炉制造有限公司提供的全套锅炉本体图及相关说明书(2)《锅炉安全技术检察规程》(3)《工业金属管道工程施工及验收规范》GB50235-97(4)《现场设备、工业管道焊接工程施工及验收规范》GB50236-98(5)《工业锅炉安装工程施工及验收规范》GB50273-98三、施工程序施工准备:1、办理审批手续,2、图纸会审,3、方案编制,4、焊接工艺评定及制定焊接工艺指导书,5、施工人员资格审查,6、技术交底,7、施设备材料检验锅炉就位烟道安装基础验收水压试验热态试机锅炉验收作业指导书44四、施工人员及设备安装机具配置1、施工人员配备表序号职务及工种人数...

1、当您付费下载文档后,您只拥有了使用权限,并不意味着购买了版权,文档只能用于自身使用,不得用于其他商业用途(如 [转卖]进行直接盈利或[编辑后售卖]进行间接盈利)。
2、本站所有内容均由合作方或网友上传,本站不对文档的完整性、权威性及其观点立场正确性做任何保证或承诺!文档内容仅供研究参考,付费前请自行鉴别。
3、如文档内容存在违规,或者侵犯商业秘密、侵犯著作权等,请点击“违规举报”。

碎片内容

余热锅炉安装施工方案7吨

确认删除?
VIP
微信客服
  • 扫码咨询
会员Q群
  • 会员专属群点击这里加入QQ群
客服邮箱
回到顶部