电脑桌面
添加小米粒文库到电脑桌面
安装后可以在桌面快捷访问

光伏太阳能发电项目起重机吊装施工安全方案VIP免费

光伏太阳能发电项目起重机吊装施工安全方案_第1页
1/9
光伏太阳能发电项目起重机吊装施工安全方案_第2页
2/9
光伏太阳能发电项目起重机吊装施工安全方案_第3页
3/9
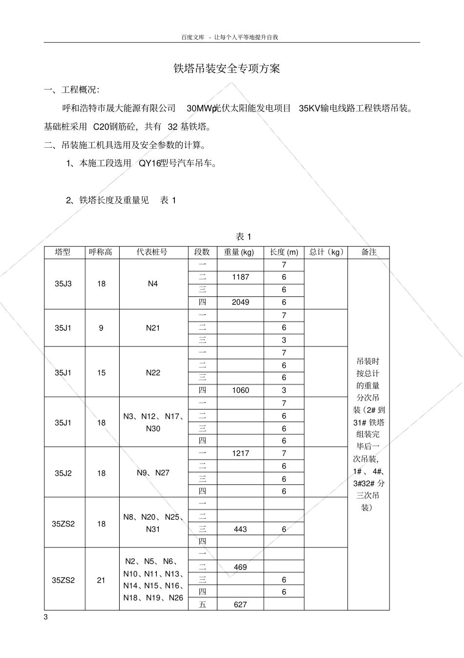
百度文库-让每个人平等地提升自我1起重吊装施工安全方案工程名称:呼和浩特市晟大能源有限公司30MWp光伏太阳能发电项目35KV输电线路工程编号:A008致:河南省中大工程监理有限公司我单位已完成了呼和浩特市晟大能源有限公司30MWp光伏太阳能发电项目35KV输电线路工程起重吊装施工安全方案(专项施工方案)的编制,并经公司技术负责人批准,请予以审查。附:《呼和浩特市晟大能源有限公司30MWp光伏太阳能发电项目35KV输电线路工程起重吊装施工方案》承包单位(章)项目经理日期专业监理工程师审查意见:专业监理工程师日期本表一式三份,建设单位、监理单位、承包单位各一份。百度文库-让每个人平等地提升自我2铁塔吊装专项安全方案编制:审核:批准:百度文库-让每个人平等地提升自我3铁塔吊装安全专项方案一、工程概况:呼和浩特市晟大能源有限公司30MWp光伏太阳能发电项目35KV输电线路工程铁塔吊装。基础桩采用C20钢筋砼,共有32基铁塔。二、吊装施工机具选用及安全参数的计算。1、本施工段选用QY16型号汽车吊车。2、铁塔长度及重量见表1表1塔型呼称高代表桩号段数重量(kg)长度(m)总计(kg)备注35J318N4一7吊装时按总计的重量分次吊装(2#到31#铁塔组装完毕后一次吊装,1#、4#、3#32#分三次吊装)二11876三6四2049635J19N21一7二6三335J115N22一7二6三6四1060335J118N3、N12、N17、N30一7二6三6四635J218N9、N27一12177二6三6四635ZS218N8、N20、N25、N31一二三4436四35ZS221N2、N5、N6、N10、N11、N13、N14、N15、N16、N18、N19、N26一二469三6四6五627百度文库-让每个人平等地提升自我435ZS224N7、N28、N29一3056二469三6四6五35GDL18N1、N32一382378501二46786三5899612158四6259635GJP30N23、N24一二1780三21803四27653、根据资料查表得:QY16型号汽车吊车臂长米时,起重量为25吨,本段作业起升高度仅为26米。QY16型号汽车吊车满足吊装安全要求。四、人员组织、分工与职责(1)人员组织现场负责人:郭长青技术负责人:闫小五质检员:苏玉文安全员:尹涛起重工:宋欢庆(证号:)司索工:方根(2)安全岗位职责1)现场负责人安全岗位职责①现场负责人负责现场安全工作,对吊装作业现场人员进行统一调度和指挥。②负责检查核对进场作业起重机械分方案造配是否一致、有无安全协议、安全交底等。起重机械年检记录是否符合国家标准,严格审核。③负责督促检查吊装作业人员(含电工、电焊工、辅助用工)上岗前的安全培训教育,安全技术交底,特种作业证人员持证上岗情况,严格按专项方案要求执行。④负责指导检查技术人员,安全员对起重机械作业环境进行检查。起重机械位置下方基础是否牢固、作业半径内有无障碍物,并按规定标准执行。⑤负责督促检查技术人员,安全员对起重机械支撑、钢丝绳及卡具进行检查并组织试吊。百度文库-让每个人平等地提升自我52)技术负责人(质检员)安全岗位职责①负责安全专项方案的审核并与安全人员一道组织安全技术交底,并解决吊装作业中的技术措施问题。②督促、检查、指导并按安全方面有关标准的规范执行。③负责对吊点质量的检查,确保安全作业。④做好资料的收集和整理,和吊点位置的选择确定,确保资料的真实、准确与完整。3)安全管理人员的岗位职责①在项目负责人的组织下,参加施工安全专项方案的编制。并按规定论证报批,并认真按批准的方案实施。如无此方案不准吊装施工。②根据批准方案要求,参加对进场起重设备负责自检。自检合格后,负责填写起重设备报审表。(附自检合格表)报监理单位审批。③负责对所有参加钢筋笼吊装安装人员的岗前三级安全教育并进行考试,合格人员方可上岗作业。④参加并负责对所有人员的安全技术交底工作。(以上3,4条应先告知监理人员旁站并在标准表格中签字)⑤负责对进场起重机械安全性能及钢丝绳、吊卡、支撑材料的检验。达不到安全标准,不准其进场作业。⑥在现场负责人、技术人员指导下,对起重设备作业点地下基础、支撑点的牢固否、作业半径(含倾覆时)有无障碍物,并按安全规定进行防护,达不到安全规范标准时,严禁作业。⑦在现场旁站,并按规范进行试吊与督促检查,做好施工安全日记记录,存入档案备查...

1、当您付费下载文档后,您只拥有了使用权限,并不意味着购买了版权,文档只能用于自身使用,不得用于其他商业用途(如 [转卖]进行直接盈利或[编辑后售卖]进行间接盈利)。
2、本站所有内容均由合作方或网友上传,本站不对文档的完整性、权威性及其观点立场正确性做任何保证或承诺!文档内容仅供研究参考,付费前请自行鉴别。
3、如文档内容存在违规,或者侵犯商业秘密、侵犯著作权等,请点击“违规举报”。

碎片内容

光伏太阳能发电项目起重机吊装施工安全方案

您可能关注的文档

确认删除?
VIP
微信客服
  • 扫码咨询
会员Q群
  • 会员专属群点击这里加入QQ群
客服邮箱
回到顶部