电脑桌面
添加小米粒文库到电脑桌面
安装后可以在桌面快捷访问

全国土地分类试行--三大地类VIP免费

全国土地分类试行--三大地类_第1页
1/8
全国土地分类试行--三大地类_第2页
2/8
全国土地分类试行--三大地类_第3页
3/8
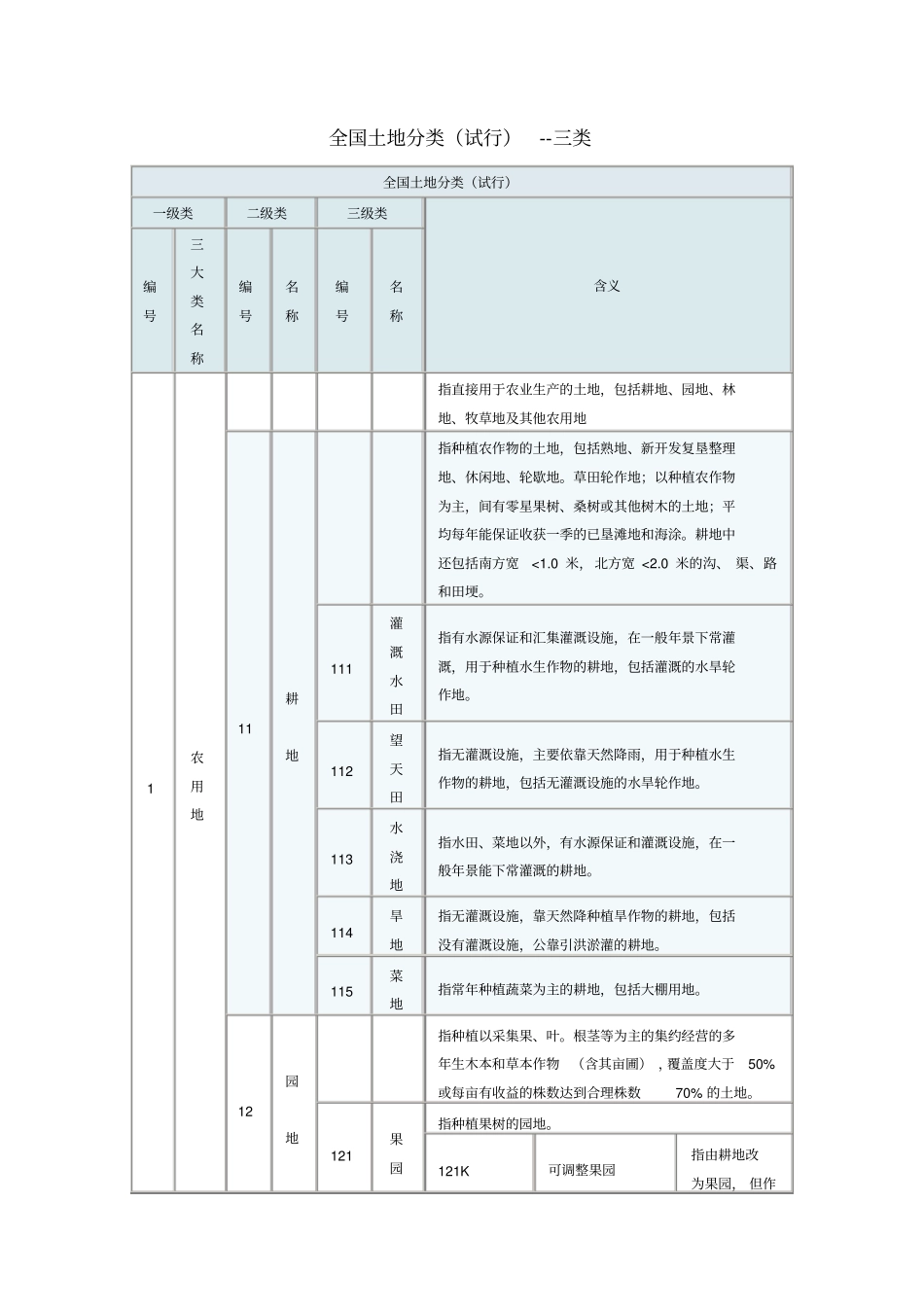
全国土地分类(试行)--三类全国土地分类(试行)一级类二级类三级类含义编号三大类名称编号名称编号名称1农用地指直接用于农业生产的土地,包括耕地、园地、林地、牧草地及其他农用地11耕地指种植农作物的土地,包括熟地、新开发复垦整理地、休闲地、轮歇地。草田轮作地;以种植农作物为主,间有零星果树、桑树或其他树木的土地;平均每年能保证收获一季的已垦滩地和海涂。耕地中还包括南方宽<1.0米,北方宽<2.0米的沟、渠、路和田埂。111灌溉水田指有水源保证和汇集灌溉设施,在一般年景下常灌溉,用于种植水生作物的耕地,包括灌溉的水旱轮作地。112望天田指无灌溉设施,主要依靠天然降雨,用于种植水生作物的耕地,包括无灌溉设施的水旱轮作地。113水浇地指水田、菜地以外,有水源保证和灌溉设施,在一般年景能下常灌溉的耕地。114旱地指无灌溉设施,靠天然降种植旱作物的耕地,包括没有灌溉设施,公靠引洪淤灌的耕地。115菜地指常年种植蔬菜为主的耕地,包括大棚用地。12园地指种植以采集果、叶。根茎等为主的集约经营的多年生木本和草本作物(含其亩圃),覆盖度大于50%或每亩有收益的株数达到合理株数70%的土地。121果园指种植果树的园地。121K可调整果园指由耕地改为果园,但作层未被破坏的土地。122桑园指种植桑树的园地。122K可调整桑园指由耕地改为桑园,但作层未被破坏的土地。123茶园指种植茶树的园地123K可调整茶园指由耕地改为茶园,但耕作层未被破坏的土地。124橡胶园指种植橡胶树的园地124K可调整橡胶园指由耕地改为果园,但作层未被破坏的土地。125其他园地指种植可可、咖啡、沽棕、胡椒、花卉、药材等其他多年生作物的园地。125K可调整其他园地指由耕地改为其他园地,但耕作层未被破坏的土地13林地指生长乔木、竹类、灌木、沿海红树林的土地,不包括居民点绿地,以及铁路、公路、河流、沟渠护路、护岸林。131有林地指树木郁闭度≥20%的疏林地。131K可调整有林地指由耕地改为有林地,但耕作层未被破坏的土地。132灌木林地指覆盖度≥40%的林地。133蔬林地指树木郁闭度≥10%但<20%的疏林地。134未成林造森地指造林成活率大于或等于合理造林数的41%,尚未郁闭但有林希望的新造林地(一般指造林后不满3年-5年或飞机播种后不满5年-7年的造林地)134K可调整未成林造林地指由耕地改为有林地,但耕作层未被破坏的土地。135迹地指森林采伐、火烧后,5年未更新的土地。136苗圃指固定的林木育苗地,136k:可调整苗圃,指由耕地改为苗圃,但耕作层未被破坏的土地。136K可调整苗圃指由耕地改为苗圃,但耕作层未被破坏的土地14牧草地指生长草本植树物为主,用于畜牧业的土地。141天然草地指以天然草本植物为主,未经改良,用于放牧或割草的草地,包括以牧为主的疏林、灌木草地。142改良草地指采用灌溉、排水、施肥、补植用于牧业的灌木地。(接下表)(续上表)全国土地分类(试行)--三类一级类二级类三级类含义编号三大类名称编号名称编号名称143人工草地指人工种植牧草的草地,包括人工培植用于牧业的灌木地。143k,可调整人工草地,指由耕地改为人工草地,但耕作层未被套破坏的土地。143K可调整人工草地指由耕地改为人工草地,但耕作层未被破坏的土地。15其他农用地指上述耕地、园地、林地、牧草地以外的农用地151畜牧饲养地指以经营性养殖为目的的畜禽舍及其相应附属设施用地152设施农业用地指进行工厂化作物栽培或水产养殖的生产设施用地153农村道路指农村南方宽≥1米,北方宽≤2米的村间、田间道路(含机耕道)154坑塘水面指人工开挖或天然形成的蓄水量<万立方米(不含养殖水面)的坑塘正常水位以下的面积155养殖水面指人工开挖或天然形成的专门用于水产养殖的坑塘水面及相应附属设施用地。155K可调整养殖水面指由耕地改为养殖水面,但可复耕的土地156农田水利指农民、农民集体或其他农业企业等自用地建或联建的农田排灌沟渠及其相应附属设施用地157田坎主要指耕地中南方宽≥1米,北方宽≤2米的梯田田坎158晒谷场等用地指晒谷场及上述用地中未包含的其他农用地2建设用地指建造建筑物、构筑物的土地,包括商业、工矿、仓储、公用设施、公共建筑、住宅、交通、水利设施...

1、当您付费下载文档后,您只拥有了使用权限,并不意味着购买了版权,文档只能用于自身使用,不得用于其他商业用途(如 [转卖]进行直接盈利或[编辑后售卖]进行间接盈利)。
2、本站所有内容均由合作方或网友上传,本站不对文档的完整性、权威性及其观点立场正确性做任何保证或承诺!文档内容仅供研究参考,付费前请自行鉴别。
3、如文档内容存在违规,或者侵犯商业秘密、侵犯著作权等,请点击“违规举报”。

碎片内容

全国土地分类试行--三大地类

爱的疯狂+ 关注
实名认证
内容提供者

该用户很懒,什么也没介绍

确认删除?
VIP
微信客服
  • 扫码咨询
会员Q群
  • 会员专属群点击这里加入QQ群
客服邮箱
回到顶部