电脑桌面
添加小米粒文库到电脑桌面
安装后可以在桌面快捷访问

全国环境监察标准化建设标准--环发[2011]97号VIP专享VIP免费

全国环境监察标准化建设标准--环发[2011]97号_第1页
1/5
全国环境监察标准化建设标准--环发[2011]97号_第2页
2/5
全国环境监察标准化建设标准--环发[2011]97号_第3页
3/5
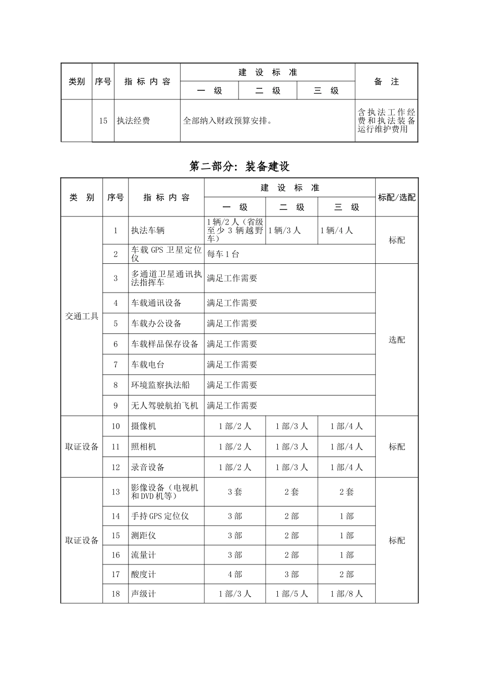
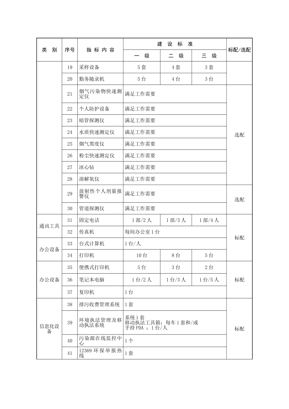
附件一:全国环境监察标准化建设标准第一部分:队伍建设类别序号指标内容建设标准备注一级二级三级机构与人员1机构经当地编制主管部门发文批准的独立机构;机构名称符合原国家环保总局环发〔2002〕100号文件规定或为环境监察(分)局;组织健全,正式运行。2人员规模综合考虑辖区面积、经济社会发展水平、污染源数量分布及检查频次要求等因素,原则上东、中、西部地区省级分别不少于50人、40人、30人,直辖市本级不少于60人,东、中、西部100万人口以上城市本级分别不少于50人、45人、40人,东、中、西部50-100万人口中等地市本级不少于40人、35人、30人,其余不少于20人。3人员管理人员全部纳入公务员管理或参照公务员管理。4人员学历(大专以上)95%90%85%不含工勤人员5环保相关专业人员35%30%25%6执法人员培训率100%95%90%指环境监察岗位培训率7执法人员持证上岗率100%95%90%指持“中国环境监察执法证”8职能到位基本职能按环境保护部规定的职能能够到位。基础工作9执行环境监察工作制度制度健全、遵守和实施。10执行环境监察工作程序程序完整合理,操作简单实用,执行规范有序。11执行环境监察政务信息报送制度按有关文件要求报送。基础工作12政务公开制度按5项公开要求公开。13档案管理工作填写工整规范,资料齐全完整。经费保障14基本支出全部纳入财政预算安排。包括人员工资、日常公用经费等类别序号指标内容建设标准备注一级二级三级15执法经费全部纳入财政预算安排。含执法工作经费和执法装备运行维护费用第二部分:装备建设类别序号指标内容建设标准标配/选配一级二级三级交通工具1执法车辆1辆/2人(省级至少3辆越野车)1辆/3人1辆/4人标配2车载GPS卫星定位仪每车1台3多通道卫星通讯执法指挥车满足工作需要选配4车载通讯设备满足工作需要5车载办公设备满足工作需要6车载样品保存设备满足工作需要7车载电台满足工作需要8环境监察执法船满足工作需要9无人驾驶航拍飞机满足工作需要取证设备10摄像机1部/2人1部/3人1部/4人标配11照相机1部/2人1部/3人1部/4人12录音设备1部/2人1部/3人1部/4人取证设备13影像设备(电视机和DVD机等)3套2套2套标配14手持GPS定位仪3部2部1部15测距仪3部2部1部16流量计3部2部1部17酸度计4部3部2部18声级计1部/3人1部/5人1部/8人类别序号指标内容建设标准标配/选配一级二级三级19采样设备5套4套3套20勤务随录机5台4台3台21烟气污染物快速测定仪满足工作需要选配22个人防护设备满足工作需要23暗管探测仪满足工作需要24水质快速测定仪满足工作需要25烟气黑度仪满足工作需要26粉尘快速测定仪满足工作需要27冰心钻满足工作需要28溶解氧仪满足工作需要29放射性个人剂量报警仪满足工作需要选配30管道探测仪满足工作需要通讯工具31固定电话1部/2人1部/3人1部/4人标配32传真机每间办公室1台办公设备33台式计算机1台/人34打印机10台8台5台办公设备35便携式打印机5台3台2台标配36笔记本电脑1台/2人1台/3人1台/5人37复印机1台信息化设备38排污收费管理系统1套标配39环境执法管理及移动执法系统系统1套移动执法工具箱:每车1套和/或手持PDA:1台/人40污染源在线监控中心1个4112369环保举报热线1套类别序号指标内容建设标准标配/选配一级二级三级42卫星遥感图片满足工作需要选配第三部分:业务用房序号指标内容建设标准备注一级二级三级1办公用房人均不少于12m2人均不少于10m2人均不少于8m2均为使用面积2执法接待室不低于70m2不低于60m2不低于50m23取证设备间不低于50m2,内设小型操作间4样品室不低于30m25档案室不低于80m26排污申报受理厅不低于80m2,包括受理区和申报区712369环保热线投诉受理夜间值班室2间,20m2/间8车位面积30m2/辆9污染源监控中心用房按照《污染源监控中心建设规划》(环函〔2007〕241号)规定执行。备注:1.硬件装备包括标配和选配。标配属于必配的装备,除信息化设备外其他均为最低建设指标;各地可根据本地实际将部分选配列入标配,也可增加选配内容。2.该标准中按照人员数量配备的项目,其人员基数指的是执法人员数量(不含正式编制的后勤和工勤人员)。例如,执法车辆1辆/2人,即为每2名执法人员配备1辆执法车。3.第一部分5项“环保...

1、当您付费下载文档后,您只拥有了使用权限,并不意味着购买了版权,文档只能用于自身使用,不得用于其他商业用途(如 [转卖]进行直接盈利或[编辑后售卖]进行间接盈利)。
2、本站所有内容均由合作方或网友上传,本站不对文档的完整性、权威性及其观点立场正确性做任何保证或承诺!文档内容仅供研究参考,付费前请自行鉴别。
3、如文档内容存在违规,或者侵犯商业秘密、侵犯著作权等,请点击“违规举报”。

碎片内容

全国环境监察标准化建设标准--环发[2011]97号

确认删除?
VIP
微信客服
  • 扫码咨询
会员Q群
  • 会员专属群点击这里加入QQ群
客服邮箱
回到顶部