电脑桌面
添加小米粒文库到电脑桌面
安装后可以在桌面快捷访问

兴尔旺大场弱光所有配置箱及弱光电缆支架工程VIP专享VIP免费

兴尔旺大场弱光所有配置箱及弱光电缆支架工程_第1页
1/10
兴尔旺大场弱光所有配置箱及弱光电缆支架工程_第2页
2/10
兴尔旺大场弱光所有配置箱及弱光电缆支架工程_第3页
3/10
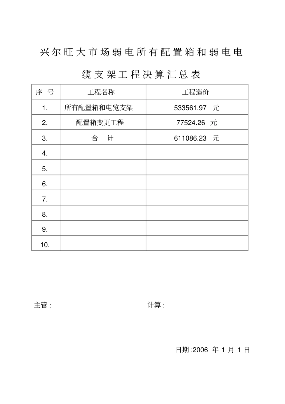
兴尔旺大市场弱电所有配置箱和弱光电缆支架工程决算书编制单位:安庆市第一建筑安装工程公司设备安装分公司编制日期:二00六年一月一日兴尔旺大市场弱电所有配置箱和弱电电缆支架工程决算汇总表序号工程名称工程造价1.所有配置箱和电览支架533561.97元2.配置箱变更工程77524.26元3.合计611086.23元4.5.6.7.8.9.10.主管:计算:日期:2006年1月1日决算编制说明1、本决算依据施工图纸和工程签证计算工程量。2、本决算按全国统一安装工程预算定额《2000年安徽省估价表》编制。3、本决算费率按三类工程取费。4、主材料价按施工时市场信息价计算。工程决算书工程名称:弱电所有配置箱和弱电电缆支架建设单位:桐城市华尔若房地产开发有限公司结构类型:混合决算总值:546889.40元编制人:主管:编制日期:2005年10月20日单位工程费用表工程名称:弱电所有配置箱和弱电电缆支架第页共页代号费用名称计算公式费率费用金额㈠直接工程费A+B+C+D+E468369.61A2000估价表直接费基价424625.78A1其中人工费工日×地区类别标准25.8494543.37B流动施工津贴工日×流贴系数3.512805.80C材料价差∑(信息价-定额价)×材料消耗量D其他直接费(A1+B)×规定费率8.33%8942.19E现场经费(A1+B)×规定费率20.49%21995.84㈡间接费(A1+B)×规定费率29.03%31163.46㈢利润(A1+B)×规定费率27%28984.27㈣定额测定编制管理费[(一)+(二)+(三)]×规定费率1.24‰655.36㈤税金[(一)+(二)+(三)+(四)]×税金系数3.348%17716.70㈥工程总造价(一)+(二)+(三)+(四)+(五)546889.40建筑安装工程(决)算表建设单位:工程名称:弱电所有配置箱和弱电电览支架编制日期:年月日建筑面积:序号定额编号分项工程名称单位数量基价(元)工日单价合价单工合工12-266弱电总分配箱安装台47114.15362.72.8131.62主材弱电总分配箱台47297.613987.2310-681HIBT-XS智能化箱安装台52085.0844241.62.061071.24主材HIBT-XS智能化箱(包括模块)台520449233480510-705多用插头安装(RJ45.RJ11.F接头)10个621.241.9526059.341.21751.65262-358弱电电缆支架制作100kg68.34464.8731769.2210.8738.07272-359弱电电缆支架安装100kg68.34262.1417914.657.02479.7478主材L40×40×4角钢kg5125.55.0425832.5292-697支架接地母线敷设10m147.6484.0712412.093.05450.30210主材-40×4扁铁kg1860.265.289822.1711小计420881.493622.57312脚手架搭拆费人工费×4%(其中人工资占25%)3744.2936.226合计424625.783658.799主管计算第页共页工程决算书工程名称:弱电总分配箱变更工程建设单位:桐城市华尔若房地产开发有限公司结构类型:混合决算总值:79596.68元编制人:主管:编制日期:2005年10月20日单位工程费用表工程名称:弱电总分配箱变更工程第页共页代号费用名称计算公式费率费用金额㈠直接工程费A+B+C+D+E69690.35A2000估价表直接费基价64428.19A1其中人工费工日×地区类别标准25.8411373.09B流动施工津贴工日×流贴系数3.51540.47C材料价差∑(信息价-定额价)×材料消耗量D其他直接费(A1+B)×规定费率8.33%1075.7E现场经费(A1+B)×规定费率20.49%2645.99㈡间接费(A1+B)×规定费率29.03%3748.81㈢利润(A1+B)×规定费率27%3486.66㈣定额测定编制管理费[(一)+(二)+(三)]×规定费率1.24‰95.39㈤税金[(一)+(二)+(三)+(四)]×税金系数3.348%2575.48㈥工程总造价(一)+(二)+(三)+(四)+(五)79596.68建筑安装工程(决)算表建设单位:工程名称:弱电总分配箱变更工程编制日期:年月日建筑面积:序号定额编号分项工程名称单位数量基价(元)工日单价合价单工合工05年8月12日工程签证决算12-1092PVC40管明配100m0.45480.94216.4210.114.552主材PVC40阻燃管m48.316.31304.8432-1091PVC32管明配100m0.45504.07226.839.464.2574主材PVC32阻燃管m47.894.69224.652-1090PVC25管明配100m0.45489.53220.298.94.0056主材PVC25阻燃管m47.893.01144.1505年9月15日工程签证决算12-1145PC25半硬管埋地敷设100m2.4340.95818.2813.1731.6082主材PC25半硬管m254.44.21068.4805年9月30日工程签证决算16-266弱电总分配箱拆除台8114.1912.82.822.42S2-1224S...

1、当您付费下载文档后,您只拥有了使用权限,并不意味着购买了版权,文档只能用于自身使用,不得用于其他商业用途(如 [转卖]进行直接盈利或[编辑后售卖]进行间接盈利)。
2、本站所有内容均由合作方或网友上传,本站不对文档的完整性、权威性及其观点立场正确性做任何保证或承诺!文档内容仅供研究参考,付费前请自行鉴别。
3、如文档内容存在违规,或者侵犯商业秘密、侵犯著作权等,请点击“违规举报”。

碎片内容

兴尔旺大场弱光所有配置箱及弱光电缆支架工程

确认删除?
VIP
微信客服
  • 扫码咨询
会员Q群
  • 会员专属群点击这里加入QQ群
客服邮箱
回到顶部