电脑桌面
添加小米粒文库到电脑桌面
安装后可以在桌面快捷访问

内部管理体系审核报告VIP免费

内部管理体系审核报告_第1页
1/4
内部管理体系审核报告_第2页
2/4
内部管理体系审核报告_第3页
3/4
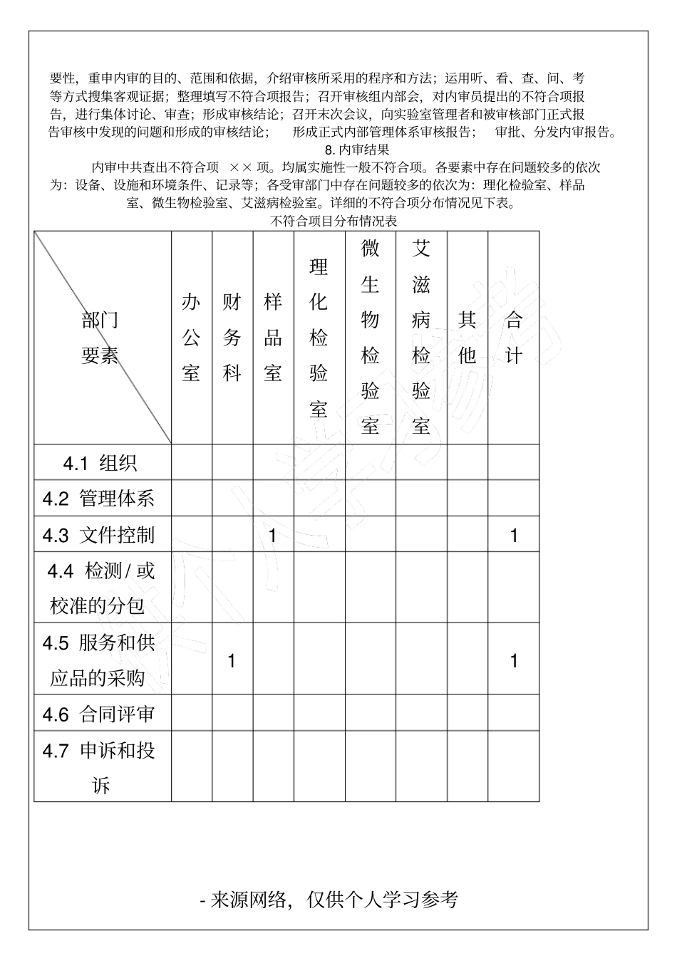
-来源网络,仅供个人学习参考内部管理体系审核报告为检查我中心管理体系是否符合《实验室资质认定评审准则》和《食品检验机构资质认定评审准则》的要求,管理体系文件是否得到有效实施,是否达到我中心质量方针、目标的要求,是否能满足客户的要求,我中心于年月日~月日进行了内部管理体系审核,现将审核情况及结果报告如下。1、内审的目的内审的目的是为了验证管理体系的符合性和有效性,借以促使管理体系持续地保持其有效性,使之不断改进,不断完善,促使管理体系满足《实验室资质认定评审准则》和《食品检验机构资质认定评审准则》及其他文件的要求,及时发现质量管理中的问题,组织力量加以纠正或预防。2、内审的依据2.1《实验室资质认定评审准则》、《食品检验机构资质认定评审准则》;2.2本中心管理体系文件(质量手册、程序文件、作业指导书等);2.3国家或行业的有关法律、法规或标准;3、内审的范围内审的范围为管理体系所覆盖的所有部门和要素。具体的部门为:办公室、财务科、样品室、理化检验室、微生物检验室、艾滋病检验室、门诊检验室及样品采集、报告书制作及审签等相关部门;所涉及的要素为《实验室资质认定评审准则》和《食品检验机构资质认定评审准则》中的所有因素。4、内审的内容4.1符合性审核—确定管理体系运行情况是否符合计划的安排。4.2有效性审核—确定管理体系是否得到有效实施。5、内审的日期和方式内审的日期:年月日~月日根据本中心的实际情况,拟采用集中式内审方式,集中3天时间,对管理体系涉及的各部门、各要素、各过程进行全面审核。6、审核组组成本次内审由管理者代表全面领导和协调,内审小组组成如下:姓名内审组内职务所在部门职务为便于工作,内审组划分为两个小组,分工合作进行核查。7、审核的方法步骤7.1审核的准备:确定审核目的、范围、时间、方式等;确定审核组成员及分工;编制审核计划;发布审核通知;收集并分工审阅必要的信息;编制现场审核用核查表;审核组成员汇总讨论审核计划、审核表及审核日程;分发审核日程表。7.2内审的实施:召开首次会议,介绍审核组成员及其在审核中担负的职责,介绍内审的重-来源网络,仅供个人学习参考要性,重申内审的目的、范围和依据,介绍审核所采用的程序和方法;运用听、看、查、问、考等方式搜集客观证据;整理填写不符合项报告;召开审核组内部会,对内审员提出的不符合项报告,进行集体讨论、审查;形成审核结论;召开末次会议,向实验室管理者和被审核部门正式报告审核中发现的问题和形成的审核结论;形成正式内部管理体系审核报告;审批、分发内审报告。8.内审结果内审中共查出不符合项××项。均属实施性一般不符合项。各要素中存在问题较多的依次为:设备、设施和环境条件、记录等;各受审部门中存在问题较多的依次为:理化检验室、样品室、微生物检验室、艾滋病检验室。详细的不符合项分布情况见下表。不符合项目分布情况表部门要素办公室财务科样品室理化检验室微生物检验室艾滋病检验室其他合计4.1组织4.2管理体系4.3文件控制114.4检测/或校准的分包4.5服务和供应品的采购114.6合同评审4.7申诉和投诉-来源网络,仅供个人学习参考4.8纠正措施、预防措施及改进4.9记录22154.10内部审核4.11管理评审5.1人员5.2设施和环境条件122275.3检测和校准方法5.4设备和标准物质122275.5量值溯源5.6抽样和样品处置115.7结果质量控制5.8结果报告-来源网络,仅供个人学习参考食品检验机构资质认定的特殊要求合计16654229.内审结论本中心自通过实验室认可及计量认证以来,实验室管理体系的运行基本正常、有效,各项质量活动基本受控,管理体系整体处于良性循环状态;所开展的检验项目均执行标准、规范正确;设备和标准物质的管理以及量值溯源基本上符合要求;抽样和样品处置符合要求;原始记录、检验报告书写、签发、保存基本符合要求;未发现重大检验质量事故和失误;质量方针和质量目标的实施基本有效,质量管理体系能适应我中心检测检验工作的需要,具有保证检测质量和满足客户要求及相关法律法规要求的能力。10.建议10.1组织全体有关人员集中精力进行不符合项的整改,并限期完成,由内审小...

1、当您付费下载文档后,您只拥有了使用权限,并不意味着购买了版权,文档只能用于自身使用,不得用于其他商业用途(如 [转卖]进行直接盈利或[编辑后售卖]进行间接盈利)。
2、本站所有内容均由合作方或网友上传,本站不对文档的完整性、权威性及其观点立场正确性做任何保证或承诺!文档内容仅供研究参考,付费前请自行鉴别。
3、如文档内容存在违规,或者侵犯商业秘密、侵犯著作权等,请点击“违规举报”。

碎片内容

内部管理体系审核报告

您可能关注的文档

确认删除?
VIP
微信客服
  • 扫码咨询
会员Q群
  • 会员专属群点击这里加入QQ群
客服邮箱
回到顶部