电脑桌面
添加小米粒文库到电脑桌面
安装后可以在桌面快捷访问

中国城镇建设行业标准-IC卡家用膜式燃气表VIP免费

中国城镇建设行业标准-IC卡家用膜式燃气表_第1页
1/9
中国城镇建设行业标准-IC卡家用膜式燃气表_第2页
2/9
中国城镇建设行业标准-IC卡家用膜式燃气表_第3页
3/9
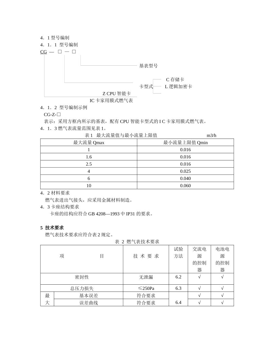
中华人民共和国城镇建设行业标准IC卡家用膜式燃气表CJ/T112—2000Integratedcircuitcardfamilydiaphragmgasmeter1范围本标准规定了最大流量为10m3/h(含10m3/h)以下IC卡家用膜式燃气表的范围要求、试验方法、检验规则、标志包装、运输与贮存。2引用标准下列标准所含的条文,通过在本标准中引用而构成为本标准的条文。本标准出版时,所示版本均为有效。所有标准都会被修订,使用本标准的各方应探讨使用下列标准最新版本的可能性。GB/T2828—1987逐批检查计数抽样程序及抽样表(适用于连续批的检查)GB/T2829—1987周期检查计数抽样程序及抽样表(适用于生产过程稳定性的检查)GB4208—1993外壳防护等级(IP代码)GB/T6833.5—1987电子测量仪器电磁兼容性试验规范辐射敏感度试验GB/T6968—1997膜式煤气表GB/T14437—1997产品质量监督计数一次抽样检查程序及抽样方案GB/T16411—1996家用燃气用具的通用试验方法GJ/T3074—1998家用燃气燃烧器具电子控制器GJ/T3075.2—1998燃气燃烧器具实验室—试验装置和仪器3定义3.1IC卡家用膜式燃气表(简称燃气表)ICcardfamilydiaphragmgasmeter以膜式燃气表为计量基表,以IC卡为媒体,加装电子控制器所组成的一种具有预付费功能的燃气计量装置。3.2基表basicgasmetersIC卡家用膜式燃气表所采用的膜式燃气表。3.3控制器controlunit用于燃气计量、显示和控制的装置。3.4欠压值minimumoperatingvoltage保证电子控制器正常工作的最低设定的电压值。3.5总压力损失totalpressureloss燃气表安装控制阀后,在规定条件下进气口和出气口之间的压力损失。4一般要求4.1型号编制4.1.1型号编制CG—□—□基表型号C存储卡卡型式L逻辑加密卡ZCPU智能卡IC卡家用膜式燃气表4.1.2型号编制示例CG-Z-□表示:采用方框内所示的基表,配有CPU智能卡型式的IC卡家用膜式燃气表。4.1.3燃气表流量范围见表1。表1最大流量值与最小流量上限值m3/h最大流量Qmax最小流量上限值Qmin10.0161.60.0162.50.01640.02560.040100.0604.2材料要求燃气表进出气接头,应采用金属材料制造。4.3卡座结构要求卡座的结构应符合GB4208—1993中IP31的要求。5技术要求燃气表技术要求应符合表2规定。表2燃气表技术要求项目技术要求试验方法交流电源的控制器电池电源的控制器密封性无泄漏6.2√√总压力损失≤250Pa6.3√√最大基本误差符合要求6.4√√误差曲线符合要求√√允许误差测试元件的标准偏差符合要求√√耐用性密封性、基本误差、压力损失符合要求6.5√√控制部分提示功能工作电源欠压明确提示6.6.1.1√√剩余气量不足明确提示6.6.1.2√√误操作明确提示6.6.1.3√√控制功能燃气预付费及用气控制准确无误6.6.2.1√√数据保持与恢复准确无误6.6.2.2√√气量累积准确无误6.6.2.3√√电源欠压保护准确无误6.6.2.4√√防护功能磁保护运行正常或关闭6.6.3.1√√防护印封明显、有效6.6.3.2√√电气功能对辐射电磁场不敏感性不影响性能6.6.4.1√√电气强度不击穿不闪络6.6.4.2√耐冲击电压正常运行或安全中断6.6.4.3√电源瞬态敏感度不击穿不闪络6.6.4.4√阀门耐用性≥10000次,泄漏量<0.55L/h6.6.5√√卡座耐用性≥10000次,正常6.6.6√√可靠性(MTBF)下限值≥2000h6.6.7√√外连接线抗拉力≥30N,不脱落变形6.6.8√√耐环境条件低温不影响性能6.7.1√√高温不影响性能6.7.2√√恒定湿热温度、相对湿度不影响性能6.7.3√√盐雾不影响性能6.7.4√√振动试验(正弦)频率不影响性能6.7.5√√位移幅值不影响性能√√工作方向不影响性能√√时间不影响性能√√6试验方法6.1试验条件和检验装置试验条件和检验装置应符合GB/T6968—1997附录A中A1的规定。6.2密封性试验密封性试验在阀门开启状态下,按GB/T6968—1997中附录A2.2.6的规定执行。6.3总压力损失试验总压力损失值是在空气密度为1.2kg/m3,流量为Qmax情况下,在被测表进出气管口之间,用斜管微压计测量压力差的方法求得,并按式(1)计算。ΔP=(ΔP1+ΔP2)/2………………………………(1)式中:ΔP——总压力损失平均值,Pa;ΔP1——压差波动最大值,Pa;ΔP2——压差波动最小值,Pa。总压力损失应满足表2的要求。6.4最大允许...

1、当您付费下载文档后,您只拥有了使用权限,并不意味着购买了版权,文档只能用于自身使用,不得用于其他商业用途(如 [转卖]进行直接盈利或[编辑后售卖]进行间接盈利)。
2、本站所有内容均由合作方或网友上传,本站不对文档的完整性、权威性及其观点立场正确性做任何保证或承诺!文档内容仅供研究参考,付费前请自行鉴别。
3、如文档内容存在违规,或者侵犯商业秘密、侵犯著作权等,请点击“违规举报”。

碎片内容

中国城镇建设行业标准-IC卡家用膜式燃气表

海纳百川+ 关注
实名认证
内容提供者

热爱教学事业,对互联网知识分享很感兴趣

相关文档

确认删除?
VIP
微信客服
  • 扫码咨询
会员Q群
  • 会员专属群点击这里加入QQ群
客服邮箱
回到顶部