电脑桌面
添加小米粒文库到电脑桌面
安装后可以在桌面快捷访问

模具设计钢材选用(1)VIP免费

模具设计钢材选用(1)_第1页
1/24
模具设计钢材选用(1)_第2页
2/24
模具设计钢材选用(1)_第3页
3/24
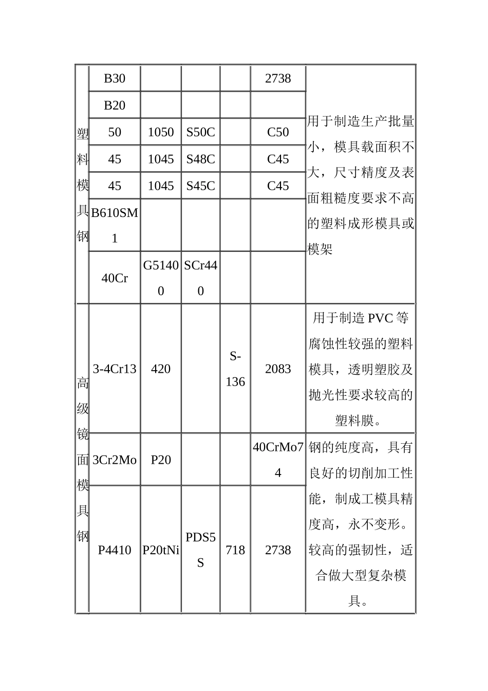
模具设计钢材选用本公司是集模具设计制造,专业软件服务,五金工具、化工材料、金属材料供应为一体的有限责任公司。本公司大量的国产、进口模具钢可供客户选择。专业经营日本(日立、大同)、瑞典(一胜百)等日本及欧美进口优质工模具钢材的合资企业。本公司所经营各钢种均已通过ISO9002认证,且各种型号库存充沛。为制造好模提供最基本的保障。另外,本公司专业代理国家重点实验室华塑软件。该软件是一套计算机模拟试模软件。将为制模者节省大量的试模修模费用,缩短交货期,从而使之在激烈的市场竞争中立于不败之地。本着客户至上的原则,踏踏实实做好每一件事。您的满意是我们全公司同仁最大的动力福斯特模具有限公司可供国产塑料模具钢类别\牌号中国美国日本瑞典德国用途塑料模具钢B302738用于制造生产批量小,模具载面积不大,尺寸精度及表面粗糙度要求不高的塑料成形模具或模架B20501050S50CC50451045S48CC45451045S45CC45B610SM140CrG51400SCr440高级镜面模具钢3-4Cr13420S-1362083用于制造PVC等腐蚀性较强的塑料模具,透明塑胶及抛光性要求较高的塑料膜。3Cr2MoP2040CrMo74钢的纯度高,具有良好的切削加工性能,制成工模具精度高,永不变形。较高的强韧性,适合做大型复杂模具。P4410P20tNiPDS5S7182738国产冷作模具钢类别\牌号中国美国日本瑞典德国用途冷作模具钢T7A-T12AW1-7W1-1.2CSK7-SK2C70W1C125W形状简单小型工模具,可选用此材,可保证高强度,耐磨性,足够的韧性及耐用性。GCr15E52100SUJ2SKF3100cr660si2MnSUP660si716Mn电机轴CrWMnSKS31105WCr6下料模、冲头、成形模、搓丝板顶出杆及小型塑料压模等。Cr12D3SKD1X210Cr12应用于小动载条件下要求高耐磨形状简单的拉伸和冲载模。Cr12MoVX165CrMov12下料模、冲头、滚丝轮、剪刀片、冷镦模、陶土模及热固塑料成形模等。Cr12Mo1V1D2SKD11XW-42X155CrVMo121重型落料模、冷挤压模、深拉伸模、滚丝模、剪刀片、冷镦模、陶土模等。国产热作模具钢类别\牌号中国美国日本瑞典德国用途热作模具钢5CrMnMo用于制造形状简单,厚度小于250毫米的小型锤锻模。5CrNiMoL6用于制造商形状简单,工作温度一般,厚度在250~350毫米之间的中型热锤锻模块。5CrNiMoVSKT456CrNiMoV7用于制造厚度>350毫米,型腔复杂,受力载荷较大的大型锤锻模或锻造压力机热锻模。4Cr5MoSiV1H13SKD618407X40CrMoV51用于制造冲击载荷较大,型腔复杂的长寿命锤锻模或锻造压力机用模具或镶块;以及铝合金挤压模,铝镁锌等金属长寿命压铸模具,部分高寿命高耐磨塑料模具。5Cr2NiMovSi用于锻锤模具钢具有良好的55NiCrMoV62713钢韧性,强度和耐磨性,淬透性,适用于制作工作。大面积复杂形状,承受冲击负荷重的大、中45Cr2NiMoVSi本公司经营的部分进口钢材HITACHI钢材YSS]日立金属所出产之安来钢YSS,是同精选之高纯度的“真砂铁矿砂”通过自创的“低温还原法”精练,成功创出YSS海棉铁(Spongelrron)作为原铁,令钢中杂质含量减到极少。并使用高质电熔炉及精密仪器提练,所有练制步骤(如热作、冷作、热处理)均经严格控制。高质量之水平可在钢材身上反映出来。我们并能为顾客生产特别要求之钢材,我们之品质保证系统及技术支援服务使YSS钢材在世界不同市场上赢取到极高之信誉。[各项同性]我们称这新技术研究成果为“各向同性”钢材。“各向同性”工具钢和可塑性钢之名称是因其能减少纵向锻炼间之机械性能差异,使其质量更普通钢材。其所制造之产品,均能达到更稳定之机械特性及更长之使用寿命。故此,这种新钢材已得到曾经使用过之客户极高评价。HPM7新型预硬P20塑料模钢出厂硬度特征用途预硬处理HB300-330切削性、焊接性优越钢材;洁净度高,具有良好的镜面精加工性能;严格挑选化学成分,经新技术特别提炼后,能提高钢材本质延伸性、韧性、及溶因设计变硬,而需要焊接频繁模具;汽车部件如尾灯、表盘;家电如电视机体、空调机壳和电话接性、不易爆裂;大尺寸模具中心部位也同样有相对硬度。等;其它:大型日用品、胶卷、容器、导管等。HPM50卓越表面质量P21塑料模具钢出厂硬度特征用途预硬处理HBC36-41最适用于镜面抛光加工的预硬化钢;放电加工特性佳:经...

1、当您付费下载文档后,您只拥有了使用权限,并不意味着购买了版权,文档只能用于自身使用,不得用于其他商业用途(如 [转卖]进行直接盈利或[编辑后售卖]进行间接盈利)。
2、本站所有内容均由合作方或网友上传,本站不对文档的完整性、权威性及其观点立场正确性做任何保证或承诺!文档内容仅供研究参考,付费前请自行鉴别。
3、如文档内容存在违规,或者侵犯商业秘密、侵犯著作权等,请点击“违规举报”。

碎片内容

模具设计钢材选用(1)

您可能关注的文档

确认删除?
VIP
微信客服
  • 扫码咨询
会员Q群
  • 会员专属群点击这里加入QQ群
客服邮箱
回到顶部