电脑桌面
添加小米粒文库到电脑桌面
安装后可以在桌面快捷访问

机械设备技术检查表VIP免费

机械设备技术检查表_第1页
1/21
机械设备技术检查表_第2页
2/21
机械设备技术检查表_第3页
3/21
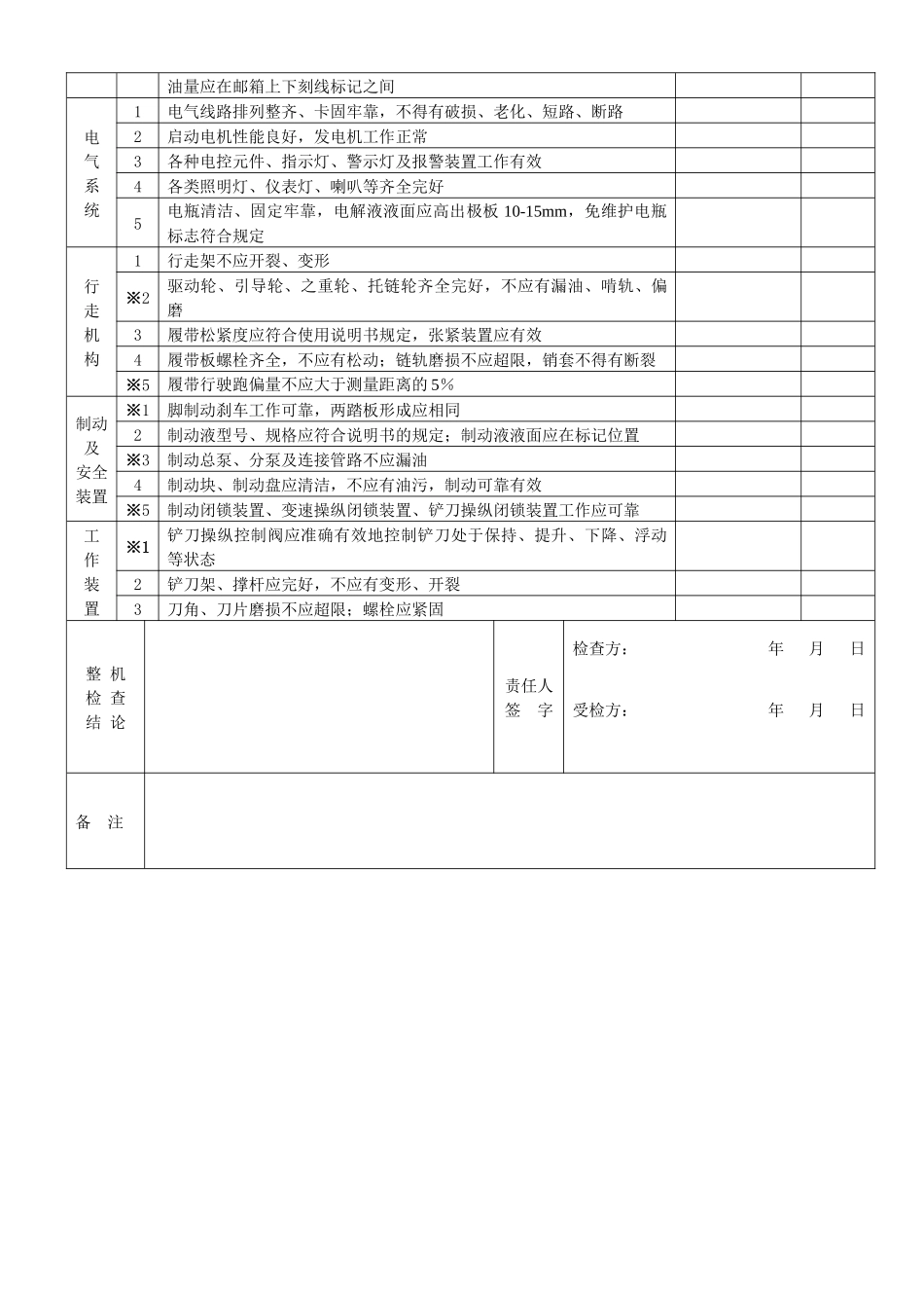
1.推土机技术检查表机械编号: 规格型号: 操作人员: 工程名称: 检查日期: 检查项目序号检 查 内 容 及 要 求检查情况结果整机1各总成件、零部件、附件及附属装置齐全完整,安装牢靠2外观清洁、不得有油污、漏水、漏油、漏气、漏电3驾驶室门窗开关自如,雨刮器、门锁完好,玻璃不应有破损,视野清楚※4各操作杆、制动踏板的形成符合说明书规定,动作灵活、准确※5金属构件不得有弯曲、变形、开焊、裂纹;轴销安装可靠,各螺栓连接紧固6黄油嘴齐全,润滑油路畅通,润滑部位润滑良好7上下车扶手及踏板完好,不应有开焊、腐蚀8各仪表指示数据应准确动力系统※1柴油机启动、加速性能良好,怠速平稳2运转不应有异响,油压宜为 0.15~0.3Mpa,水温、仪表指示数据应准确,符合说明书规定3柴油机曲轴箱内机油量不应过低或过高,宜在机油尺上、下刻度中间梢上位置4空气、柴油、机油滤清器清洁,更换滤芯的时间应符合说明书规定5水箱内外清洁,并定期清洗6当水温超过规定值时,节温装置应能自动打开7风扇皮带松紧应适度8电气线路、油管管路排列整齐、卡固牢靠9柴油机负荷调节器(调速器)配备合理传动系统1液力变距器工作时不应有过热,传动动力平稳有效;滤清器清洁;各连接部分应密封良好,不应有漏油2变速器档位应准确、定位可靠,工作时不应有异响3变速箱不应渗漏;润滑油油面应达到油位检查孔标线※4转向盘的自由行程符合说明书规定,转动及回位灵活、准确5各部位齿轮啮合良好、晕装平稳,不应有异响6万向节不应松旷,固定螺栓应紧固7后桥箱不应有裂纹、渗漏8转向离合器操纵应轻便,动力传递、切断应可靠液压系统※1防止过载和冲击的安全保护装置工作正常,溢流阀调整压力符合规定要求2液压油泵不应有过热和泄漏检查项目序号检 查 内 容 及 要 求检查情况结果液压系统3液压缸内壁、活塞杆表面应光洁,不得有损伤;运转平稳、密封良好※4溢流阀、安全阀、单向阀、换向阀、液压控制元件应齐全完好;油管及接头不得有渗漏5散热器应清洁,工作时油量不应大于 80℃;滤清器应清洁完好,液压油量应在邮箱上下刻线标记之间电气系统1电气线路排列整齐、卡固牢靠,不得有破损、老化、短路、断路2启动电机性能良好,发电机工作正常3各种电控元件、指示灯、警示灯及报警装置工作有效4各类照明灯、仪表灯、喇叭等齐全完好5电瓶清洁、固定牢靠,电解液液面应高出极板 10-15mm,免维护电瓶标志符合规定行走机构1行走架不应开裂、变形※2驱动轮、...

1、当您付费下载文档后,您只拥有了使用权限,并不意味着购买了版权,文档只能用于自身使用,不得用于其他商业用途(如 [转卖]进行直接盈利或[编辑后售卖]进行间接盈利)。
2、本站所有内容均由合作方或网友上传,本站不对文档的完整性、权威性及其观点立场正确性做任何保证或承诺!文档内容仅供研究参考,付费前请自行鉴别。
3、如文档内容存在违规,或者侵犯商业秘密、侵犯著作权等,请点击“违规举报”。

碎片内容

机械设备技术检查表

您可能关注的文档

确认删除?
VIP
微信客服
  • 扫码咨询
会员Q群
  • 会员专属群点击这里加入QQ群
客服邮箱
回到顶部