电脑桌面
添加小米粒文库到电脑桌面
安装后可以在桌面快捷访问

机械设计课程设计系列__兰州交通大学__二级斜齿圆VIP专享VIP免费

机械设计课程设计系列__兰州交通大学__二级斜齿圆_第1页
1/39
机械设计课程设计系列__兰州交通大学__二级斜齿圆_第2页
2/39
机械设计课程设计系列__兰州交通大学__二级斜齿圆_第3页
3/39
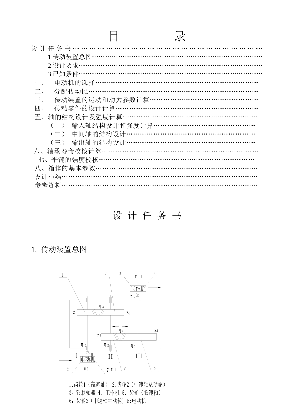
设计题目: 二级展开式斜齿轮减速器 学生姓名: (本人签名)学生学号: 20050601学院机构: 机电工程学院 专业班级: 机械设计专业课程设计说 明 书目 录设 计 任 务 书 … … … … … … … … … … … … … … … … … … … … … … …1 传动装置总图…………………………………………………………………… 2 设计要求………………………………………………………………………… 3 已知条件………………………………………………………………………… 一、电动机的选择……………………………………………………………… 二、分配传动比………………………………………………………………… 三、传动装置的运动和动力参数计算………………………………………… 四、传动零件的设计计算……………………………………………………… 五、轴的结构设计及强度计算…………………………………………………… (一) 输入轴结构设计和强度计算……………………………………… (二) 中间轴的结构设计………………………………………………… (三) 输出轴的结构设计………………………………………………… 六、轴承寿命校核计算…………………………………………………………… 七、平键的强度校核…………………………………………………………… 八、箱体的基本参数……………………………………………………………… 设计小结…………………………………………………………………………… 参考资料…………………………………………………………………………… 设 计 任 务 书1. 传动装置总图 η3z2η2工作机η2z4电动机z1η2η1z3η4η312345671:齿轮1(高速轴) 2:齿轮2(中速轴从动轮)3、7:联轴器 4:工作机 5:齿轮(低速轴)6:齿轮3(中速轴主动轮) 8:电动机IIIIIInInIIInII2.设计要求:1)选择电动机类型和规格;2)设计减速器和开式齿轮传动;3)选择联轴类型和型号;4)绘制减速器装配图和零件图;5)编写设计说明书。3.已知条件1)输送机主轴功率 P=4 Kw,输送机主轴转速 n=110 r/min;2)输送机效率 ηf=0.96,齿轮搅油效率 ηf=0.98;3)工作情况 单向转速,连续工作,工作平稳;4)机械公用 输送散装物料,如砂、灰、谷物、煤粉等;5)运动要求 输送机主轴转速误差不超过 0.07;6)使用寿命 5 年,每年 300 天,每天 8 小时;7...

1、当您付费下载文档后,您只拥有了使用权限,并不意味着购买了版权,文档只能用于自身使用,不得用于其他商业用途(如 [转卖]进行直接盈利或[编辑后售卖]进行间接盈利)。
2、本站所有内容均由合作方或网友上传,本站不对文档的完整性、权威性及其观点立场正确性做任何保证或承诺!文档内容仅供研究参考,付费前请自行鉴别。
3、如文档内容存在违规,或者侵犯商业秘密、侵犯著作权等,请点击“违规举报”。

碎片内容

机械设计课程设计系列__兰州交通大学__二级斜齿圆

确认删除?
VIP
微信客服
  • 扫码咨询
会员Q群
  • 会员专属群点击这里加入QQ群
客服邮箱
回到顶部