电脑桌面
添加小米粒文库到电脑桌面
安装后可以在桌面快捷访问

COP-KF-10客房部消防安全防范措施VIP免费

COP-KF-10客房部消防安全防范措施_第1页
1/9
COP-KF-10客房部消防安全防范措施_第2页
2/9
COP-KF-10客房部消防安全防范措施_第3页
3/9
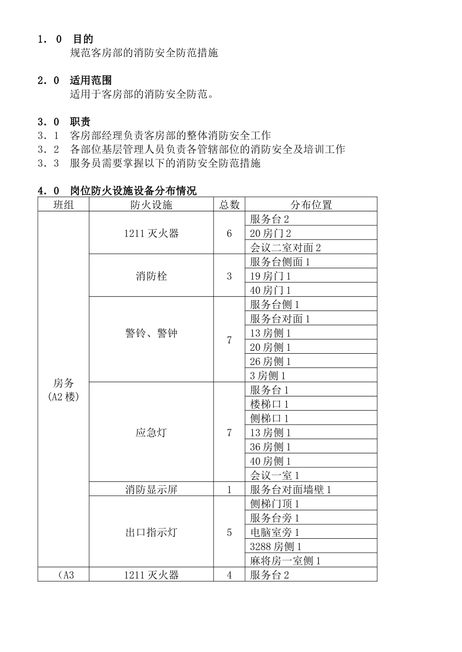
1. 0 目的 规范客房部的消防安全防范措施2.0适用范围 适用于客房部的消防安全防范。3.0职责3.1客房部经理负责客房部的整体消防安全工作3.2各部位基层管理人员负责各管辖部位的消防安全及培训工作3.3服务员需要掌握以下的消防安全防范措施4.0岗位防火设施设备分布情况班组防火设施总数分布位置房务(A2 楼)1211 灭火器6服务台 220 房门 2会议二室对面 2消防栓3服务台侧面 119 房门 140 房门 1警铃、警钟7服务台侧 1服务台对面 113 房侧 120 房侧 126 房侧 13 房侧 1应急灯7服务台 1楼梯口 1侧梯口 113 房侧 136 房侧 140 房侧 1会议一室 1消防显示屏1服务台对面墙壁 1出口指示灯5侧梯门顶 1服务台旁 1电脑室旁 13288 房侧 1麻将房一室侧 1(A31211 灭火器4服务台 2楼)19 房门 128 房门 1消防栓3服务台侧面 119 房门 128 房门 1警钟警铃6服务台侧 1服务台对面 113 房侧 124 房侧 137 房侧 1应急灯6服务台 1楼梯口 1侧梯口 111 房侧 124 房侧 137 房侧 1消防显示屏1服务台对面墙壁 1出口指示灯4侧梯门顶 1服务台旁 221 房门口 1(A4楼)1211 灭火器3服务台 220 房门 1消防栓3服务台侧面 119 房门 132 房门 1警钟警铃6服务台侧 1服务台对面 113 房侧 120 房侧 135 房侧 141 房侧 1应急灯6服务台 1楼梯口 1侧梯口 111 房侧 126 房侧 141 房侧 1消防显示屏1服务台对面墙壁 1出口指示灯3服务台侧 13423 房侧 13420 房侧 1(A5楼)1211 灭火器4服务台对面 220 房侧 2消防栓2服务台侧面 119 房侧 1警钟警铃5服务台侧 1服务台对面 113 房侧 120 房侧 13521 房侧 1应急灯4服务台 1楼梯口 1侧梯口 111 房侧 1消防显示屏1服务台对面墙壁 1出口指示灯2服务台侧 13520 房侧 1C 楼(以楼层为单位)1211 灭火器6侧梯口 1服务台旁 2中门梯外 1走廊尽头 2消防栓4员工梯口 1侧梯口 1走廊中梯旁 2走廊尽头 1警钟4侧梯口 1走廊中梯旁 1布草房门旁 1走廊尽头 1警铃7员工梯口 1侧梯门口 2走廊中梯门旁 2走廊尽头 2应急灯301 房侧 113 房侧 125 房侧 1消防显示屏1服务台旁 1出口指示灯3侧梯门 1中梯门 123 房门口 1总台1211 灭火器3总台内部消防栓2中庭手扶梯旁女洗手间门口侧中庭前厅侧应急灯1办公室内礼宾1211 灭火器3礼宾部工作间 1行李房 2消防栓1礼宾部柜台应急灯1行李房内 1商务中...

1、当您付费下载文档后,您只拥有了使用权限,并不意味着购买了版权,文档只能用于自身使用,不得用于其他商业用途(如 [转卖]进行直接盈利或[编辑后售卖]进行间接盈利)。
2、本站所有内容均由合作方或网友上传,本站不对文档的完整性、权威性及其观点立场正确性做任何保证或承诺!文档内容仅供研究参考,付费前请自行鉴别。
3、如文档内容存在违规,或者侵犯商业秘密、侵犯著作权等,请点击“违规举报”。

碎片内容

COP-KF-10客房部消防安全防范措施

确认删除?
VIP
微信客服
  • 扫码咨询
会员Q群
  • 会员专属群点击这里加入QQ群
客服邮箱
回到顶部