电脑桌面
添加小米粒文库到电脑桌面
安装后可以在桌面快捷访问

冲压件模具设计常用公式VIP免费

冲压件模具设计常用公式_第1页
1/15
冲压件模具设计常用公式_第2页
2/15
冲压件模具设计常用公式_第3页
3/15
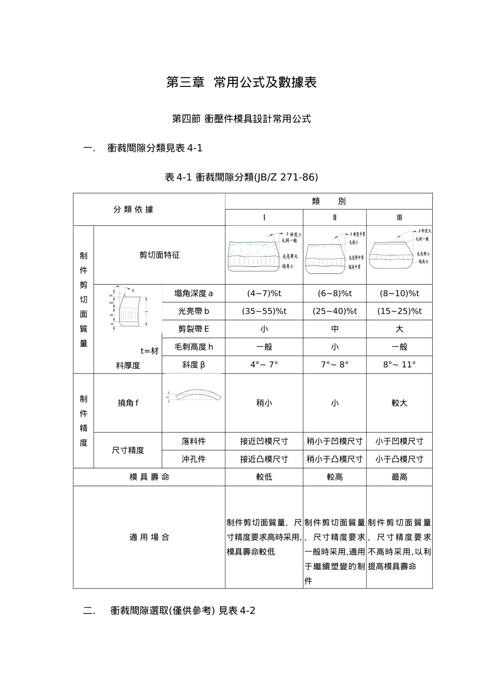
第三章 常用公式及數據表 第四節 衝壓件模具設計常用公式一.衝裁間隙分類見表 4-1表 4-1 衝裁間隙分類(JB/Z 271-86) 分 類 依 據 類別ⅠⅡⅢ制件剪切面質量剪切面特征 t=材料厚度塌角深度 a(4~7)%t(6~8)%t(8~10)%t光亮帶 b(35~55)%t(25~40)%t(15~25)%t剪裂帶 E小中大毛刺高度 h一般小一般斜度 β4°~ 7°7°~ 8°8°~ 11°制件精度撓角 f稍小小較大尺寸精度落料件接近凹模尺寸稍小于凹模尺寸小于凹模尺寸沖孔件接近凸模尺寸稍小于凸模尺寸小于凸模尺寸 模 具 壽 命較低較高最高 適 用 場 合制件剪切面質量﹑尺寸精度要求高時采用,模具壽命較低制件剪切面質量﹑尺寸精度要求一般時采用,適用于繼續塑變的制件制件剪切面質量﹑尺寸精度要求不高時采用,以利提高模具壽命二. 衝裁間隙選取(僅供參考) 見表 4-2 (見下頁)表 4-2 衝裁間隙比值(單邊間隙) (單位:%t) 分 類 依 據 類別ⅠⅡⅢ低碳鋼08F10F1020A3B2﹑﹑﹑﹑﹑3.0~7.07.0~10.010.0~12.5中碳鋼 45 不銹鋼 1Cr18Ni9Ti、4Cr13 可伐合金 4J293.5~8.08.0~11.011.0~15.0 高碳鋼 T8A、T10A、65Mn8.0~12.012.0~15.015.0~18.0 純鋁 L2、L3、L4、L5 鋁合金(軟態)LF21 黃銅(軟態)H62 紫銅(軟態)T1、T2、T32.0~4.04,5~6.06.5~9.0 黃銅(硬態) 鉛黃銅 紫銅(硬態)3.0~5.05.5~8.08.5~11.0 鋁合金(硬態)LY12 錫磷青銅、鋁青銅 鈹青銅3.5~6.07.0~10.011.0~13.0 鎂合金1.5~2.5 硅 鋼2.5~5.05.0~9.0(注: 1. 本表適用于厚度為 10mm 以下的金屬材料, 厚料間隙比值應取大些; 2. 凸,凹模的制造偏差和磨損均使間隙變大, 故新模具應取最小間隙; 3. 硬質合金衝模間隙比鋼模大 20% 左右.)注: 衝裁間隙選取應綜合考慮下列因素:1. 衝床﹑模具的精度及剛性.2. 產品的斷面品質﹑ 尺寸精度及平整度.3. 模具壽命.4. 跳屑.5. 被加工材料的材質﹑硬度﹑供應狀態及厚度.6. 廢料形狀.7. 衝子﹑模仁材質﹑硬度及表面加工質量.三. 衝裁力﹑卸(剝) 料力﹑ 推件力﹑頂件力 F 衝 = 1.3 * L * t *τ(N) (公式 4-1) F 卸 = K 卸 * F 衝 (N) (公式 4-2) F 推 = N * K 推 * K 衝 (N) (公式 4-3) F 頂 = K 頂 * F 衝 (N) (公式 4-4) 其中: L ―― 衝切線長度 (mm) t ―― 材料厚度 (mm) τ ―― 材料抗剪強度 (N/mm2 ) 1.3 ―― 安全系數 K 卸 ――卸(剝)料力系數 K 推 ―― 推料...

1、当您付费下载文档后,您只拥有了使用权限,并不意味着购买了版权,文档只能用于自身使用,不得用于其他商业用途(如 [转卖]进行直接盈利或[编辑后售卖]进行间接盈利)。
2、本站所有内容均由合作方或网友上传,本站不对文档的完整性、权威性及其观点立场正确性做任何保证或承诺!文档内容仅供研究参考,付费前请自行鉴别。
3、如文档内容存在违规,或者侵犯商业秘密、侵犯著作权等,请点击“违规举报”。

碎片内容

冲压件模具设计常用公式

墨香书阁+ 关注
实名认证
内容提供者

热爱教学事业,对互联网知识分享很感兴趣

相关文档

确认删除?
VIP
微信客服
  • 扫码咨询
会员Q群
  • 会员专属群点击这里加入QQ群
客服邮箱
回到顶部