电脑桌面
添加小米粒文库到电脑桌面
安装后可以在桌面快捷访问

03-分项工程质量验收纪录-防水工程VIP免费

03-分项工程质量验收纪录-防水工程_第1页
1/7
03-分项工程质量验收纪录-防水工程_第2页
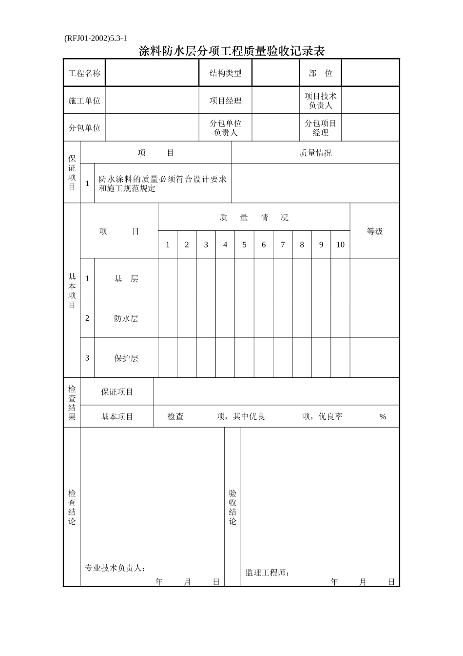
2/7
03-分项工程质量验收纪录-防水工程_第3页
3/7
(RFJ01-2002)5.1-1防水混凝土结构分项工程质量验收记录表工程名称结构类型部 位施工单位项目经理项目技术负责人分包单位分包单位负责人分包项目经理保证项目项 目质量情况1防水混凝土的原材料、外加剂及预埋件必须符合设计要求和施工规范规定2防水混凝土的抗渗等级和抗压强度必须符合设计要求和施工规范的规定3防水混凝土结构的施工缝、变形缝、止水带、穿墙管件、支模铁件等的设置和构造均符合设计要求和施工规范的规定,严禁有渗漏基本项目项 目质 量 情 况等级123456789101混凝土外观检查结果保证项目基本项目检查 项,其中优良 项,优良率 %检查结论专业技术负责人: 年 月 日验收结论监理工程师: 年 月 日注:本表只是对混凝土结构自防水的要求。对于混凝土施工质量检验按表 4.10-1 内容验收(RFJ01-2002)5.2-1水泥砂浆防水层分项工程质量验收记录表工程名称结构类型部 位施工单位项目经理项目技术负责人分包单位分包单位负责人分包项目经理保证项目项 目质量情况1防水砂浆的原材料、外加剂、配合比及其分层做法必须符合设计要求和施工规范规定2水泥砂浆防水层各层之间必须结合牢固,无空鼓基本项目项 目质 量 情 况等级123456789101外 观2施工缝检查结果保证项目基本项目检查 项,其中优良 项,优良率 %检查结论专业技术负责人: 年 月 日验收结论监理工程师: 年 月 日(RFJ01-2002)5.3-1涂料防水层分项工程质量验收记录表工程名称结构类型部 位施工单位项目经理项目技术负责人分包单位分包单位负责人分包项目经理保证项目项 目质量情况1防水涂料的质量必须符合设计要求和施工规范规定基本项目项 目质 量 情 况等级123456789101基 层2防水层3保护层检查结果保证项目基本项目检查 项,其中优良 项,优良率 %检查结论专业技术负责人: 年 月 日验收结论监理工程师: 年 月 日(RFJ01-2002)5.4-1卷材防水层分项工程质量验收记录表工程名称结构类型部 位施工单位项目经理项目技术负责人分包单位分包单位负责人分包项目经理保证项目项 目质量情况1卷材和胶结材料必须符合设计要求和施工规范规定2卷材防水层及变形缝、预埋管件等细部做法必须符合设计要求和施工规范规定基本项目项 目质 量 情 况等级123456789101基 层2防水层3保护层4沥青胶结材料防水层检查结果保证项目基本项目检查 项,其中优良 项,优良率 %检查结论专业技术负责人: 年 月 日验收结论监理工程师: 年 月 日(...

1、当您付费下载文档后,您只拥有了使用权限,并不意味着购买了版权,文档只能用于自身使用,不得用于其他商业用途(如 [转卖]进行直接盈利或[编辑后售卖]进行间接盈利)。
2、本站所有内容均由合作方或网友上传,本站不对文档的完整性、权威性及其观点立场正确性做任何保证或承诺!文档内容仅供研究参考,付费前请自行鉴别。
3、如文档内容存在违规,或者侵犯商业秘密、侵犯著作权等,请点击“违规举报”。

碎片内容

03-分项工程质量验收纪录-防水工程

确认删除?
VIP
微信客服
  • 扫码咨询
会员Q群
  • 会员专属群点击这里加入QQ群
客服邮箱
回到顶部