电脑桌面
添加小米粒文库到电脑桌面
安装后可以在桌面快捷访问

位置与尺寸偏差记录检验VIP免费

位置与尺寸偏差记录检验_第1页
1/7
位置与尺寸偏差记录检验_第2页
2/7
位置与尺寸偏差记录检验_第3页
3/7
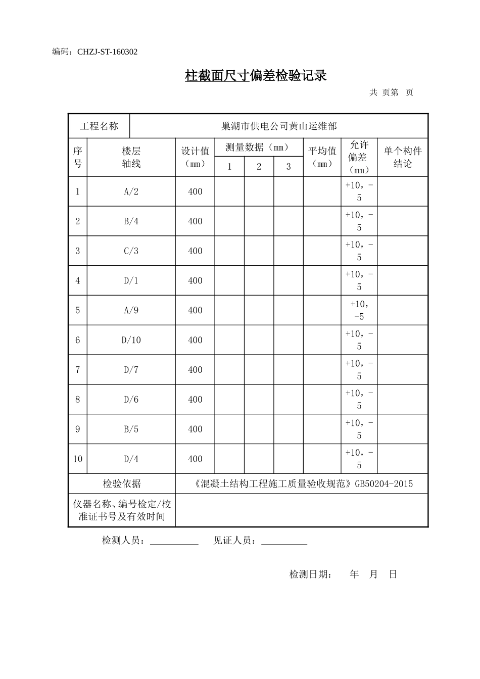
混凝土工程结构实体位置与尺寸偏差检验统计表工程名称巢湖市供电公司黄山运维部施工单位巢湖市志远建筑工程有限责任公司监理单位安徽华正建设工程咨询有限公司结构类型/层数框架/二层检验项目统计结果单项结论柱截面尺寸共检验构件个,合格个,合格率%。柱垂直度共检验构件个,合格个,合格率%。墙厚共检验构件个,合格个,合格率%。梁高共检验构件个,合格个,合格率%。板厚共检验构件个,合格个,合格率%。层高共检验构件个,合格个,合格率%。结论经检验,该项目结构实体位置及尺寸偏差符合《混凝土结构工程施工质量验收规范》(GB50204-2015)要求。检测人员:技术负责人:监理工程师:日期:年月日编码:CHZJ-ST-160301附件5共页第页柱截面尺寸偏差检验记录工程名称巢湖市供电公司黄山运维部序号楼层轴线设计值(mm)测量数据(mm)平均值(mm)允许偏差(mm)单个构件结论1231A/2400+10,-52B/4400+10,-53C/3400+10,-54D/1400+10,-55A/9400+10,-56D/10400+10,-57D/7400+10,-58D/6400+10,-59B/5400+10,-510D/4400+10,-5检验依据《混凝土结构工程施工质量验收规范》GB50204-2015仪器名称、编号检定/校准证书号及有效时间检测人员:见证人员:检测日期:年月日编码:CHZJ-ST-160302共页第页柱垂直度偏差检验记录工程名称巢湖市供电公司黄山运维部序号楼层轴线设计值(mm)测量数据(mm)较大值(mm)允许偏差(mm)单个构件结论12≤6m>6m1A/2290010122B/4290010123C/3290010124D/1290010125A/9290010126D/10290010127D/3290010128D/4290010129B/52900101210D/529001012检验依据《混凝土结构工程施工质量验收规范》GB50204-2015仪器名称、编号检定/校准证书号及有效时间检测人员:见证人员:检测日期:年月日编码:CHZJ-ST-160303共页第页墙厚尺寸偏差检验记录工程名称巢湖市供电公司黄山运维部序号楼层轴线设计值(mm)测量数据(mm)平均值(mm)允许偏差(mm)单个构件结论1231200+10-52200+10-53200+10-54200+10-55200+10-56200+10-57200+10-58200+10-59200+10-510200+10-5检验依据《混凝土结构工程施工质量验收规范》GB50204-2015仪器名称、编号检定/校准证书号及有效时间检测人员:见证人员:检测日期:年月日编码:CHZJ-ST-160304共页第页梁高尺寸偏差检验记录检测人员:见证人员:检测日期:年月日工程名称巢湖市供电公司黄山运维部序号楼层轴线设计值(mm)测量数据(mm)平均值(mm)允许偏差(mm)单个构件结论测点1231400腹高+10-5板厚腹高+板厚2450腹高+10-5板厚腹高+板厚3500腹高+10-5板厚腹高+板厚4350腹高+10-5板厚腹高+板厚5400腹高+10-5板厚腹高+板厚检验依据《混凝土结构工程施工质量验收规范》GB50204-2015仪器名称、编号检定/校准证书号及有效时间编码:CHZJ-ST-160305共页第页现浇板厚尺寸偏差检验记录工程名称巢湖市供电公司黄山运维部序号楼层轴线设计值(mm)测量数据(mm)平均值(mm)允许偏差(mm)单个构件结论1231120+10-52120+10-53100+10-54100+10-55120+10-56100+10-57100+10-58120+10-59120+10-510120+10-5检验依据《混凝土结构工程施工质量验收规范》GB50204-2015仪器名称、编号检定/校准证书号及有效时间检测人员:见证人员:检测日期:年月日编码:CHZJ-ST-160306共页第页层高尺寸偏差检验记录检测人员:见证人员:检测日期:年月日工程名称巢湖市供电公司黄山运维部序号楼层轴线设计值(mm)测量数据(mm)平均值(mm)允许偏差(mm)单个构件结论测点12313000净高±10板厚净高+板厚23000净高±10板厚净高+板厚33000净高±10板厚净高+板厚43000净高±10板厚净高+板厚53000净高±10板厚净高+板厚检验依据《混凝土结构工程施工质量验收规范》GB50204-2015仪器名称、编号检定/校准证书号及有效时间编码:CHZJ-ST-160307

1、当您付费下载文档后,您只拥有了使用权限,并不意味着购买了版权,文档只能用于自身使用,不得用于其他商业用途(如 [转卖]进行直接盈利或[编辑后售卖]进行间接盈利)。
2、本站所有内容均由合作方或网友上传,本站不对文档的完整性、权威性及其观点立场正确性做任何保证或承诺!文档内容仅供研究参考,付费前请自行鉴别。
3、如文档内容存在违规,或者侵犯商业秘密、侵犯著作权等,请点击“违规举报”。

碎片内容

位置与尺寸偏差记录检验

文章天下+ 关注
实名认证
内容提供者

各种文档应有尽有

相关文档

确认删除?
VIP
微信客服
  • 扫码咨询
会员Q群
  • 会员专属群点击这里加入QQ群
客服邮箱
回到顶部