电脑桌面
添加小米粒文库到电脑桌面
安装后可以在桌面快捷访问

电源测试报告 VIP免费

电源测试报告 _第1页
1/7
电源测试报告 _第2页
2/7
电源测试报告 _第3页
3/7
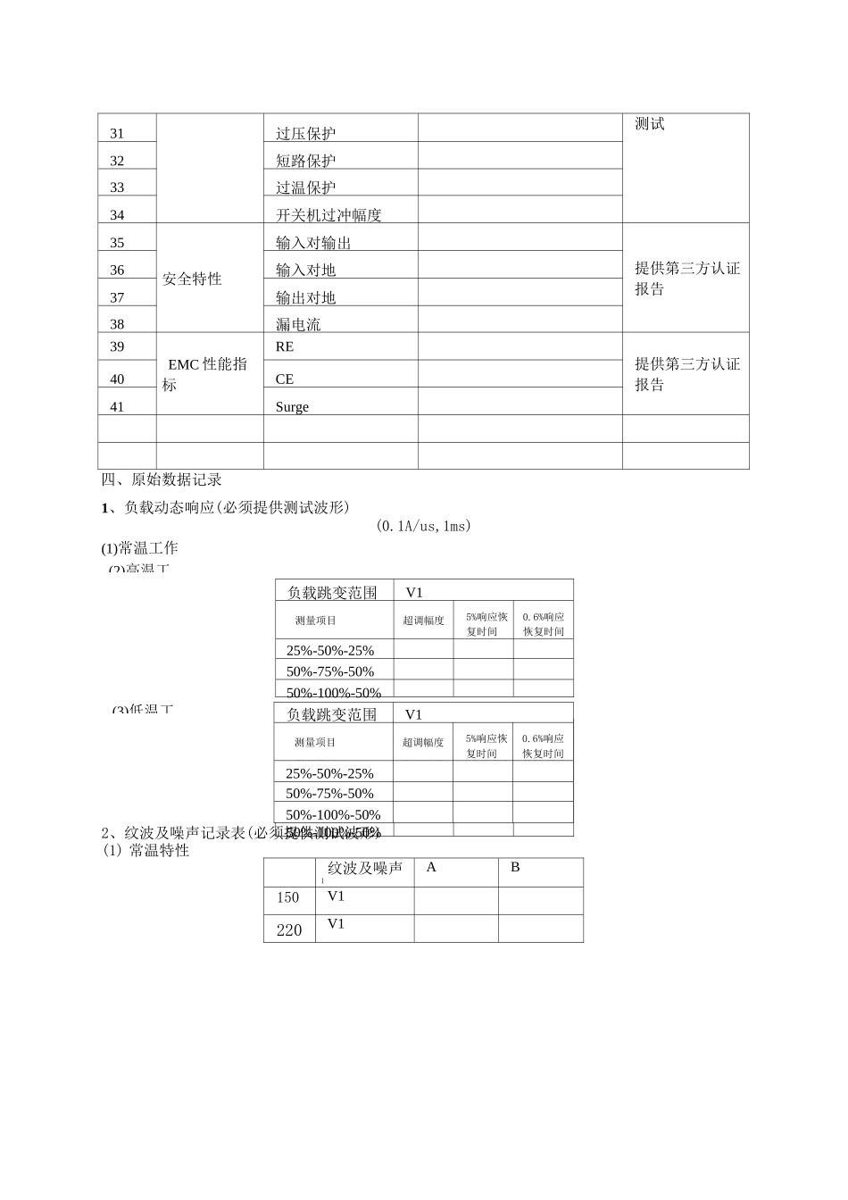
电源技术认证报告关键词:AC/DC、电源模块、认证测试摘要:该报告只电源进行了详细的测试,并对其中测试的问题进行总结和记录,以供产品选型参考。电源型号测试样品数量(>=2)生产厂家测试部门供应商测试者项目描述、测试项目序号试验项目规格指标备注1输入特性电压范围2频率范围3输入电流4输入冲击电流5输出特性(VI)输出电压6输出电流7最小负载8纹波与噪声9电压调整率10负载调整率11温漂特性26整机特性输入功率因数27效率28启动上升时间29保持时间30保护特性过载保护有保护功能必须测试31过压保护32短路保护33过温保护34开关机过冲幅度35安全特性输入对输出提供第三方认证报告36输入对地37输出对地38漏电流39EMC 性能指标RE提供第三方认证报告40CE41Surge、测试仪器列表序号试验项目测试结论备注1输入特性电压范围2频率范围3输入电流4输入冲击电流5V1输出特性输出电压6输出电流7最小负载8纹波与噪声9电压调整率10负载调整率11温漂特性26整机特性输入功率因数27效率28启动上升时间29保持时间30保护特性过载保护有保护功能必须(2)高温工负载跳变范围V1测量项目超调幅度5%响应恢复时间0.6%响应恢复时间25%-50%-25%50%-75%-50%50%-100%-50%(3)低温工负载跳变范围V1测量项目超调幅度5%响应恢复时间0.6%响应恢复时间25%-50%-25%50%-75%-50%50%-100%-50%31过压保护测试32短路保护33过温保护34开关机过冲幅度35安全特性输入对输出提供第三方认证报告36输入对地37输出对地38漏电流39EMC 性能指标RE提供第三方认证报告40CE41Surge四、原始数据记录1、负载动态响应(必须提供测试波形)(0.1A/us,1ms)(1)常温工作负载跳变范围V1测量项目超调幅度5%响应恢复时间0.6%响应恢复时间25%-50%-25%50%-75%-50%50%-100%-50%2、纹波及噪声记录表(必须提供测试波形)(1) 常温特性纹波及噪声1AB150V1220V1(2)高温特(3)低温特290VI纹波及噪声1AB150V1220V1290V1注 1:纹波 Vpp值的测试条件:额定输入电压,全负载范围,输出端并联 10uF+0.1uF 电容,示波器20MHz 频率。3、开关机性能(必须提供测试波形)(输入电压:220VAC,负载:满载)V1超调幅度启动有无振荡关机有无振荡启机电压有无跌落(2) 高温特性(3) 低温特性注 1:如果有跌落,需附上波形图。注 2:开关机的方式有开关和插拔 2 种,均需进行试验。4、启动性能(常温下)项目V1低压满载(90Vac)高压轻载(264V,最小负载)额压额载额压半载注 1:启动延时是从输入电压加上到输出电压上升到 90%的额定值的时间;启...

1、当您付费下载文档后,您只拥有了使用权限,并不意味着购买了版权,文档只能用于自身使用,不得用于其他商业用途(如 [转卖]进行直接盈利或[编辑后售卖]进行间接盈利)。
2、本站所有内容均由合作方或网友上传,本站不对文档的完整性、权威性及其观点立场正确性做任何保证或承诺!文档内容仅供研究参考,付费前请自行鉴别。
3、如文档内容存在违规,或者侵犯商业秘密、侵犯著作权等,请点击“违规举报”。

碎片内容

电源测试报告

您可能关注的文档

确认删除?
VIP
微信客服
  • 扫码咨询
会员Q群
  • 会员专属群点击这里加入QQ群
客服邮箱
回到顶部