电脑桌面
添加小米粒文库到电脑桌面
安装后可以在桌面快捷访问

隧道喷射混凝土施工工艺手册VIP免费

隧道喷射混凝土施工工艺手册_第1页
1/11
隧道喷射混凝土施工工艺手册_第2页
2/11
隧道喷射混凝土施工工艺手册_第3页
3/11
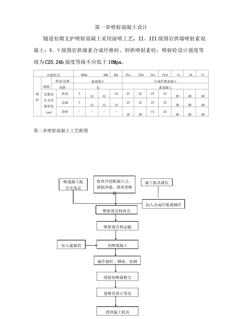
隧道喷射混凝土施工工艺手册编制:复核:审核:第一章喷射混凝土设计 2第二章喷射混凝土工艺框图 2第三章喷射混凝土施工工艺 31、施工准备 31.1 技术准备 31.2 原材料及配合比准备 31.3 机具准备 42、混凝土搅拌 43、混凝土运输 44、喷射作业 45、养护 5第四章喷射砼施工要点 6第五章质量检验 7第一章喷射混凝土设计隧道初期支护喷射混凝土采用湿喷工艺,II、III 级围岩拱墙喷射素混凝土;W、V 级围岩拱墙素合成纤维砼、仰拱喷射素砼;喷射砼设计强度等级为 C25,24h 强度等级不应低于 10Mpa。衬砌形式IIIllaIllbIIIcIVaIVbIVcIVdVaVbVc喷砼规格拱部\边墙素混凝土合成纤维混凝土仰拱无素混凝土设置部位及设置厚度(cm)拱部512122325252525282828边墙512121225252525282828仰拱////10101525282828第二章喷射混凝土工艺框图图 1 喷射混凝土施工工艺图第三章喷射混凝土施工工艺1、施工准备1.1 技术准备施工前,应由专业工程师向现场技术人员、作业人员进行技术交底,并确认人员、设备、材料、机具、作业环境满足正常作业的要求。1.2 原材料及配合比准备表 1 喷混凝土原材料技术要求材料名称技术要求水泥1)应优先采用硅酸盐水泥或普通硅酸盐水泥,强度等级不宜低于 42.5MPa。2)遇含有较高可溶性硫酸盐地层或地下水地段,应按侵蚀类型和侵蚀程度采用相应的抗硫酸盐水泥;水泥的安定性、凝结时间均应合格。骨料与水泥中的碱离子可能发生反应时,应选用低碱水泥;喷混凝土需要有较高早期强度时,可选用硫铝酸盐水泥或其他早强水泥;3)有特殊要求时,应使用相应的特种水泥。砂、石1)粗骨料应采用坚硬耐久的碎石或卵石(豆石),或两者混合物。严禁选用具有潜在碱活性骨料,当使用碱性速凝剂时,不得使用含有活性二氧化硅的石料。喷混凝土中的石子最大粒径不宜大于 15mm,喷射钢纤维混凝土中的石子最大粒径不宜大于 10mm,骨料级配宜采用连续级配。按重量计含泥量不应大于 1%,泥块含量不应大于 0.25%。2)细骨料应采用坚硬耐久的中砂或粗砂,细度模数应大于 2.5。砂中小于 0.075mm 的颗粒不应大于材料名称技术要求20%。含泥量不应大于 3%,泥块含量不应大于 0.5%。水水质应符合工程用水的有关标准,水中不应含有影响水泥正常凝结与硬化的有害杂质,不应使用污水、海水、PH 值小于 4.5 的酸性水、硫酸盐含量按 SO2-计超过水重 1%的水。速凝剂~4~1)应对混凝土的后期强度无明显损失;对混凝土和钢材无腐蚀作用;不...

1、当您付费下载文档后,您只拥有了使用权限,并不意味着购买了版权,文档只能用于自身使用,不得用于其他商业用途(如 [转卖]进行直接盈利或[编辑后售卖]进行间接盈利)。
2、本站所有内容均由合作方或网友上传,本站不对文档的完整性、权威性及其观点立场正确性做任何保证或承诺!文档内容仅供研究参考,付费前请自行鉴别。
3、如文档内容存在违规,或者侵犯商业秘密、侵犯著作权等,请点击“违规举报”。

碎片内容

隧道喷射混凝土施工工艺手册

您可能关注的文档

wxg+ 关注
实名认证
内容提供者

该用户很懒,什么也没介绍

确认删除?
VIP
微信客服
  • 扫码咨询
会员Q群
  • 会员专属群点击这里加入QQ群
客服邮箱
回到顶部