电脑桌面
添加小米粒文库到电脑桌面
安装后可以在桌面快捷访问

切实加强深基坑预应力锚索施工控制质量VIP免费

切实加强深基坑预应力锚索施工控制质量_第1页
1/10
切实加强深基坑预应力锚索施工控制质量_第2页
2/10
切实加强深基坑预应力锚索施工控制质量_第3页
3/10
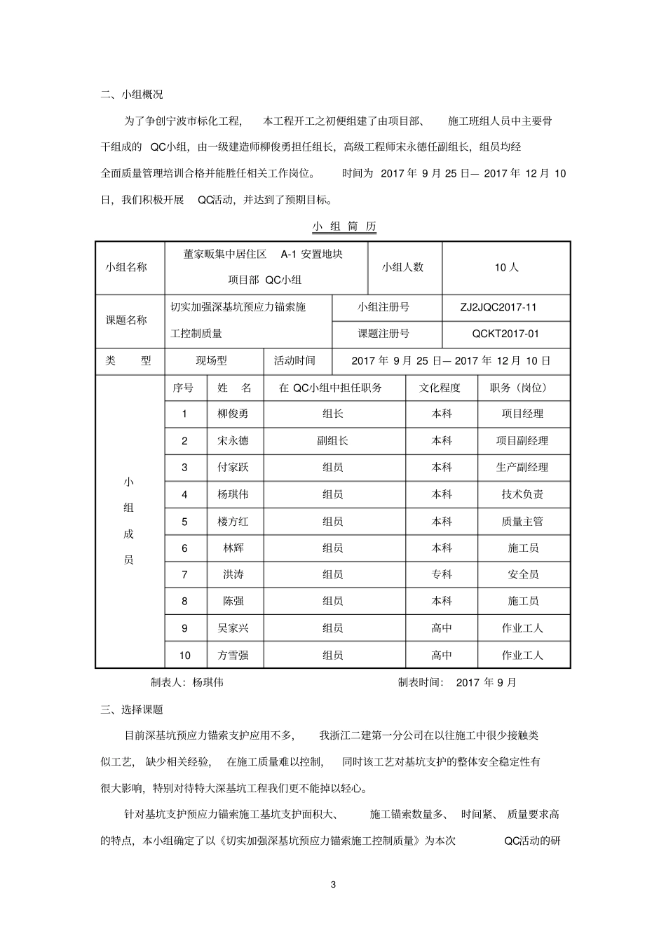
1 切实加强深基坑预应力锚索施工控制质量浙江省二建建设集团有限公司董家畈集中居住区A-1 安置地块项目部 QC小组编制时间: 2017 年 12 月2 一、工程概况董家畈集中居住区A-1 安置地块项目位于宁波镇海区骆驼街道董家畈村,场地中间有西大河支流穿越。 项目总投资3.9 亿元 , 工程质量目标为确保宁波市标化工地,争创甬江杯。本工程总用地面积约50169 平方米,地下室建筑面积约为43770 平方米。本工程地下二层,基坑东边长258M、南边长 262M、西边长 273M、北边长 94M。基坑支护设计:本基坑属于较大较深的基坑,本基坑支护设计等级为二级,使用年限为2 年。基坑主要采用排桩结合单道内支撑和排桩结合单道(两道)锚索两种支护形式。支撑位于场地的四个转角处,第一道锚索位于场地东、南、西、北侧(除角撑的位置外),第二道锚索位于南侧( 标高为 -6.0m) 和北侧 ( 标高为 -5.7m) 。锚索长度24/21 m 交替布置。排桩结合单道(两道)锚深基坑预应力锚索施工平面布置图锚索一览表类别锚索长度 M 锚索倾角 ( ° ) 张拉值 KN 锁定值 KN 数量(根)一道锚索24.0/21.0 10°/15 °200 80 370 一道锚索24.0/21.0 15°200 80 10 二道锚索24.0/21.0 18°200 80 122 本工程锚索总计长度12048 米3 二、小组概况为了争创宁波市标化工程,本工程开工之初便组建了由项目部、施工班组人员中主要骨干组成的 QC小组,由一级建造师柳俊勇担任组长,高级工程师宋永德任副组长,组员均经全面质量管理培训合格并能胜任相关工作岗位。时间为 2017 年 9 月 25 日— 2017 年 12 月 10日,我们积极开展QC活动,并达到了预期目标。小 组 简 历小组名称董家畈集中居住区A-1 安置地块项目部 QC小组小组人数10 人课题名称切实加强深基坑预应力锚索施工控制质量小组注册号ZJ2JQC2017-11 课题注册号QCKT2017-01 类型现场型活动时间2017 年 9 月 25 日— 2017 年 12 月 10 日小组成员序号姓名在 QC小组中担任职务文化程度职务(岗位)1 柳俊勇组长本科项目经理2 宋永德副组长本科项目副经理3 付家跃组员本科生产副经理4 杨琪伟组员本科技术负责5 楼方红组员本科质量主管6 林辉组员本科施工员7 洪涛组员专科安全员8 陈强组员本科施工员9 吴家兴组员高中作业工人10 方雪强组员高中作业工人制表人:杨琪伟制表时间: 2017 年 9 月三、选择课题目前深基坑预应力锚索支护应用不多,我...

1、当您付费下载文档后,您只拥有了使用权限,并不意味着购买了版权,文档只能用于自身使用,不得用于其他商业用途(如 [转卖]进行直接盈利或[编辑后售卖]进行间接盈利)。
2、本站所有内容均由合作方或网友上传,本站不对文档的完整性、权威性及其观点立场正确性做任何保证或承诺!文档内容仅供研究参考,付费前请自行鉴别。
3、如文档内容存在违规,或者侵犯商业秘密、侵犯著作权等,请点击“违规举报”。

碎片内容

切实加强深基坑预应力锚索施工控制质量

您可能关注的文档

确认删除?
VIP
微信客服
  • 扫码咨询
会员Q群
  • 会员专属群点击这里加入QQ群
客服邮箱
回到顶部