电脑桌面
添加小米粒文库到电脑桌面
安装后可以在桌面快捷访问

某房地产公司做的单层厂房结构设计方案VIP专享VIP免费

某房地产公司做的单层厂房结构设计方案_第1页
1/24
某房地产公司做的单层厂房结构设计方案_第2页
2/24
某房地产公司做的单层厂房结构设计方案_第3页
3/24
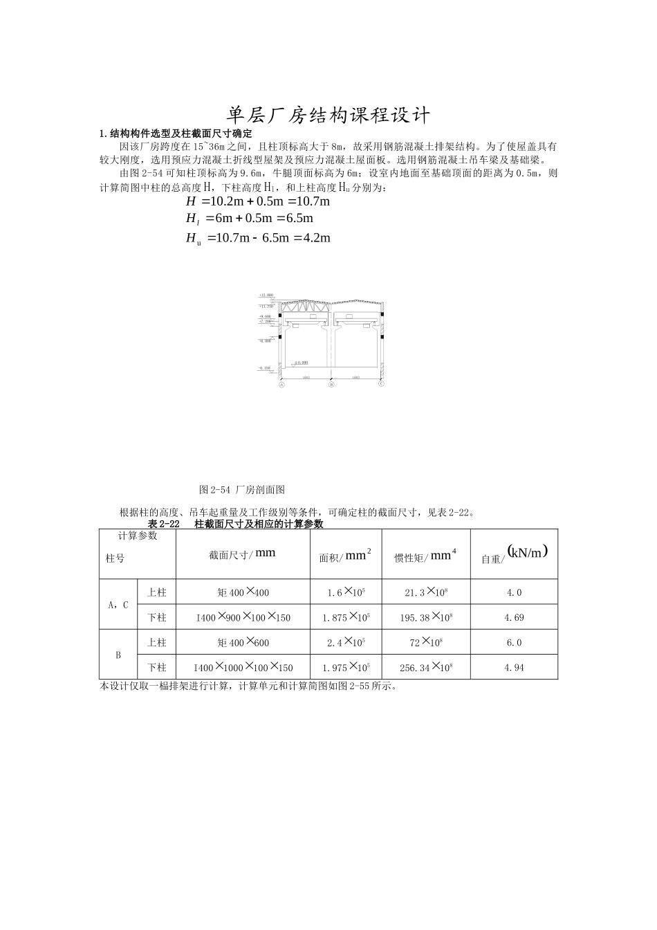
单层厂房结构课程设计1.结构构件选型及柱截面尺寸确定因该厂房跨度在 15~36m 之间,且柱顶标高大于 8m,故采用钢筋混凝土排架结构。为了使屋盖具有较大刚度,选用预应力混凝土折线型屋架及预应力混凝土屋面板。选用钢筋混凝土吊车梁及基础梁。由图 2-54 可知柱顶标高为 9.6m,牛腿顶面标高为 6m;设室内地面至基础顶面的距离为 0.5m,则计算简图中柱的总高度 H,下柱高度 Hl,和上柱高度 Hu 分别为:图 2-54 厂房剖面图 根据柱的高度、吊车起重量及工作级别等条件,可确定柱的截面尺寸,见表 2-22。表 2-22 柱截面尺寸及相应的计算参数计算参数 柱号截面尺寸/面积/惯性矩/自重/A,C上柱矩 4004001.610521.31084.0下柱I4009001001501.875105195.381084.69B上柱矩 4006002.4105721086.0下柱I40010001001501.975105256.341084.94本设计仅取一榀排架进行计算,计算单元和计算简图如图 2-55 所示。10.7m0.5mm2.10H6.5m0.5mm6lHm2.4.5m6m7.10uHBC+12.800-0.150+9.600+7.200±0.000+11.750+6.000mm2mm4mmkN/m 图 2-55 计算单元和计算简图 2.荷载计算1.恒载⑴ 屋盖恒载 20 厚水泥砂浆找平层 2 80 厚泡沫混凝土保温层 预应力混凝土大型屋面板(包括灌缝) 屋盖钢支撑 总计 屋架重力荷载为 60.5kN/榀,则作用于柱顶的屋盖结构的重力荷载设计值为: (2) 吊车梁及轨道重力荷载设计值: (3)柱自重重力荷载设计值 A、C 柱: 上柱: 下柱: B 柱: 上柱: 下柱: 各项恒载作用位置如图 2-56 所示。1BC1800180060060060060060060060060060060024365789121110EA=EA=1010036009001000B柱A柱2kN/m35.0二毡三油防水层绿豆砂浆保护层230.40kN/mm02.0kN/m20230.64kN/mm08.0kN/m82kN/m4.12kN/m05.02kN/m84.2.33kN22060.5/2kN)18/2m6mkN/m84.2(2.11G.8kN586m)0.8kN/mkN2.44(2.13G17.28kN3.6mkN/m0.42.14C4AGG36.58kN6.5mkN/m69.42.15C5AGG25.92kN3.6mkN/m0.62.14BG38.53kN6.5mkN/m94.42.15BG 图 2-56 荷载作用位置图 (单位:kN) 2.屋面活荷载 屋面活荷载标准值为,雪荷载标准值为,后者小于前者,故仅按前者计算。作用于柱顶的屋面活荷载设计值为: 的作用位置与作用位置相同,如图 2-56 所示。3.风荷载风荷载的标准值按计算,其中,,根据厂房各部分标高(图 2-54)及 B 类地面粗糙...

1、当您付费下载文档后,您只拥有了使用权限,并不意味着购买了版权,文档只能用于自身使用,不得用于其他商业用途(如 [转卖]进行直接盈利或[编辑后售卖]进行间接盈利)。
2、本站所有内容均由合作方或网友上传,本站不对文档的完整性、权威性及其观点立场正确性做任何保证或承诺!文档内容仅供研究参考,付费前请自行鉴别。
3、如文档内容存在违规,或者侵犯商业秘密、侵犯著作权等,请点击“违规举报”。

碎片内容

某房地产公司做的单层厂房结构设计方案

确认删除?
VIP
微信客服
  • 扫码咨询
会员Q群
  • 会员专属群点击这里加入QQ群
客服邮箱
回到顶部