电脑桌面
添加小米粒文库到电脑桌面
安装后可以在桌面快捷访问

某能源投资有限公司采煤作业规程VIP免费

某能源投资有限公司采煤作业规程_第1页
1/121
某能源投资有限公司采煤作业规程_第2页
2/121
某能源投资有限公司采煤作业规程_第3页
3/121
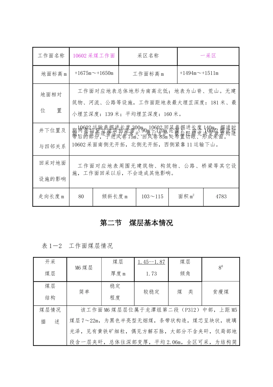
贵州世纪华鼎能源投资有限公司纳雍县沙田煤矿采 煤 作 业 规 程工作面名称:10602 采煤工作面施 工 单位:采煤一队编 人:雷泽富审 核:王 迪批 准:郝厚银修编日期:2018 年 1 月 26 日第一章 概 况第一节 工作面位置与井上下关系表 1-1:工作面位置与井上下关系第二节 煤层基本情况表 1-2 工作面煤层情况开采煤层M6 煤层煤层厚度 m1.45--1.871.73煤层倾角80煤层结构简单稳定程度较稳定煤 类贫瘦煤煤层情况描 述该工作面 M6 煤层层位属于龙潭组第二段(P3l2)中部,上距 M5煤层 7~22m,为黑色半亮型无烟煤,条带状构造,煤芯呈块状,玻璃光泽,见有黄铁矿细粒,偶见方解石脉,大部分不含夹矸,仅局部地段含一层夹矸,总体往深部变厚,平均 2.06m,全区可采,为结构简工作面名称10602 采煤工作面采区名称一采区 地面标高 m+1675m~+1650m工作面标高 m+1494m~+1511m地面相对位 置工作面对应地表总体地形为南高北低;地表为山脊、荒山。无建筑物、河流、公路等设施,工作面距地表最大埋芷深度:181 米、最小埋芷深度:139 米;平均埋芷深度:160 米。 井下位置及 与四邻关系10602 运输巷掘进长度 300m、10602 回风巷掘进长度 140m,掘进时期两巷均穿过地质构造带(90m~110m 范围),由于 10602 掘进时期,地质构造带压力非常大、难以支护,最后经研究决定放弃构造带后的部分,于进风巷 75m、回风巷 85m 处布置切眼、形成采面。10602 采面南侧无开拓,北侧无开拓,西侧紧靠 11 运输下山。 回采对地面 设施的影响工作面对应地表周围无建筑物、构筑物、公路、桥梁等其它设施,工作面回采以后,不会造成其他影响。走向长度 m80倾斜长度 m103~115面积 m24783单的较稳定型煤层。第三节 煤质情况表 1-3 5#煤层煤质表 第四节 煤层顶底板情况表 1-4 工作面煤层顶底板情况类 别岩石名称厚度 m岩性描述基本顶粉砂岩14中粗至细砂岩。直接顶砂质页岩1-1.5中厚状粉砂岩。直接底泥岩0.15铝泥岩,遇水易膨涨,含植化碎片。基本底粉砂岩7.17粉砂岩至细砂岩。煤层编号St.d(%)全硫Mad(%)水份Ad(%)灰份vdaf(%)挥发份煤吸氧量(cm3/g)干煤发热量(KJ/Kg)61.080.817.7914.750.929.302说明:贵州省煤田地质局 142 队于 2013 年三月提供:《贵州省水城县化乐锦源煤矿煤炭资源核实及勘探报告》中附表(附图 1)工作面煤层综合柱状图第五节 地质构造一、断层情况表断层情况表 1-5断...

1、当您付费下载文档后,您只拥有了使用权限,并不意味着购买了版权,文档只能用于自身使用,不得用于其他商业用途(如 [转卖]进行直接盈利或[编辑后售卖]进行间接盈利)。
2、本站所有内容均由合作方或网友上传,本站不对文档的完整性、权威性及其观点立场正确性做任何保证或承诺!文档内容仅供研究参考,付费前请自行鉴别。
3、如文档内容存在违规,或者侵犯商业秘密、侵犯著作权等,请点击“违规举报”。

碎片内容

某能源投资有限公司采煤作业规程

确认删除?
VIP
微信客服
  • 扫码咨询
会员Q群
  • 会员专属群点击这里加入QQ群
客服邮箱
回到顶部