电脑桌面
添加小米粒文库到电脑桌面
安装后可以在桌面快捷访问

主体结构工程监理细则培训资料VIP免费

主体结构工程监理细则培训资料_第1页
1/53
主体结构工程监理细则培训资料_第2页
2/53
主体结构工程监理细则培训资料_第3页
3/53
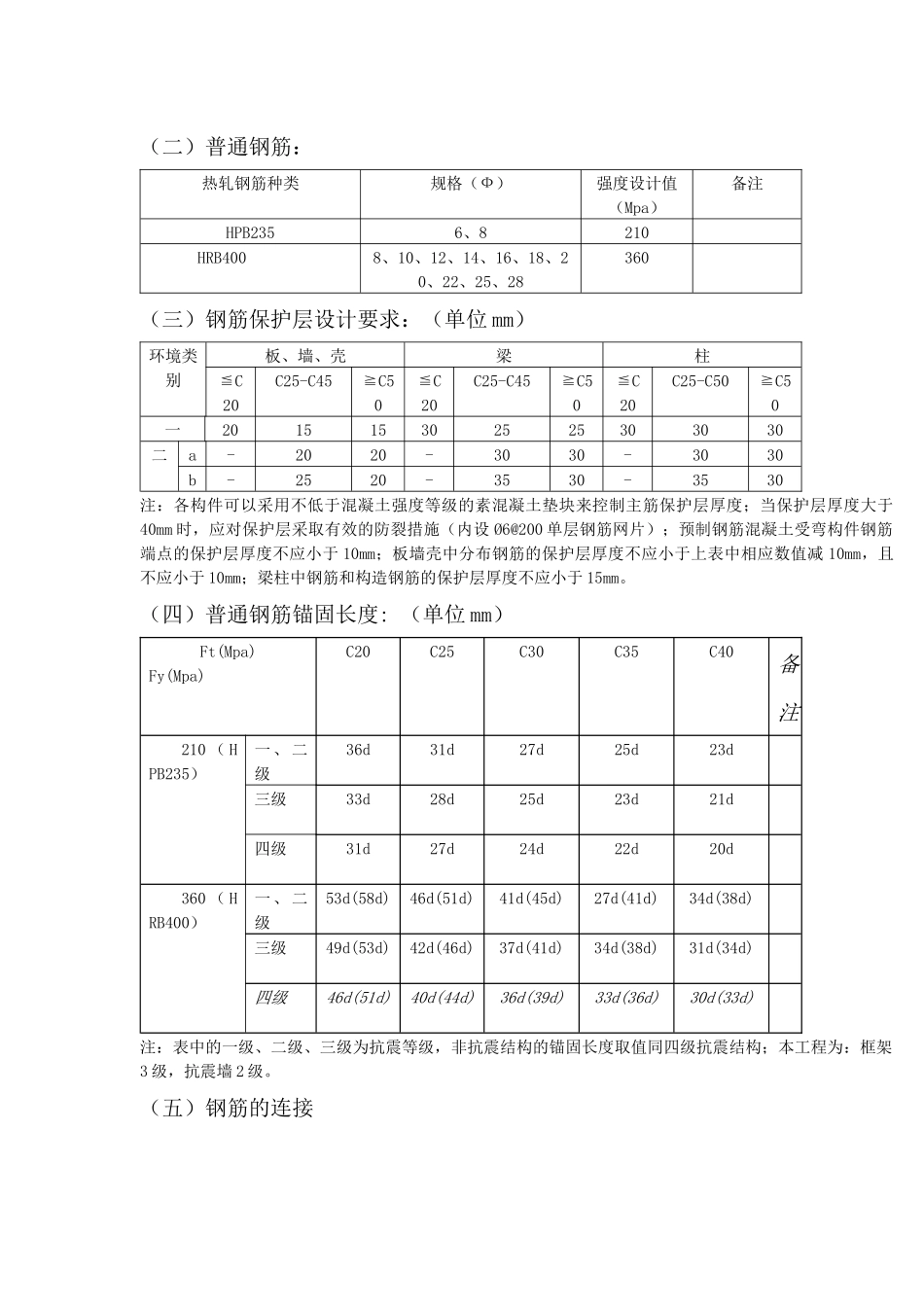
江苏建发建设项目咨询有限公司B13B13 泗洪人民医院内科病房办公大楼 工程监理实施细则监理实施细则 (主体结构工程)内容提要:专业工程特点监理工作流程 监理工作控制目标及控制要点监理工作方法及措施 项目监理机构(章): 专业监理工程师: 总监理工程师: 日 期: 江苏省建设厅监制一、工程概况1、工程项目名称:泗洪人民医院内科病房办公大楼;2、工程项目地点:泗洪人民医院;3、建设单位:泗洪人民医院;4、工程规模:建筑总面积约 2 万 M2 ;5、结构类型:框架结构,基础形式:钻孔管桩基础;6、工程投资总额:1 亿元人民币;7、工程开工日期为:2011 年 9 月 1 日开始至 2013 年 8 月 31 日,总工期为 460 日历天;8、勘察单位:江苏省岩土工程勘察设计院;9、设计单位:扬州大学工程设计研究院;10、施工总承包单位:金坛市第一建筑安装工程有限公司;11、监理单位:江苏建发建设工程咨询有限公司二、专业设计概况及专业特点本工程建筑层数 21 层建筑,地下 1 层。结构设计使用年限 50 年。有关基础承台、基础底板、框架梁、柱、楼层板的配筋情况详见设计值及要求内容。 相关设计值及要求如下:(一)混凝土强度设计值:构件类别位置强度等级备注垫层C15基础、基础梁梁、板、地下室——8 层C35地下室外墙、地板及车道抗渗 P6梁、板9 层——屋面C30墙、柱地下室至 8 层以下C50墙、柱9 层--15 层C40墙、柱16 层机房层C30(二)普通钢筋:热轧钢筋种类规格(Ф)强度设计值(Mpa)备注HPB2356、8210HRB4008、10、12、14、16、18、20、22、25、28360(三)钢筋保护层设计要求:(单位 mm)环境类别板、墙、壳梁柱≦C20C25-C45≧C50≦C20C25-C45≧C50≦C20C25-C50≧C50一201515302525303030二a-2020-3030-3030b-2520-3530-3530注:各构件可以采用不低于混凝土强度等级的素混凝土垫块来控制主筋保护层厚度;当保护层厚度大于40mm 时,应对保护层采取有效的防裂措施(内设 Ø6@200 单层钢筋网片);预制钢筋混凝土受弯构件钢筋端点的保护层厚度不应小于 10mm;板墙壳中分布钢筋的保护层厚度不应小于上表中相应数值减 10mm,且不应小于 10mm;梁柱中钢筋和构造钢筋的保护层厚度不应小于 15mm。(四)普通钢筋锚固长度: (单位 mm)Ft(Mpa)Fy(Mpa)C20C25C30C35C40备注210 ( HPB235)一、二级36d31d27d25d23d三级33d28d25d23d21d四级31d27d24d22d20d360 ( HRB400)一、二级53d(58d)46d...

1、当您付费下载文档后,您只拥有了使用权限,并不意味着购买了版权,文档只能用于自身使用,不得用于其他商业用途(如 [转卖]进行直接盈利或[编辑后售卖]进行间接盈利)。
2、本站所有内容均由合作方或网友上传,本站不对文档的完整性、权威性及其观点立场正确性做任何保证或承诺!文档内容仅供研究参考,付费前请自行鉴别。
3、如文档内容存在违规,或者侵犯商业秘密、侵犯著作权等,请点击“违规举报”。

碎片内容

主体结构工程监理细则培训资料

确认删除?
VIP
微信客服
  • 扫码咨询
会员Q群
  • 会员专属群点击这里加入QQ群
客服邮箱
回到顶部