电脑桌面
添加小米粒文库到电脑桌面
安装后可以在桌面快捷访问

采煤专业规范化管理标准VIP免费

采煤专业规范化管理标准_第1页
1/54
采煤专业规范化管理标准_第2页
2/54
采煤专业规范化管理标准_第3页
3/54
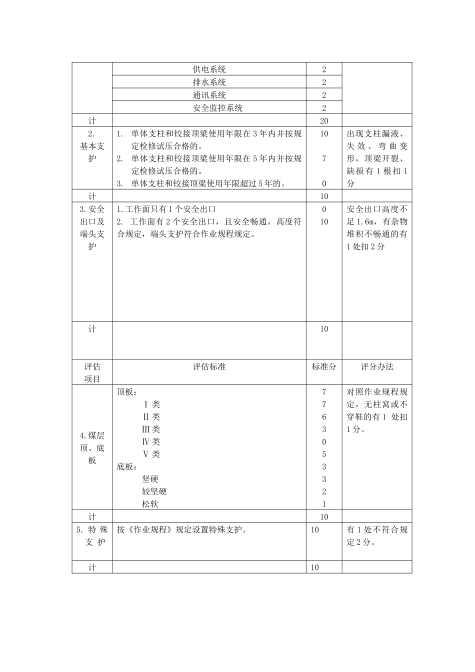
蕐潤天能 ( 徐州 ) 煤电有限公司柳泉煤矿 Liuquan CoalMieChina Resources Tianneng(Xuzou)Coal&Power CO,Ltd采煤专业规范化管理标准采煤一区采煤专业规范化管理标准第一章 评估办法为认真贯彻落实“安全第一、预防为主”的方针,努力实现采煤工作面安全生产,提高矿井安全保障能力,根据《安全生产法》、《矿山安全法》、《煤矿安全监察条例》、《煤矿安全规程》、《煤矿安全生产基本条件》等法律法规规定,严格安全条件,对开采工作面进行安全风险评估。工作面安全风险评估的内容包括工作面生产系统、基本支护、安全出口及端头支护、煤层顶、底板、特殊支护、煤层赋存条件、地质构造、瓦斯和煤尘、防灭火、水文地质条件十项,总分 100 分。 评定等级1、90 分及以上为 A 级——安全可靠程度高。2、80 分及以上为 B 级——安全可靠程度一般,采取相应措施,可以回采。3、70 分及以上为 C 级——安全可靠程度较差,需编制安全专篇并整改后验收。4、70 分以下为 D 级——不可采。第二章 采煤工作面评估标准评 估 项目评估标准标准分评分方法1. 生 产系统通风系统4系统不完善小项不得分防尘及防灭火系统4运输系统4供电系统2排水系统2通讯系统2 安全监控系统2计202.基本支护1. 单体支柱和铰接顶梁使用年限在 3 年内并按规定检修试压合格的。2. 单体支柱和铰接顶梁使用年限在 5 年内并按规定检修试压合格的。3. 单体支柱和铰接顶梁使用年限超过 5 年的。1070出现支柱漏液、失 效 、 弯 曲 变形,顶梁开裂、缺损有 1 根扣 1分计103.安全出口及端头支护1.工作面只有 1 个安全出口2. 工作面有 2 个安全出口,且安全畅通,高度符合规定,端头支护符合作业规程规定。010安全出口高度不足 1.6m,有杂物堆积不畅通的有1 处扣 2 分计10评估项目评估标准标准分评分办法4.煤层顶、底板顶板: Ⅰ 类Ⅱ 类Ⅲ 类Ⅳ 类Ⅴ 类底板:坚硬较坚硬松软7763053321对照作业规程规定,无柱窝或不穿鞋的有 1 处扣1 分。计105. 特 殊支 护按《作业规程》规定设置特殊支护。10有 1 处不符合规定 2 分。计106. 煤 层赋 存 条件 ( 倾角 、 厚度 、 硬度)倾角:倾角小于 15 度倾角 15——25 度倾角 25——50 度倾角大于 50 度厚度:薄煤层中厚煤层厚煤层4430232评估项目评估标准标准分评分办法6.煤层赋存条件(倾角、厚度、硬度)硬度:硬煤中硬煤软煤 231计107 、 地 质 构 造...

1、当您付费下载文档后,您只拥有了使用权限,并不意味着购买了版权,文档只能用于自身使用,不得用于其他商业用途(如 [转卖]进行直接盈利或[编辑后售卖]进行间接盈利)。
2、本站所有内容均由合作方或网友上传,本站不对文档的完整性、权威性及其观点立场正确性做任何保证或承诺!文档内容仅供研究参考,付费前请自行鉴别。
3、如文档内容存在违规,或者侵犯商业秘密、侵犯著作权等,请点击“违规举报”。

碎片内容

采煤专业规范化管理标准

确认删除?
VIP
微信客服
  • 扫码咨询
会员Q群
  • 会员专属群点击这里加入QQ群
客服邮箱
回到顶部