电脑桌面
添加小米粒文库到电脑桌面
安装后可以在桌面快捷访问

电动吊篮安全专项施工方案VIP免费

电动吊篮安全专项施工方案_第1页
1/63
电动吊篮安全专项施工方案_第2页
2/63
电动吊篮安全专项施工方案_第3页
3/63
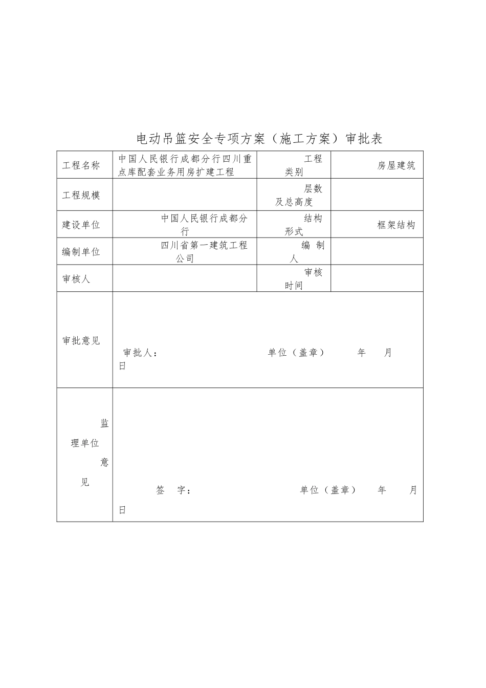
中国人民银行成都分行四川重点库配套业务用房扩建工程拆除、恢复工程行政楼墙体拆除、恢复专项施工方案编制单位: 四川省第一建筑工程公司编制日期:201 7 年 11 月 23 日批准人: 职务(称) 审核人: 职务(称) 编制人: 职务(称) 电动吊篮安全专项方案(施工方案)审批表工程名称中国人民银行成都分行四川重点库配套业务用房扩建工程工程类别房屋建筑工程规模 层数及总高度 建设单位中国人民银行成都分行结构形式框架结构编制单位四川省第一建筑工程公司编 制 人审核人审核时间审批意见审批人: 单位(盖章) 年 月 日监理单位意见签 字: 单位(盖章) 年 月 日建设单位意见 签 字: 单位(盖章) 年 月 日 中国人民银行成都分行四川重点库配套业务用房扩建工工程电动吊篮安全专项施工方案 编制人: 审核人: 审定人: 编制单位:成都小天鹅建筑机械租赁有限公司2017 年 12 月目 录一、 工程概况.......................................................................................................1二、 编制依据......................................................................................................1三、 设计概况......................................................................................................21、高处电动作业吊篮的简介......................................................................22、电动施工吊篮布置..................................................................................63、上部悬挂机构的安装方式与安装位置..................................................24、生命钢丝绳的设置..................................................................................4四、 施工准备及计划..........................................................................................51、技术准备..................................................................................................52、人员准备..................................................................................................53、材料、设备计划......................................................................................54、吊篮安装单元的工期进度计划................................

1、当您付费下载文档后,您只拥有了使用权限,并不意味着购买了版权,文档只能用于自身使用,不得用于其他商业用途(如 [转卖]进行直接盈利或[编辑后售卖]进行间接盈利)。
2、本站所有内容均由合作方或网友上传,本站不对文档的完整性、权威性及其观点立场正确性做任何保证或承诺!文档内容仅供研究参考,付费前请自行鉴别。
3、如文档内容存在违规,或者侵犯商业秘密、侵犯著作权等,请点击“违规举报”。

碎片内容

电动吊篮安全专项施工方案

确认删除?
VIP
微信客服
  • 扫码咨询
会员Q群
  • 会员专属群点击这里加入QQ群
客服邮箱
回到顶部