电脑桌面
添加小米粒文库到电脑桌面
安装后可以在桌面快捷访问

修正版担保公司十五级信用评级管理办法-3VIP免费

修正版担保公司十五级信用评级管理办法-3_第1页
1/11
修正版担保公司十五级信用评级管理办法-3_第2页
2/11
修正版担保公司十五级信用评级管理办法-3_第3页
3/11
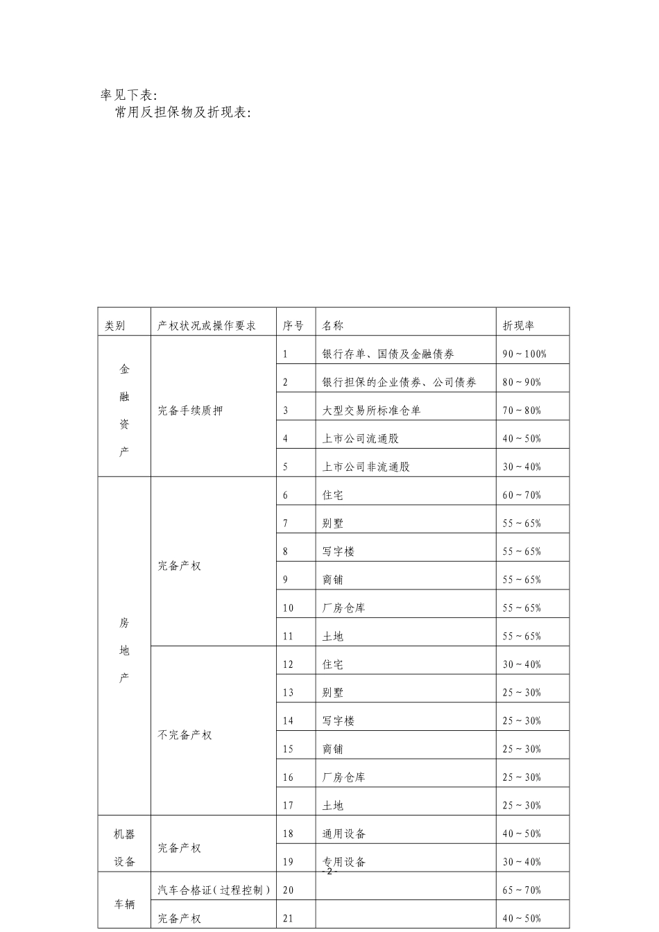
安徽壹启富投资担保有限公司客户信用评级管理办法(试行)第一节总则第1.1条十五级评级是指对客户信用状况进行评定,对担保业务的风险用量化方法进行测评的一种管理办法。第1.2条安徽壹启富投资担保有限公司经营范围:诉讼保全担保;投标担保;预付款担保;工程履约;尾付款如约偿付等履行担保业务;抵质押居间服务;担保贷款居间服务;银行贷款预审推荐服务;贷款抵押物互换居间服务;理财策划服务;融资及理财信息服务;财务顾问;以自有资金进行投资的所有担保业务必须依照本办法。第1.3条本办法所指的十五级评级包括:正常1级、正常2级、正常3级、正常4级、正常5级、关注1级、关注2级、关注3级、次级1级、次级2级、次级3级、可疑1级、可疑2级、可疑3级、损失。第二节评级规则第2.1条十五级评级指标体系及评分十五级评级指标体系由客户信用评分(用“A”表示)、反担保物风险评分(用“B”表示)或过程控制风险评分(用“C”表示)、必备条件扣分(用“D”表示)构成,计算方式如下:若选择核心控制为反担保物,则过程控制不计分,计算公式如下:十五级评分=客户信用评分(A)×50%+反担保物风险评分(B)×50%-必备条件扣分(D)若选择核心控制为过程控制,则反担保物不计分,计算公式如下:十五级评分=客户信用评分(A)×50%+过程控制风险评分(C)×50%-必备条件扣分(D)1、客户信用评分是指采用定量分析和定性分析相结合的方法对客户进行信用分析和评价;客户信用评分指标由财务结构、偿债能力、运营效率、盈利能力等财务定量指标,和竞争力、从业经验、产品和技术、资源控制、过往信用记录等定性指标构成。客户信用评分详见附件《十五级评级指标体系及计分表》第一部分内容。2、反担保物风险评分是指对客户提供的用以抵押和质押的反担保物进行评分,是评分指标体系中最核心的计分指标。常用反担保物包括房地产、金融资产、机器设备、运输工具、存货、应收帐款、无形资产、其他公司股权等,其明细及折现-1-率见下表:常用反担保物及折现表:-2-类别产权状况或操作要求序号名称折现率金融资产完备手续质押1银行存单、国债及金融债券90~100%2银行担保的企业债券、公司债券80~90%3大型交易所标准仓单70~80%4上市公司流通股40~50%5上市公司非流通股30~40%房地产完备产权6住宅60~70%7别墅55~65%8写字楼55~65%9商铺55~65%10厂房仓库55~65%11土地55~65%不完备产权12住宅30~40%13别墅25~30%14写字楼25~30%15商铺25~30%16厂房仓库25~30%17土地25~30%机器设备完备产权18通用设备40~50%19专用设备30~40%车辆汽车合格证(过程控制)2065~70%完备产权2140~50%常用反担保物及折现表:反担保物风险评分要重点评价反担保物清算值对担保项目风险敞口的覆盖比率。根据实际操作中反担保物有完备产权和不完备产权之分,相应地设计了“可抵押(质押)登记备案的资产清算值覆盖率”和“不能登记备案的资产清算值覆盖率”两项计分指标。为鼓励客户提供更多的产权完备的反担保物,分值权重先100%分配给“可抵押(质押)登记的资产清算值覆盖率”,且对该项考核得分另行上浮10%--20%(B1≤120)。当该项得分确定后再按差额补进方式确定“不能登记备案的资产清算值覆盖率”的分值权重(B2≤50)。反担保物风险评分详见附件《十五级评级指标体系及计分表》第二部分内容。3、过程控制风险评分是指对选择反担保核心控制为过程控制而对过程控制进行的评分,过程控制得分由业务经理随评审项目一同上报并由公司评审会最终决定,最高分不得超过80分。若过程控制为补充反担保措施的,则不单独计算得分。过程控制评分详见附件《十五级评级指标体系及计分表》第三部分内容。4、必备条件是指客户核心(主要)控制人和法人代表的个人保证和企业的股权质押,是任何一个担保项目都必须满足的条件(特殊情况下豁免必备条件须经授权审批人批准)。必备条件在评分指标体系中设计为扣分项,达到要求不加分,达不到要求则扣分。必备条件扣分标准详见附件《十五级评级指标体系及计分表》第四部分内容。a)核心控制人+法人代表提供个人保证,该项指标不扣分;b)若核心控制人+法人代表不提供个人保...

1、当您付费下载文档后,您只拥有了使用权限,并不意味着购买了版权,文档只能用于自身使用,不得用于其他商业用途(如 [转卖]进行直接盈利或[编辑后售卖]进行间接盈利)。
2、本站所有内容均由合作方或网友上传,本站不对文档的完整性、权威性及其观点立场正确性做任何保证或承诺!文档内容仅供研究参考,付费前请自行鉴别。
3、如文档内容存在违规,或者侵犯商业秘密、侵犯著作权等,请点击“违规举报”。

碎片内容

修正版担保公司十五级信用评级管理办法-3

确认删除?
VIP
微信客服
  • 扫码咨询
会员Q群
  • 会员专属群点击这里加入QQ群
客服邮箱
回到顶部