电脑桌面
添加小米粒文库到电脑桌面
安装后可以在桌面快捷访问

金矿地质勘探井巷工程技术标VIP免费

金矿地质勘探井巷工程技术标_第1页
1/29
金矿地质勘探井巷工程技术标_第2页
2/29
金矿地质勘探井巷工程技术标_第3页
3/29
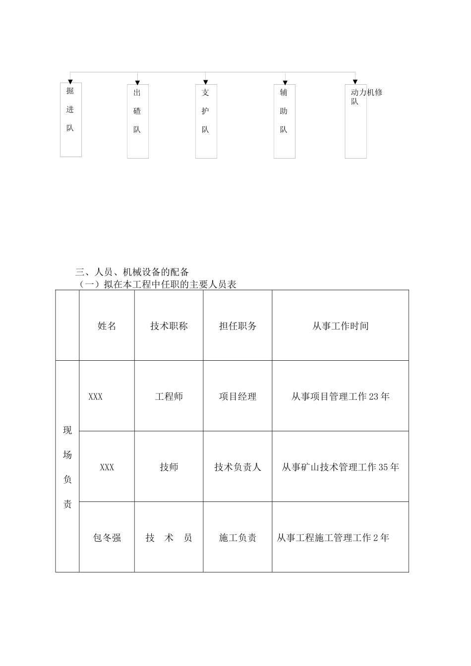
洛南县镰子沟金矿地质勘探井巷工程技术标1.1编制依据一、招标单位向施工单位介解的情况二、国家相关行业标准及隧道施工现行的标准和规范1.2工程概况一、井巷工程(一)1460 中段勘探巷(4㎡)360m 断面 2.0×2.0(二)1420 中段勘探巷(4㎡)420m 断面 2.0×2.0(三)1340 中段勘探巷道(4㎡)400m 断面 2.0×2.0(四)1260 中段斜井 100m(5.52㎡),角度-26°,断面 2.3×2.4m(五)斜井底勘探巷 400m(4㎡),断面 2.0×2.0(六)斜井底装车洞室及水仓二、工程地质矿体为金属类矿,金元素可工业化开采,围岩及围岩硬度系数不详,地质构造,水文地质情况不详。1.3工程重点及难点由于该矿体围岩的地质构造,水文地质不详,整个工程系勘探工程,井巷工程中的安全工作、支护工作是难点,工程总进度难保障。2.1 总体施工方案一、本工程主要内容为四个中段勘探巷 1580m、断面 2.0×2.0㎡、斜井运输巷道100m,开挖断面 2.3×2.4㎡均以独头巷道施工,以斜井巷道施工为关键线路,保持连续作业,即钻爆、通风、出碴循环进行。巷道开挖采用全断面一次开挖成巷,钻孔机械采用 YT-28 型手持式风钻,爆破器材采用半秒差延期导爆雷管、2#岩石硝铵炸药、乳化炸药,KG-300 型起爆器,出碴采用人工装渣、三轮式拖拉机运渣,斜井采用游动绞车、矿车和 600mm 轻轨运输,人工装载扒渣。二、施工组织机构本工程若由我公司中标,我们将委派对矿山施工、采矿有丰富经验的项目经理进行施工,工程将实施项目法管理,由具有丰富矿山施工管理经验的陈亚臻同志担任项目经理,成立“镰子沟金矿项目经理部”统一对工期、质量、安全、成本等综合经济效益进行高效、有计划地组织协调和管理,并配备先进的机械设备,以科学的手段、先进的技术,优质高效地完成本项目工程。项目经理对外代表公司对业主负责,对内代表项目部对公司负责,全面负责本工程的实施工作。项目部组织机构详见下页框图《项目部组织机械图》。项目经理部设经理 1 人,工程师 1 人,下设二个部门:洛阳XXX 金矿项目经理部(一)综合管理科:负责项目的施工技术、设备管理、计划与方案;统计与计量技术资料的保管、竣工资料的整理及整个工程现场施工管理。负责安全生产的管理、监督及工程环保。(三)财务、后勤科:负责项目的财务管理,包括工程款帐单编制报送;所需材料、配件的采购与供应,机电设备的管理、维修、保养。包括接待、炊事、营地管理、工地治安等。根据施工现场情况及...

1、当您付费下载文档后,您只拥有了使用权限,并不意味着购买了版权,文档只能用于自身使用,不得用于其他商业用途(如 [转卖]进行直接盈利或[编辑后售卖]进行间接盈利)。
2、本站所有内容均由合作方或网友上传,本站不对文档的完整性、权威性及其观点立场正确性做任何保证或承诺!文档内容仅供研究参考,付费前请自行鉴别。
3、如文档内容存在违规,或者侵犯商业秘密、侵犯著作权等,请点击“违规举报”。

碎片内容

金矿地质勘探井巷工程技术标

您可能关注的文档

确认删除?
VIP
微信客服
  • 扫码咨询
会员Q群
  • 会员专属群点击这里加入QQ群
客服邮箱
回到顶部