电脑桌面
添加小米粒文库到电脑桌面
安装后可以在桌面快捷访问

模具设计中的模具钢选购指南VIP免费

模具设计中的模具钢选购指南_第1页
1/7
模具设计中的模具钢选购指南_第2页
2/7
模具设计中的模具钢选购指南_第3页
3/7
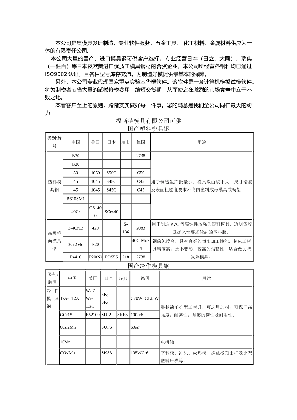
本公司是集模具设计制造,专业软件服务,五金工具、 化工材料、金属材料供应为一体的有限责任公司。 本公司大量的国产、进口模具钢可供客户选择。专业经营日本(日立、大同)、瑞典(一胜百)等日本及欧美进口优质工模具钢材的合资企业。本公司所经营各钢种均已通过ISO9002 认证,且各种型号库存充沛。为制造好模提供最基本的保障。另外,本公司专业代理国家重点实验室华塑软件。该软件是一套计算机模拟试模软件。将为制模者节省大量的试模修模费用,缩短交货期,从而使之在激烈的市场竞争中立于不败之地。本着客户至上的原则,踏踏实实做好每一件事。您的满意是我们全公司同仁最大的动力福斯特模具有限公司可供国产塑料模具钢类别\牌号中国美国日本瑞典德国用途塑料模具钢B302738用于制造生产批量小,模具载面积不大,尺寸精度及表面粗糙度要求不高的塑料成形模具或模架B20501050S50CC50451045S48CC45451045S45CC45B610SM140CrG51400SCr440高级镜面模具钢3-4Cr13420S-1362083用于制造 PVC 等腐蚀性较强的塑料模具,透明塑胶及抛光性要求较高的塑料膜。3Cr2MoP2040CrMo74钢的纯度高,具有良好的切削加工性能,制成工模具精度高,永不变形。较高的强韧性,适合做大型复杂模具。P4410P20tNi PDS5S7182738国产冷作模具钢类别\牌号中国美国日本瑞典德国用途冷 作模 具钢T7A-T12A W1-7 W1-1.2C SK7-SK2 C70W1 C125W形状简单小型工模具,可选用此材,可保证高强度,耐磨性,足够的韧性及耐用性。GCr15E52100 SUJ2SKF3 100cr660si2Mn SUP6 60si716Mn 电机轴CrWMn SKS31 105WCr6下料模、冲头、成形模、搓丝板顶出杆及小型塑料压模等。Cr12D3SKD1 X210Cr12应用于小动载条件下要求高耐磨形状简单的拉伸和冲载模。Cr12MoV X165CrMov12 下料模、冲头、滚丝轮、剪刀片、冷镦模、陶土模及热固塑料成形模等。Cr12Mo1V1D2SKD11XW-42X155CrVMo121重型落料模、冷挤压模、深拉伸模、滚丝模、剪刀片、冷镦模、陶土模等。国产热作模具钢类别\牌号中国美国日本瑞典德国用途热 作 模具钢5CrMnMo 用于制造形状简单,厚度小于 250 毫米的小型锤锻模。5CrNiMoL6 用于制造商形状简单,工作温度一般,厚度在 250~350 毫米之间的中型热锤锻模块。5CrNiMoV SKT4 56CrNiMoV7用于制造厚度>350 毫米,型腔复杂,受力载荷较大的大型锤锻模或锻造压力机热锻模。4Cr5MoSiV1H13SKD618407X40CrMoV51用于制造冲击载荷较大,型腔复杂的长寿命锤锻模或锻...

1、当您付费下载文档后,您只拥有了使用权限,并不意味着购买了版权,文档只能用于自身使用,不得用于其他商业用途(如 [转卖]进行直接盈利或[编辑后售卖]进行间接盈利)。
2、本站所有内容均由合作方或网友上传,本站不对文档的完整性、权威性及其观点立场正确性做任何保证或承诺!文档内容仅供研究参考,付费前请自行鉴别。
3、如文档内容存在违规,或者侵犯商业秘密、侵犯著作权等,请点击“违规举报”。

碎片内容

模具设计中的模具钢选购指南

文泉书屋+ 关注
实名认证
内容提供者

热爱教学事业,对互联网知识分享很感兴趣

确认删除?
VIP
微信客服
  • 扫码咨询
会员Q群
  • 会员专属群点击这里加入QQ群
客服邮箱
回到顶部