电脑桌面
添加小米粒文库到电脑桌面
安装后可以在桌面快捷访问

电缆等技术要求VIP免费

电缆等技术要求_第1页
1/72
电缆等技术要求_第2页
2/72
电缆等技术要求_第3页
3/72
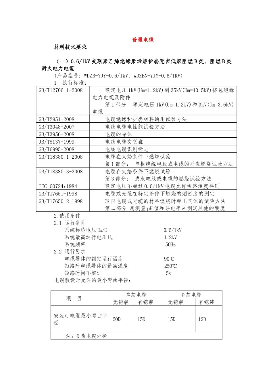
普通电缆材料技术要求(一)0.6/1kV 交联聚乙烯绝缘聚烯烃护套无卤低烟阻燃 B 类、阻燃 B 类耐火电力电缆 (产品型号:WDZB-YJY-0.6/1kV、WDZBN-YJY-0.6/1KV)1 执行标准:GB/T12706.1-2008额定电压 1kV(Um=1.2kV)到 35kV(Um=40.5kV)挤包绝缘电力电缆及附件第 1 部分 额定电压 1kV(Um=1.2kV)和 3kV(Um=3.6kV)电缆GB/T2951-2008电缆绝缘和护套材料通用试验方法GB/T3048-2007电线电缆电性能试验方法GB/T3956-2008电缆的导体JB/T8137-1999电线电缆交货盘GB/T6995-2008电线电缆识别标志GB/T18380.1-2008电缆在火焰条件下燃烧试验 第 1 部分: 单根绝缘电线或电缆的垂直燃烧试验方法 GB/T18380.3-2008电缆在火焰条件下燃烧试验 第 3 部分: 成束电线或电缆的燃烧试验方法IEC 60724:1984额定电压不超过 0.6/1kV 电缆允许短路温度导则GB/T17651-1998电缆或光缆在特定条件下燃烧的烟密度的测定GB/T17650.2-1998取自电缆或光缆的材料燃烧时释出气体的试验方法第二部分 用测量 pH 值和导电率来测定其他的酸度2.使用条件2.1 运行条件 系统标称电压 U0/U 0.6/1kV 系统最高运行电压 Um 1.2kV 系统频率 50Hz2.2 运行要求 电缆导体的额定运行温度 90℃ 短路时电缆导体的最高温度 250℃ 短路时间不超过 5s电缆敷设时允许的最小弯曲半径:项 目单芯电缆多芯电缆无铠装有铠装无铠装有铠装安装时电缆最小弯曲半径20D15D15D12D注:D 为电缆外径2.3 运行环境条件海拔高度: ≤2000m环境温度 -20℃~+45℃相对湿度: ≤90%2.4 敷设条件 敷设环境有直埋、沟槽、排管、沟道、桥架等多种方式。 敷设时最低环境温度不低于 0℃。2.5 耐地震能力 地震烈度 8 度(a=0.1g)。3 电缆的技术要求3.1 导体3.1.1 导体采用软铜单线绞合紧压而成,紧压系数不小于 0.90,其组成、性能符合 GB/T3956 的规定,电缆截面偏差≤3%。3.1.2 导体表面光洁、无油污,无损伤屏蔽及绝缘的毛刺、锐边,无凸起或断裂的单线。3.1.3 导体结构直流电阻符合 GB/T3956-2008 及 GB/T12706.1-2008 的规定。3.1.4 耐火电缆其绝缘应具有耐火特性,否则在导体上应设置耐火层,耐火层采用耐火云母带绕包而成,云母带绕包应服帖,无漏包现象,重叠率不小于50%.绕包后的耐火层满足工频电压 2000V 的火花检验(中间检查)的要求,制成品的耐火性能应符合 GB/T19666-2005 标准第 5.2 条规定。3.2 绝缘3.2.1 绝缘材料选用硅烷交联聚...

1、当您付费下载文档后,您只拥有了使用权限,并不意味着购买了版权,文档只能用于自身使用,不得用于其他商业用途(如 [转卖]进行直接盈利或[编辑后售卖]进行间接盈利)。
2、本站所有内容均由合作方或网友上传,本站不对文档的完整性、权威性及其观点立场正确性做任何保证或承诺!文档内容仅供研究参考,付费前请自行鉴别。
3、如文档内容存在违规,或者侵犯商业秘密、侵犯著作权等,请点击“违规举报”。

碎片内容

电缆等技术要求

您可能关注的文档

确认删除?
VIP
微信客服
  • 扫码咨询
会员Q群
  • 会员专属群点击这里加入QQ群
客服邮箱
回到顶部